电脑桌面
添加小米粒文库到电脑桌面
安装后可以在桌面快捷访问

省建设工程安全监理统一用表VIP免费

省建设工程安全监理统一用表_第1页
1/27
省建设工程安全监理统一用表_第2页
2/27
省建设工程安全监理统一用表_第3页
3/27
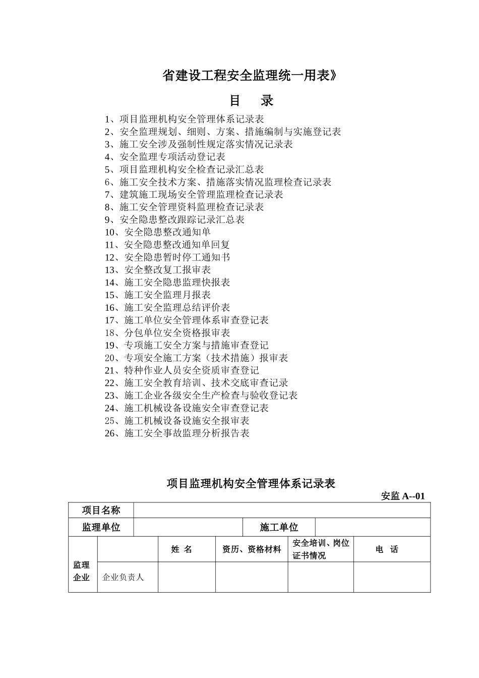
省建设工程安全监理统一用表》目录1、项目监理机构安全管理体系记录表2、安全监理规划、细则、方案、措施编制与实施登记表3、施工安全涉及强制性规定落实情况记录表4、安全监理专项活动登记表5、项目监理机构安全检查记录汇总表6、施工安全技术方案、措施落实情况监理检查记录表7、建筑施工现场安全管理监理检查记录表8、施工安全管理资料监理检查记录表9、安全隐患整改跟踪记录汇总表10、安全隐患整改通知单11、安全隐患整改通知单回复12、安全隐患暂时停工通知书13、安全整改复工报审表14、施工安全隐患监理快报表15、施工安全监理月报表16、施工安全监理总结评价表17、施工单位安全管理体系审查登记表18、分包单位安全资格报审表19、专项施工安全方案与措施审查登记20、专项安全施工方案(技术措施)报审表21、特种作业人员安全资质审查登记22、施工安全教育培训、技术交底审查记录23、施工企业各级安全生产检查与验收登记表24、施工机械设备设施安全审查登记表25、施工机械设备设施安全报审表26、施工安全事故监理分析报告表项目监理机构安全管理体系记录表安监A--01项目名称监理单位施工单位监理企业姓名资历、资格材料安全培训、岗位证书情况电话企业负责人安全管理机构主管安全监理技术负责人安全监理管理部门负责人项目监理机构安全监理组织总监总监代表专业监理工程师(专职)安全监理人员安全监理制度方案措施编制计划记录填表说明1、本表一式三份,监理单位、建设单位、施工安全监督机构各一份,工程开工前填报;2、项目监理机构应如实、全面填写本表的内容,以从安全监理组织管理体系上保证履行安全监理责任。3、随表应附相关人员资格、资历等证明资料及工作岗位分工与责任制度。安全监理规划、细则、方案、措施编制与实施登记表安监A--02项目名称监理单位施工单位序号名称编制时间审批时间责任人备注(修改记录)实施情况与问题记录:记录人:填表说明1、本表一式一份,项目监理机构保存,以备监理单位、建设单位、安全监督机构检查,并考核项目监理机构履行安全监理责任情况;2、项目监理机构应如实、全面填写本表的内容,从安全监理技术措施上保证履行安全监理责任。3、随表应附相应安全监理规划、方案、措施等文件保存在项目监理机构(也可报建设单位、施工安全监督机构)。施工安全涉及强制性规定落实情况记录表安监A--03项目名称监理单位施工单位施工安全主控内容强制性规定的标准或规范及其条款号落实执行情况存在问题及整改记录:记录人:填表说明1、本表一式一份,由项目监理机构保存;监理单位、建设单位和安全监督机构及时检查,并考核项目监理机构履行安全监理责任情况;2、项目监理机构在监理过程中应如实、及时和全面填写本表的内容,以从国家法律、法规要求,和国家规范与标准的强制性条款方面保证履行安全监理责任。3、当工程涉及安全强制性标准或规范的条款不予落实或落实不充分时,监理应发出整改通知书,督促相关方限期改正,仍未能及时整改时应及时向建设单位和有关部门报告。安全监理专项活动登记表安监A--04项目名称监理机构施工单位序号活动名称参加人员情况与效果评价活动特别过程、情况及处理记录:记录人:填表说明1、本表一式一份,项目监理机构保存;监理单位、建设单位、安全监督机构及时检查,并考核项目监理机构履行安全监理责任情况;2、本表所称安全监理专项活动是指监理单位在所监理的工程项目上开展的安全专项分析评价、安全专项评审、安全专项处理、安全专题会议、安全专题学习培训等等;3、项目监理机构在日常监理工作中,应重视专项安全监理活动,并将所作的工作及成效填报本表,以体现监理水平和责任,对专项活动中发现的安全问题,及时签发整改通知单;4、安全监理专项活动的具体情况需要保持书面记录时,表后应另附相应资料。项目监理机构安全检查记录汇总表安监A--05项目名称监理单位施工单位序号检查日期形象进度存在安全隐患和整改要求情况文件编号、发出日期总监填表人填表说明1、本表一式一份,项目监理机构保存;监理单位、建设单位和安全监督机构及时检查,并考核项目监理机构履行安全监理责任情况;2、监理机构在实...

1、当您付费下载文档后,您只拥有了使用权限,并不意味着购买了版权,文档只能用于自身使用,不得用于其他商业用途(如 [转卖]进行直接盈利或[编辑后售卖]进行间接盈利)。
2、本站所有内容均由合作方或网友上传,本站不对文档的完整性、权威性及其观点立场正确性做任何保证或承诺!文档内容仅供研究参考,付费前请自行鉴别。
3、如文档内容存在违规,或者侵犯商业秘密、侵犯著作权等,请点击“违规举报”。

碎片内容

省建设工程安全监理统一用表

文章天下+ 关注
实名认证
内容提供者

各种文档应有尽有

确认删除?
VIP
微信客服
  • 扫码咨询
会员Q群
  • 会员专属群点击这里加入QQ群
客服邮箱
回到顶部