电脑桌面
添加小米粒文库到电脑桌面
安装后可以在桌面快捷访问

项目监理机构安全管理体系记录表汇总VIP专享VIP免费

项目监理机构安全管理体系记录表汇总_第1页
1/27
项目监理机构安全管理体系记录表汇总_第2页
2/27
项目监理机构安全管理体系记录表汇总_第3页
3/27
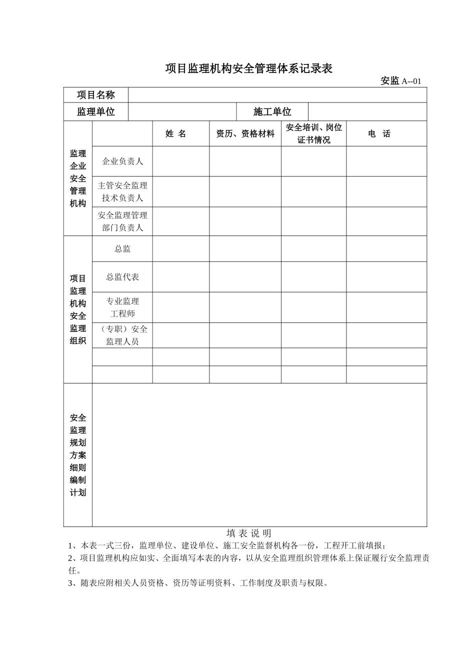
项目监理机构安全管理体系记录表安监A--01项目名称监理单位施工单位监理企业安全管理机构姓名资历、资格材料安全培训、岗位证书情况电话企业负责人主管安全监理技术负责人安全监理管理部门负责人项目监理机构安全监理组织总监总监代表专业监理工程师(专职)安全监理人员安全监理规划方案细则编制计划填表说明1、本表一式三份,监理单位、建设单位、施工安全监督机构各一份,工程开工前填报;2、项目监理机构应如实、全面填写本表的内容,以从安全监理组织管理体系上保证履行安全监理责任。3、随表应附相关人员资格、资历等证明资料、工作制度及职责与权限。安全监理规划、方案、细则编制与实施登记表安监A--02项目名称监理单位施工单位序号名称编制时间审批时间责任人备注(修改记录)实施情况与问题记录:记录人:填表说明1、本表一式一份,项目监理机构保存,以备监理单位、建设单位、安全监督机构检查;2、项目监理机构应如实、全面填写本表的内容,从安全监理技术措施上保证履行安全监理责任。3、随表应附相应安全监理规划、方案、细则等文件,并保存在项目监理机构。施工安全涉及强制性规定落实情况记录表安监A--03项目名称监理单位施工单位施工安全主控内容强制性规定的标准或规范及其条款号落实执行情况存在问题及整改记录:记录人:填表说明1、本表一式一份,由项目监理机构保存,以备监理单位、建设单位和安全监督机构检查;2、项目监理机构在监理过程中应如实、及时和全面填写本表的内容,以从国家法律、法规要求,和国家规范与标准的强制性条款方面保证履行安全监理责任。3、当工程涉及安全强制性标准或规范的条款不予落实或落实不充分时,监理应发出整改通知书,督促相关方限期改正,仍未能及时整改时应及时向建设单位和有关部门报告。安全监理专项活动登记表安监A--04项目名称监理机构施工单位序号活动名称参加人员情况与效果评价活动特别过程、情况及处理记录:记录人:填表说明1、本表一式一份,项目监理机构保存,以备监理单位、建设单位、安全监督机构检查;2、本表所称安全监理专项活动是指监理单位在所监理的工程项目上开展的安全专项分析评价、安全专项评审、安全专项处理、安全专题会议、安全专题学习培训等等;3、项目监理机构在日常监理工作中,应重视专项安全监理活动,并将所作的工作及成效填报本表,以体现监理水平和责任,对专项活动中发现的安全问题,及时签发整改通知单;4、安全监理专项活动的具体情况需要保持书面记录时,表后应另附相应资料。安全检查记录汇总表安监A--05项目名称监理单位施工单位序号检查日期形象进度存在安全隐患和整改要求情况文件编号、发出日期总监填表人填表说明1、本表一式一份,项目监理机构保存,以备监理单位、建设单位和安全监督机构检查;2、监理机构在实施安全监理过程中,应按照《建筑施工安全检查标准》进行一定的安全检查,将定量考核与定性分析相结合,对危险性较大的工程作业定期巡查,通过各种安全监理活动发现施工中的安全问题和隐患,并填写本表,跟踪落实存在的问题;3、每次安全检查应根据所检查的内容和范围设计检查记录表(如安监A-06、安监A-07、安监A-08等),本表后应附各次检查纪录,填表人应跟踪所填写安全问题或隐患的解决结果,定期向总监理工程师报告;4、安全检查及日常安全监理过程中,监理机构对存在的安全问题和安全隐患应及时签发整改通知,未能及时整改时应及时向建设单位和有关安全监督部门报告。施工安全技术方案、措施落实情况监理检查记录表安监A--06项目名称监理机构施工单位序号安全监理事项方案及审批手续程序是否完善实施过程安全交底是否充分督促实施及验收是否完善实施责任人是否明确存在问题记录1发包方与承包方签订的安全管理协议2总包方与分包方签定的安全协议书3总包方对分包方进场时的安全总交底4临时用电施工组织设计5桩基施工方案6特殊类脚手架施工方案7基坑施工方案8模板施工方案9塔吊搭、拆方案10人货电梯搭、拆方案11起重吊装方案12井架装、拆方案13落地操作平台搭、拆方案14悬挑钢平台施工方案15拆除爆破工程施工方案监理记录人:总监理工程师:填表说明1、本表一...

1、当您付费下载文档后,您只拥有了使用权限,并不意味着购买了版权,文档只能用于自身使用,不得用于其他商业用途(如 [转卖]进行直接盈利或[编辑后售卖]进行间接盈利)。
2、本站所有内容均由合作方或网友上传,本站不对文档的完整性、权威性及其观点立场正确性做任何保证或承诺!文档内容仅供研究参考,付费前请自行鉴别。
3、如文档内容存在违规,或者侵犯商业秘密、侵犯著作权等,请点击“违规举报”。

碎片内容

项目监理机构安全管理体系记录表汇总

确认删除?
VIP
微信客服
  • 扫码咨询
会员Q群
  • 会员专属群点击这里加入QQ群
客服邮箱
回到顶部