电脑桌面
添加小米粒文库到电脑桌面
安装后可以在桌面快捷访问

国内标施工机械一览表汇总VIP免费

国内标施工机械一览表汇总_第1页
1/58
国内标施工机械一览表汇总_第2页
2/58
国内标施工机械一览表汇总_第3页
3/58
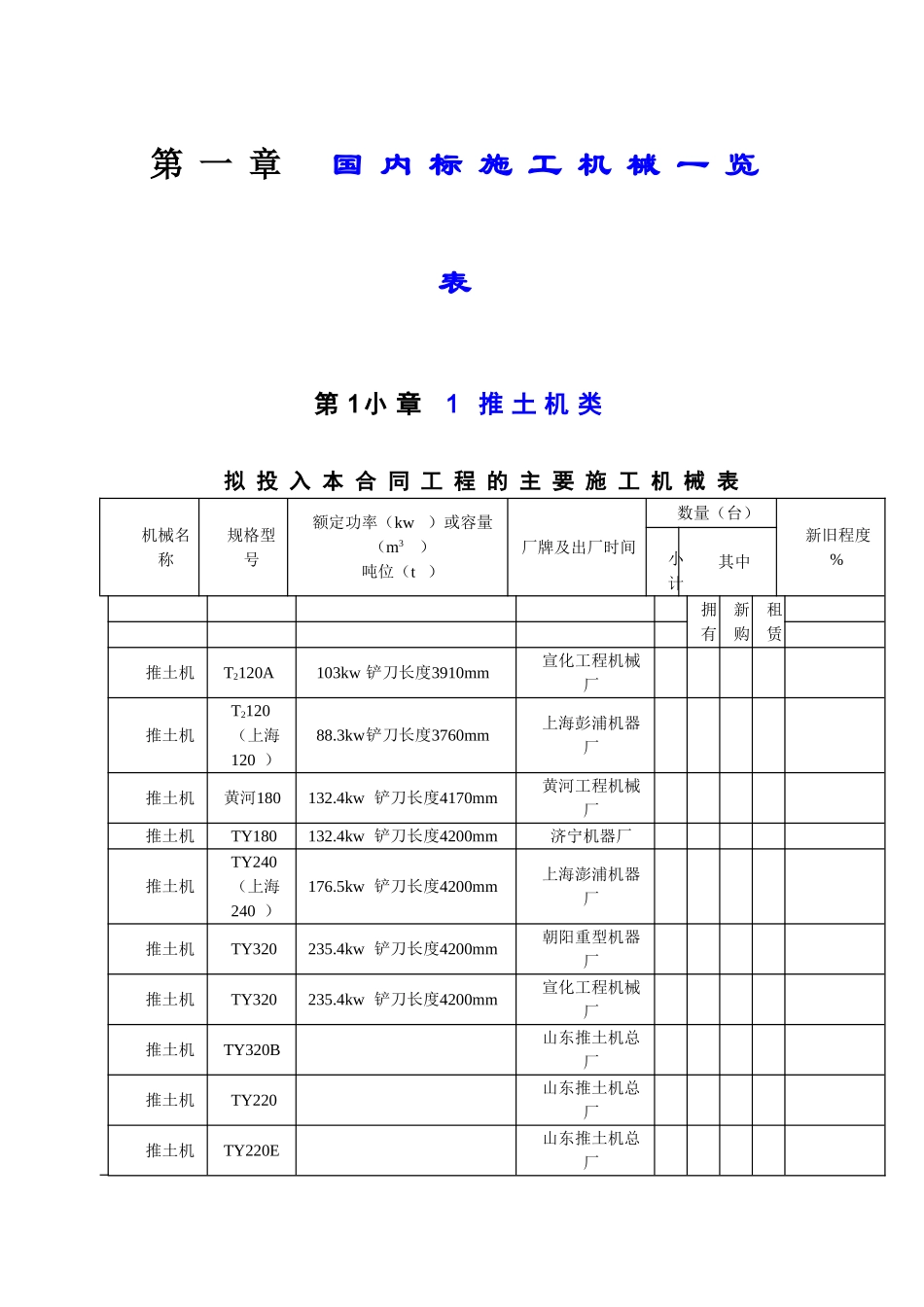
第一章国内标施工机械一览表第1小章1推土机类拟投入本合同工程的主要施工机械表机械名称规格型号额定功率(kw)或容量(m3)吨位(t)厂牌及出厂时间数量(台)新旧程度%小计其中拥有新购租赁推土机T2120A103kw铲刀长度3910mm宣化工程机械厂推土机T2120(上海120)88.3kw铲刀长度3760mm上海彭浦机器厂推土机黄河180132.4kw铲刀长度4170mm黄河工程机械厂推土机TY180132.4kw铲刀长度4200mm济宁机器厂推土机TY240(上海240)176.5kw铲刀长度4200mm上海澎浦机器厂推土机TY320235.4kw铲刀长度4200mm朝阳重型机器厂推土机TY320235.4kw铲刀长度4200mm宣化工程机械厂推土机TY320B山东推土机总厂推土机TY220山东推土机总厂推土机TY220E山东推土机总厂推土机TSY220山东推土机总厂推土机TMY220山东推土机总厂推土机T200山东推土机总厂推土机T160山东推土机总厂推土机TY160山东推土机总厂推土机TS160L山东推土机总厂推土机TL180A132kw生产率400m3/h郑州工程机械制造厂推土机T140-1102.97kw铲刀宽度3762mm宣化工程机械厂推土机移山-140102.96kw铲刀宽度3776mm天津建筑机械厂推土机T180132.39kw铲刀宽度4200mm黄河工程机械厂推土机D60A-6103kw生产率300m3/h日本小松制作所推土机D80A-18162kw生产率480m3/h日本小松制作所推土机D85A-18162kw生产率480m3/h日本小松制作所推土机D155A-1A235kw生产率700m3/h日本小松制作所推土机T180A132.39kw铲刀宽度4365mm黄河工程机械厂履带式机械推土机T200147.1kw铲刀宽度4365mm黄河工程机械厂履带式机械推土机T220161.81kw铲刀宽度4365mm黄河工程机械厂履带式液压机械推土机TY200147.1kw铲刀宽度4365mm黄河工程机械厂履带式液压机械推土机TY220161.81kw铲刀宽度4365mm黄河工程机械厂履带式液压机械推土机TY235(上海320)235.36kw铲刀宽度4130mm上海彭浦机器厂湿地推土机TS200(黄工牌)147.10kw铲刀宽度4750mm黄河工程机械厂湿地推土机TS200161.81kw铲刀宽度4365mm山东推土机总厂第2小章2装载机类表3拟投入本合同工程的主要施工机械表机械名称规格型号额定功率(kw)或容量(m3)吨位(t)厂牌及出厂时间数量(台)新旧程度%小计其中拥有新购租赁装载机ZL30C81kw1.7m3天工工程机械有限公司装载机ZL40B118kw2.25m3天工工程机械有限公司装载机ZL45A118kw3m3天工工程机械有限公司装载机ZL50C154.4kw3.75m3天工工程机械有限公司装载机ZL40124.95kw额定斗容量2m3厦门工程机械厂装载机ZL50154.45kw额定斗容量3m3厦门工程机械厂装载机ZL40117.68kw额定斗容量2m3柳州工程机械厂装载机ZL50154.45kw额定斗容量3m3柳州工程机械厂装载机ZL30A73.55kw额定斗容量1.5m3成都工程机械厂装载机ZL40A127kw铲斗容量2m3山东临沂工程机械厂装载机ZL40A125kw铲斗容量2m3徐州工程机械制造厂装载机ZL40B117.7kw铲斗容量2.2m3柳州工程机械厂装载机ZL45119kw铲斗容量2.5m3天津工程机械厂装载机ZL50185kw铲斗容量3m3山东临沂工程机械厂装载机ZL50154.5kw铲斗容量3m3郑州工程机械厂装载机ZL55(KLD85Z)160kw铲斗容量3.1m3徐州装载机厂装载机ZL60172.8kw铲斗容量3.1m3宜春工程机械厂装载机ZL90294.2kw铲斗容量5m3柳州工程机械厂第3小章3挖掘机表3拟投入本合同工程的主要施工机械表机械名称规格型号额定功率(kw)或容量(m3)吨位(t)厂牌及出厂时间数量(台)新旧程度%小计其中拥有新购租赁液压挖掘机KOMATSUPC200-6128马力铲斗容量0.8m3小松山推工程机械有限公司液压挖掘机KOMATSUPC200LC-6128马力铲斗容量0.8m3小松山推工程机械有限公司液压挖掘机KOMATSUPC220-6153马力铲斗容量1.0m3小松山推工程机械有限公司液压挖掘机KOMATSUPC220LC-6153马力铲斗容量1.0m3小松山推工程机械有限公司履带式挖掘机WY20274kw铲斗容量0.65~1.4m3长江挖掘机厂履带式挖掘机WY100110kw铲斗容量1.0~1.6m3上海建筑机械厂履带式挖掘机WY252113kw铲斗容量0.8~1.8m3长江挖掘机厂履带式挖掘机WY125112kw铲斗容量1.25m3贵阳矿山机器厂履带式挖掘机WY160130.6kw铲斗容量1.6m3长江挖掘机厂履带式挖掘机WY452149kw铲斗容量2.0m3长江挖掘机厂履带WY712233kw铲斗容量长江挖掘机厂式挖掘机1.6~4m3轮胎式挖掘机WLY100112kw铲斗容...

1、当您付费下载文档后,您只拥有了使用权限,并不意味着购买了版权,文档只能用于自身使用,不得用于其他商业用途(如 [转卖]进行直接盈利或[编辑后售卖]进行间接盈利)。
2、本站所有内容均由合作方或网友上传,本站不对文档的完整性、权威性及其观点立场正确性做任何保证或承诺!文档内容仅供研究参考,付费前请自行鉴别。
3、如文档内容存在违规,或者侵犯商业秘密、侵犯著作权等,请点击“违规举报”。

碎片内容

国内标施工机械一览表汇总

您可能关注的文档

确认删除?
VIP
微信客服
  • 扫码咨询
会员Q群
  • 会员专属群点击这里加入QQ群
客服邮箱
回到顶部