电脑桌面
添加小米粒文库到电脑桌面
安装后可以在桌面快捷访问

东风日产专营店试乘试驾车管理办法VIP免费

东风日产专营店试乘试驾车管理办法_第1页
1/5
东风日产专营店试乘试驾车管理办法_第2页
2/5
东风日产专营店试乘试驾车管理办法_第3页
3/5
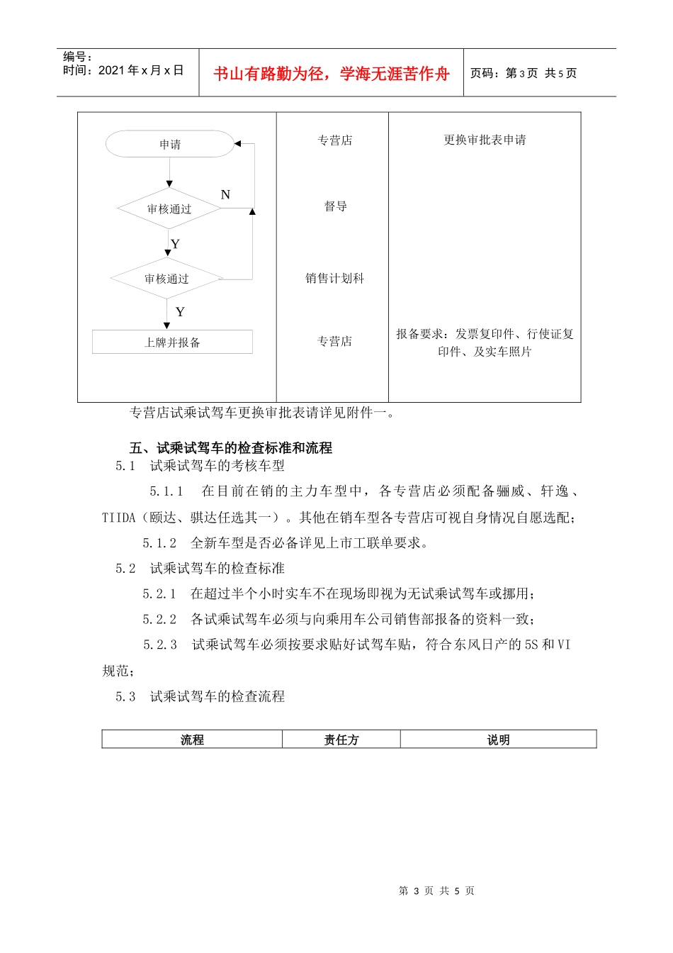
第1页共5页编号:时间:2021年x月x日书山有路勤为径,学海无涯苦作舟页码:第1页共5页东风日产专营店试乘试驾车管理办法(第四版)2007年12月根据《东风日产专营店商务规定》4.5之规定,专营店必须购买试乘试驾车,为了保证此规定的执行,作为对商务规定的补充,特制定本办法,本办法自公布之日起正式执行,原试乘试驾管理办法自本办法公布之日起作废。一、试乘试驾车的申请及购买:1.1东风日产专营店在东风日产乘用车公司新车型(小改型车除外)上市后两个月内必须办理乘用车公司所要求的试乘试驾车,同时把试乘试驾车资料报备到销售计划科;1.2东风日产专营店直营二级网点(仅限于乘用车公司经销商支持部进行正式验收通过的直营二级网点)可视销售需要购买试乘试驾车,但限于东风日产乘用车公司在销车型的主力车型;1.3新建店经正式验收开始营业后(以通知营业的工作联络单时间为准),对东风日产乘用车公司在销车型,应在正式营业第一个月内购买试乘试驾车,并在第二个月内向销售部销售计划科报备资料;1.4专营店购买的试乘试驾车应为东风日产乘用车指定车型,试乘试驾车车型的配置要求以销售部工联单通知为准;1.5试乘试驾车采购按照正常的车辆采购程序进行;1.6试乘试驾车车主应为营业执照上公司注册名称或专营店总经理。二、试乘试驾车的资料报备及结算:2.1专营店应在试乘试驾车上牌后及时向销售部销售计划科报备资料,报备资料包括行驶证复印件、发票复印件、正面车辆照片(可看清车牌号)、侧面车辆照片(应看到试乘试驾车贴),直营二级网点试乘试驾车报备时在报备资料上注明直营二级网点;2.2东风日产销售部每年的3月、6月、9月、12月分四次对每次前5至前2个月期间上牌的试乘试驾车(以车辆行使证上的上牌时间为准)进行结算,每个结算期内车辆所允许的上牌时间期限及资料报备截止时间如下表。对于未能及时进行试乘试驾车资料报备的专营店,销售部有权不予结算;结算时间本次结算车辆允许的上牌时间期限资料报备截止时间3月在上年11月至本年1月间上牌的试乘试驾车2月10日6月在本年2月至本年4月间上牌的试乘试驾车5月10日9月在本年5月至本年7月间上牌的试乘试驾车8月10日12月在本年8月至本年10月间上牌的试乘试驾车11月10日2.3对符合东风日产试乘试驾车所要求车型的试乘试驾车,销售部在对专营店报送资料进行审核后,将按东风日产乘用车公司规定的优惠办法或第2页共5页第1页共5页编号:时间:2021年x月x日书山有路勤为径,学海无涯苦作舟页码:第2页共5页优惠价格进行结算;2.4原则上试乘试驾车优惠价格都为市场指导价的8折(该价格不另行通知),对于其他特殊的优惠价格,以销售部下发的工联单为准;2.5试乘试驾车购买首先按照正常的车辆采购价进行,差额的优惠补贴在我部进行结算后统一返还到专营店提车款中;2.6专营店可享受优惠补贴的试乘试驾车每种车型仅限一台,有直营二级网点专营店可以以直营二级网点的名义对每种车型再享受一台;2.7对专营店开具的试乘试驾车发票价格销售部没有强制要求,但专营店须保证该发票价格能够在车管所正常上牌和避免产生工商税务等问题;三、试乘试驾车的使用及管理:3.1东风日产专营店必须将试乘试驾车按要求摆放在展厅前或专营店专门设置的试乘试驾车车位,试乘试驾车必须符合东风日产的5S和VI要求,并按照试乘试驾车要求贴好试乘试驾车车贴;3.2专营店必须将试乘试驾车用于给客户提供试乘及试驾体验,不得挪做它用;3.3试乘试驾车使用超过一年或行驶里程超过30000公里,专营店可视自身情况向乘用车公司申请更换新的试乘试驾车,该更换试乘试驾车同样享受试乘试驾车优惠;3.4未向销售计划科申请更换或者退役的试驾车,将视为自动延期,该车必须保留在专营店上继续作为试驾车使用,不得挪用或擅自处理。3.5禁止使用非试乘试驾车(如商品车、事故车等)代替试乘试驾车提供给客户进行试乘试驾体验;3.6禁止对在用试乘试驾车进行转让和销售。在配备好新的试乘试驾车并进行相关报备后,专营店才可以对原有的试乘试驾车进行处理。四、试乘试驾车的更换4.1到期需换购试乘试驾车的专营店需事先将专营店试乘试驾车更换审批表向销售部销售计划科提...

1、当您付费下载文档后,您只拥有了使用权限,并不意味着购买了版权,文档只能用于自身使用,不得用于其他商业用途(如 [转卖]进行直接盈利或[编辑后售卖]进行间接盈利)。
2、本站所有内容均由合作方或网友上传,本站不对文档的完整性、权威性及其观点立场正确性做任何保证或承诺!文档内容仅供研究参考,付费前请自行鉴别。
3、如文档内容存在违规,或者侵犯商业秘密、侵犯著作权等,请点击“违规举报”。

碎片内容

东风日产专营店试乘试驾车管理办法

确认删除?
VIP
微信客服
  • 扫码咨询
会员Q群
  • 会员专属群点击这里加入QQ群
客服邮箱
回到顶部