电脑桌面
添加小米粒文库到电脑桌面
安装后可以在桌面快捷访问

业界技术发展趋势——逆变器拓扑结构发展趋势VIP免费

业界技术发展趋势——逆变器拓扑结构发展趋势_第1页
1/6
业界技术发展趋势——逆变器拓扑结构发展趋势_第2页
2/6
业界技术发展趋势——逆变器拓扑结构发展趋势_第3页
3/6
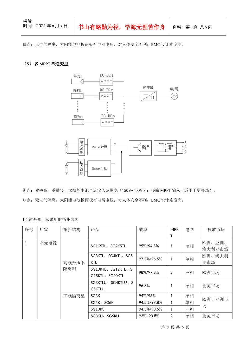
第1页共6页编号:时间:2021年x月x日书山有路勤为径,学海无涯苦作舟页码:第1页共6页业界技术发展趋势——逆变器拓扑结构发展趋势Simon.H1光伏并网逆变器拓扑结构发展趋势在光伏并网发电系统中,逆变器作为光伏阵列与电网的接口设备,其拓扑结构决定着整个系统的效率和成本,是影响系统经济可靠运行的关键因素.由于光伏并网逆变器的结构拓扑种类众多、性能特点各异,其原理分析和性能比较,对于拓扑结构的合理选择、提高系统效率和降低生产成本有着极其重要的意义.1.1五种常见拓扑结构类型目前,市场上常见的逆变器拓扑结构按照频率及有无变压器分,可简单分为以下五种类型:(1)直接逆变型优点:没有工频变压器,重量轻,效率高(>97%),结构简单,成本低。缺点:交、直流之间无电气隔离,太阳能电池板两极有电网电压,对人体安全不利;MPPT直流输入电压,即太阳能电池板输出电压要大于350V,提高了系统的绝缘要求,容易出现漏电现象。(2)工频隔离型第2页共6页第1页共6页编号:时间:2021年x月x日书山有路勤为径,学海无涯苦作舟页码:第2页共6页优点:工频变压器隔离,安全性能良好;结构简单,可靠性高,抗冲击性能好;直流侧MPPT输入电压一般在200V~800V。缺点:系统效率低,笨重。(3)高频隔离型优点:高频电气隔离,重量轻,效率在93%左右。缺点:由于高频隔离环节(DC-AC-DC)功率等级较小,此结构适合于5kW以下机型;EMC设计难度高;系统抗冲击性差。(4)高频升压不隔离型优点:效率高,重量轻,太阳能电池直流输入范围宽(150V~500V)。第3页共6页第2页共6页编号:时间:2021年x月x日书山有路勤为径,学海无涯苦作舟页码:第3页共6页缺点:无电气隔离,太阳能电池板两极有电网电压,对人体安全不利;EMC设计难度高。(5)多MPPT单逆变型优点:效率高,重量轻,太阳能电池直流输入范围宽(150V~500V);多路MPPT输入,适用于更多场合。缺点:无电气隔离,太阳能电池板两极有电网电压,对人体安全不利;EMC设计难度高。1.2逆变器厂家采用的拓扑结构序号厂家拓扑结构产品效率MPPT电网投放市场1阳光电源高频升压不隔离型SG1K5TL、SG2K5TL95%/94.5%1单相欧洲、亚洲、澳大利亚市场SG3KTL、SG4KTL、SG5KTL97.3%/96.5%1单相欧洲、澳大利亚市场SG10KTL、SG12KTL、SG15KTL、SG20KTL98%/97.3%2三相欧洲市场SG3KTLU、SG4KTLU、SG5KTLU96.8%1单相北美市场工频隔离型SG3K94%/93%1单相欧洲、亚洲市场SG5K、SG6K94.5%/93.8%1单相SG10K394.5%/93.5%1三相SG3KU、SG6KU93%~93.8%2单相北美市场第4页共6页第3页共6页编号:时间:2021年x月x日书山有路勤为径,学海无涯苦作舟页码:第4页共6页SG50KU、SG50KC96.2%1三相北美市场2江苏艾索高频升压不隔离型EversolTL1500AS、TL2000AS、TL2500AS、TL3200、TL4000、TL460097.6%/96.7%1单相欧洲、澳大利亚市场EversolTL540097.6%/96.7%2单相欧洲、澳大利亚市场EversolTLC10K、TLC12K、TLC15K、TLC17K98%/97.5%2三相欧洲市场高频隔离型EversolHF1500、HF200096%/95.5%1单相澳大利亚市场3SMA高频升压不隔离型SUNNYBOY1600TL、2100TL96.0%/95.2%1单相欧洲、澳大利亚市场SUNNYBOY3000TL、4000TL、5000TL97.0%/96.5%1、2单相欧洲、亚洲、澳大利亚市场SunnyBoy8000TL-US、9000TL-US、10000TL-US98.3%/98%1单/两相北美市场SUNNYMINICENTRAL6000TL、7000TL、8000TL98%/97.7%1单相欧洲、澳大利亚市场SUNNYMINICENTRAL9000TL、10000TL、11000TL、97.7%/97.2%1单相欧洲、亚洲市场SUNNYTRIPOWER8000TL、10000TL、12000TL、15000TL、17000TL98.2%/97.8%2三相欧洲、澳大利亚市场工频隔离型SunnyBoy1200、1700、2500、300092.1%~95%/90%~93.6%1单相欧洲、亚洲、澳大利亚市场SunnyBoy3300、380095.6%/94.7%1单相欧洲市场SunnyMiniCentral4600A、5000A、6000A96.1%/95.3%1单相欧洲、澳大利亚市场SunnyMiniCentral7000HV96.2%/95.5%1单相欧洲、澳大利亚市场SunnyBoy700-US93.6%/91.5%1单/两相北美市场SunnyBoy3000-US、3800-US、4000-US96.8%/96%1单/两相第5页共6页第4页共6页编号:时间:2021年x月x日书山有路勤为径,学海无涯苦作舟页码:第5页共6页SunnyBoy5...

1、当您付费下载文档后,您只拥有了使用权限,并不意味着购买了版权,文档只能用于自身使用,不得用于其他商业用途(如 [转卖]进行直接盈利或[编辑后售卖]进行间接盈利)。
2、本站所有内容均由合作方或网友上传,本站不对文档的完整性、权威性及其观点立场正确性做任何保证或承诺!文档内容仅供研究参考,付费前请自行鉴别。
3、如文档内容存在违规,或者侵犯商业秘密、侵犯著作权等,请点击“违规举报”。

碎片内容

业界技术发展趋势——逆变器拓扑结构发展趋势

您可能关注的文档

中小学文库+ 关注
实名认证
内容提供者

精品资料应用尽有

确认删除?
VIP
微信客服
  • 扫码咨询
会员Q群
  • 会员专属群点击这里加入QQ群
客服邮箱
回到顶部