电脑桌面
添加小米粒文库到电脑桌面
安装后可以在桌面快捷访问

【企业管理】运作流程VIP免费

【企业管理】运作流程_第1页
1/6
【企业管理】运作流程_第2页
2/6
【企业管理】运作流程_第3页
3/6
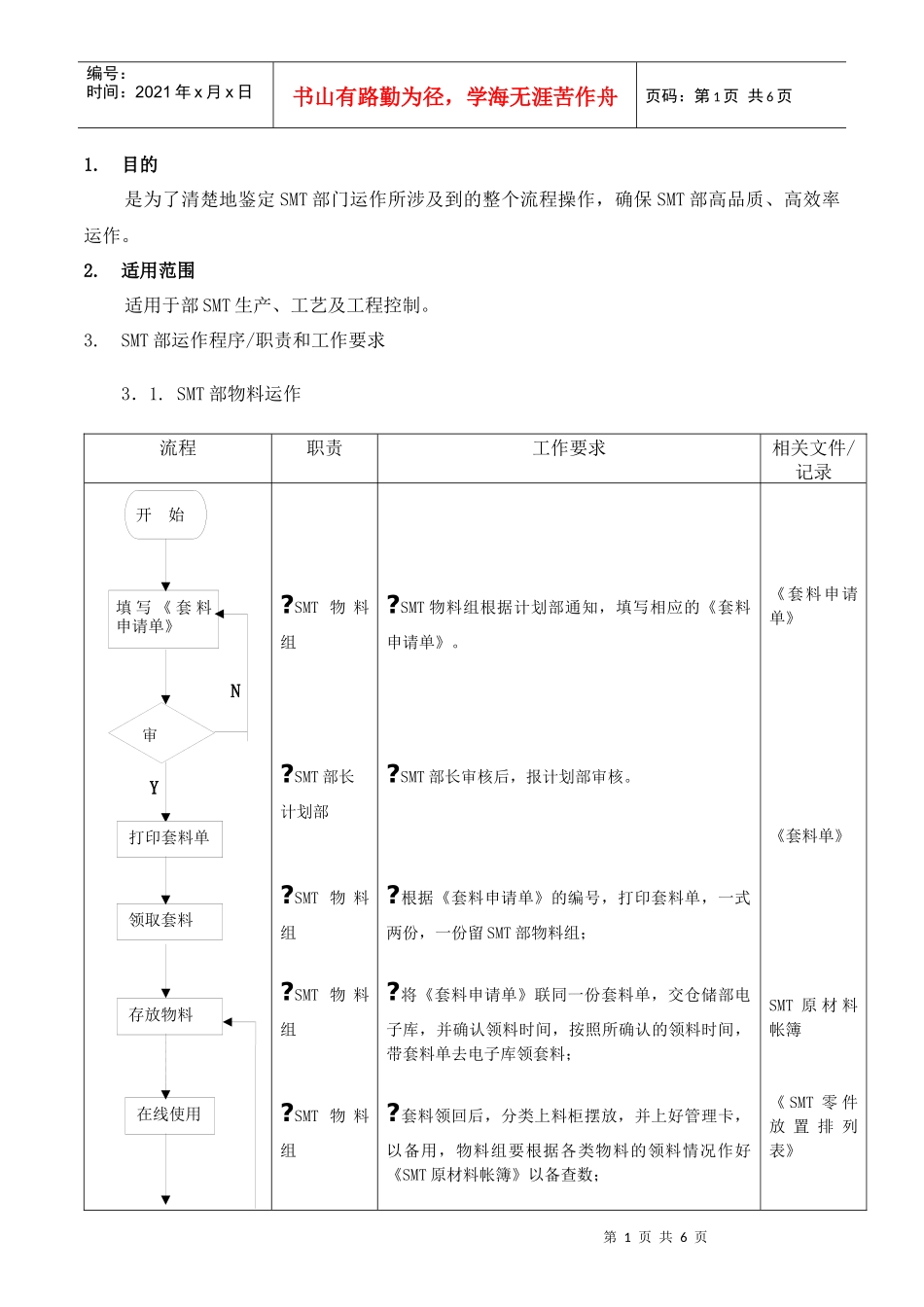
第1页共6页编号:时间:2021年x月x日书山有路勤为径,学海无涯苦作舟页码:第1页共6页1.目的是为了清楚地鉴定SMT部门运作所涉及到的整个流程操作,确保SMT部高品质、高效率运作。2.适用范围适用于部SMT生产、工艺及工程控制。3.SMT部运作程序/职责和工作要求3.1.SMT部物料运作流程职责工作要求相关文件/记录NY?SMT物料组?SMT部长计划部?SMT物料组?SMT物料组?SMT物料组?SMT物料组根据计划部通知,填写相应的《套料申请单》。?SMT部长审核后,报计划部审核。?根据《套料申请单》的编号,打印套料单,一式两份,一份留SMT部物料组;?将《套料申请单》联同一份套料单,交仓储部电子库,并确认领料时间,按照所确认的领料时间,带套料单去电子库领套料;?套料领回后,分类上料柜摆放,并上好管理卡,以备用,物料组要根据各类物料的领料情况作好《SMT原材料帐簿》以备查数;《套料申请单》《套料单》SMT原材料帐簿《SMT零件放置排列表》填写《套料申请单》审开始打印套料单领取套料存放物料在线使用第2页共6页第1页共6页编号:时间:2021年x月x日书山有路勤为径,学海无涯苦作舟页码:第2页共6页?操作员?各生产线领用时,需签字认可所领用的数量。——各生产线在完成工单后,要向物料组报告物料损耗情况。流程职责工作要求相关文件/记录第3页共6页第2页共6页编号:时间:2021年x月x日书山有路勤为径,学海无涯苦作舟页码:第3页共6页NYYNNY?IPQC操作员?技术人员操作员?操作员SMT物料组?SMT物料组?计划部?SMT物料组?根据《SMT零件放置排列表》核对在线物料。?记录《MVIIF每日生产效率及组件抛料记录表》,跟进抛料情况。?将好料存仓,分类保管。?物料报废,将由各生产线写好字据,并由当班负责人签字后交由物料组处理,物料组收到报废物料及单据后,要整理分类,再填写退料单,?经计划部审核后交回仓储部电子库?在报废料交回仓储部电子库的同时,要开《零星领料单》领回同样数量的同种物料。《MVIIF每日生产效率及组件抛料记录表》《退料单》《零星领料单》检查贴片生产退报废料及补损耗审核电子库补料结束检查退第4页共6页第3页共6页编号:时间:2021年x月x日书山有路勤为径,学海无涯苦作舟页码:第4页共6页3.2.SMT部生产管理流程职责工作要求相关文件/记录?生产课长?操作员?技术人员操作员?操作员?SMT生产安排以生产计划部下达的《周计划》为参考,以生产计划部下达的《日生产指令书》为依据,具体安排各线的生产;?各生产线在明确自己的生产安排后,要及时向物料组领取相应的物料及生产辅料,并通知相关技术人员,调试所在生产线的各种机器设备;?调试所在生产线的各种机器设备;?生产线领班需在上料员排好料后,要按照《SMT零件放置排列表》核对一次;——核对一次无误后,通知技术人员可开始生产首件,所生产的首件要及时由领班送交品管部检验员进行首件确认,确认无误后,即可开机生产;——在开机生产过程中,所有作业员均应按照《岗位作业指导员》和《机器操作使用说明》正确操作机器,特别是在换料时,要按要求填写《SMT生产人员换料登记表》;?当班结束后,要清点产出及物料情况,与下一班人员进行交接,交接清楚后,进行换班;——将产出情况汇报当班组长,由当班组长汇总后,报至文员处,由文员填写《SMT生产日报表》经SMT主管审核后,报生产计划部;——SMT部文员在接到报表后,除填写《SMT部生产日报表》以外,还要对生产情况进行总结和生产《周计划》《日生产指令书》《SMT零件放置排列表》《SMT生产人员换料登记表》;《SMT生产日报表》生产安排领取物料及辅料上线生产生产安排开始完成单班次生产安排结束第5页共6页第4页共6页编号:时间:2021年x月x日书山有路勤为径,学海无涯苦作舟页码:第5页共6页效率评分,以备月底“双优”竞赛评比时所用;——SMT部的当班组长要对本班各生产线的出勤和“5S”进行负责。3.3.SMT部工艺控制及技术支持流程职责工作要求相关文件/记录第6页共6页第5页共6页编号:时间:2021年x月x日书山有路勤为径,学海无涯苦作舟页码:第6页共6页?程序员?工艺技术员?技术人员?技术人员操作员?根据生产的安排准备相应的程序。?根据PCB调试炉温曲...

1、当您付费下载文档后,您只拥有了使用权限,并不意味着购买了版权,文档只能用于自身使用,不得用于其他商业用途(如 [转卖]进行直接盈利或[编辑后售卖]进行间接盈利)。
2、本站所有内容均由合作方或网友上传,本站不对文档的完整性、权威性及其观点立场正确性做任何保证或承诺!文档内容仅供研究参考,付费前请自行鉴别。
3、如文档内容存在违规,或者侵犯商业秘密、侵犯著作权等,请点击“违规举报”。

碎片内容

【企业管理】运作流程

您可能关注的文档

确认删除?
VIP
微信客服
  • 扫码咨询
会员Q群
  • 会员专属群点击这里加入QQ群
客服邮箱
回到顶部