电脑桌面
添加小米粒文库到电脑桌面
安装后可以在桌面快捷访问

高压电机供货合同VIP免费

高压电机供货合同_第1页
1/14
高压电机供货合同_第2页
2/14
高压电机供货合同_第3页
3/14
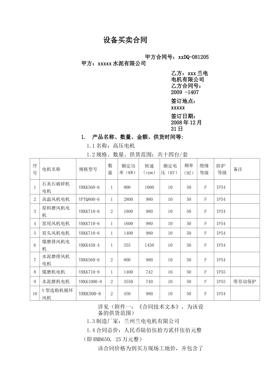
xxxxxxx泥有限公司4800t/d熟料水泥生产线工程合同设备名称:高压电机(14台)合同编号甲方:xxDQ-081205乙方:2009-1407甲方:xxx水泥有限公司乙方:兰州电机有限责任公司xxx年十二月设备买卖合同甲方合同号:xxDQ-081205甲方:xxxxx水泥有限公司乙方:xxx兰电电机有限公司乙方合同号:2009-1407签订地点:xxxxx签订日期:2008年12月31日1.产品名称、数量、金额、供货时间等:1.1名称:高压电机1.2规格、数量、供货范围:共十四台/套序号电机名称规格型号数量额定功率(KW)转速(rpm)额定电压(KV)频率(HZ)绝缘等级防护等级备注1石灰石破碎机电机YRKK560-6190010001050FIP542高温风机电机YPTQ800-6128009801050FIP543原料磨风机电机YRKK710-6218009801050FIP544窑尾风机电机YRKK710-6116009801050FIP545窑头风机电机YRKK710-6114009801050FIP546煤磨排风机电机YRKK450-4135514501050FIP547水泥磨排风机电机YRKK560-628009801050FIP548煤磨机电机YRKK710-8114007421050FIP559水泥磨机电机YRKK1000-8235507401050FIP55带差动保护10V型选粉机循环风机YRKK500-624509801050FIP54详见(附件一:《合同技术文本》,为该设备的供货范围)1.3制造厂家:兰州兰电电机有限公司1.4合同总价:人民币陆佰伍拾万贰仟伍佰元整(即RMB650.25万元整)该合同价格为到买方现场工地价,并包含了设备、技术资料、技术服务和技术培训的价格和其他全部费用。1.5交货时间:合同生效该设备五个月送至交货地点,即设备到施工现场工地时间是2009年5月20日前。1.6交货要求:1.6.1交货时应有产品质量合格证(包括外购件合格证);1.6.2卖方应在交货前一周内将交货清单一式两份,由特快专递邮寄至买方。交货清单内容应包括:合同编号、部件名称、装箱件数、包装形式、箱号、外形尺寸、净重、毛重、吊装注意事项等;1.6.3交货时间指合同产品全部到达买方指定的交货地点的时间;1.6.4卖方应在发货后24小时内,将发出的产品合同号、名称、箱件数、包装形式、单重、总重传真给买方,以便做好接货的准备工作。2.质量要求、技术标准:2.1质量要求:本合同产品应符合和达到该产品各项性能指标的技术参数;2.2技术标准:详见(附件:《高压电机技术参数及要求》);3.交货地点、方式:3.1交货地点:xxx有限公司施工工地现场。3.2交货方式:车板交货。4.运输方式及费用负担:4.1运输方式:卖方选择合理的运输方式。4.2费用负担:运输费用(含保险)已包含在合同总价中。5.包装标准、包装要求和包装物的供应与回收:5.1包装标准应满足JB/ZQ4286-86《包装通用技术条件》和卖方企业标准的规定,产品包装必须适合进行长途运输及多次搬运;5.2未包装或包装不当,造成产品损坏、缺件、质量下降及产品其它质量事故,卖方应承担责任并及时给予解决,费用由卖方承担。5.3卖方在包装箱或裸件上必须醒目地标明下列内容:产品名称、型号、规格、重量(净重/毛重)、外形尺寸(长X宽X高)、起吊部位标志和运输途中的注意事项及有关安全图形标识(如向上、防水等标识)等;5.4产品包装必须有防锈蚀、防潮措施,大型裸体件和易变形产品应按规定装箱或装车并应有相应的防变形垫板、支撑及拉筋,组装件应有明显、准确的组装、对接标记;5.5包装物由卖方负责供应,不回收,费用已包含在总价中;5.6每个包装箱内应设一个塑料袋(密封防雨),内装装箱单一式二份;箱内产品应挂标签(要牢固),标签所列内容应与装箱单相符,装箱清单的内容包括:箱内各种零部件的名称、规格、型号、数量、单重及本箱货物的毛重等。6.验收标准、方法:6.1验收标准:按本合同的规定执行;6.2开箱检验:6.2.1产品到达买方安装现场后两个星期内,买、卖双方根据合同规定,对其包装、数量及外观质量进行开箱检验;6.2.2若卖方接到买方关于货到现场验收的通知后不能按期到达现场的,买方有权自行进行开箱检验,卖方对买方所查的缺陷、缺件应认可,并承担全部责任和由此造成的费用。6.3卖方在收到买方的索赔声明后,应72小时内予以调换或补缺。卖方若对买方的声明有任何疑义,必须在收到声明的两周内确认并回复。两周后索赔声明将被视作生效。6.4产品质保期为调试...

1、当您付费下载文档后,您只拥有了使用权限,并不意味着购买了版权,文档只能用于自身使用,不得用于其他商业用途(如 [转卖]进行直接盈利或[编辑后售卖]进行间接盈利)。
2、本站所有内容均由合作方或网友上传,本站不对文档的完整性、权威性及其观点立场正确性做任何保证或承诺!文档内容仅供研究参考,付费前请自行鉴别。
3、如文档内容存在违规,或者侵犯商业秘密、侵犯著作权等,请点击“违规举报”。

碎片内容

高压电机供货合同

您可能关注的文档

确认删除?
VIP
微信客服
  • 扫码咨询
会员Q群
  • 会员专属群点击这里加入QQ群
客服邮箱
回到顶部