电脑桌面
添加小米粒文库到电脑桌面
安装后可以在桌面快捷访问

阀门有限公司质量手册doc42)VIP免费

阀门有限公司质量手册doc42)_第1页
1/33
阀门有限公司质量手册doc42)_第2页
2/33
阀门有限公司质量手册doc42)_第3页
3/33
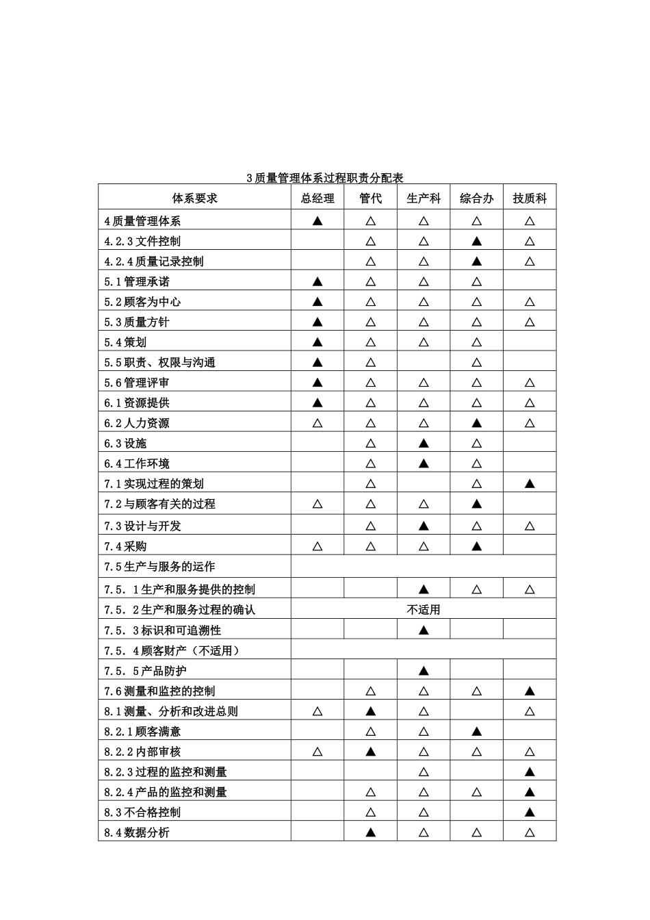
目录0审批令-----------------------------------------------21.简介------------------------------------------------22组织图------------------------------------------------33质量管理体系过程职责分配表-----------------------------44.质量管理体系------------------------------------------44.1文件控制程序----------------------------------------64.2质量记录管理程序----------------------------------95.0管理职责------------------------------------------105.1质量方针------------------------------------------105.2管理策划控制程序------------------------------------115.3职责和权限------------------------------------------125.4管理评审控制程序------------------------------------156.0资源管理--------------------------------------------166.1人力资源-------------------------------------------176.2设施和工作环境控制程序------------------------------187.0产品实现-------------------------------------------237.1实现过程的策划程序---------------------------------237.2顾客相关过程控制程序-------------------------------247.3设计和/或开发------------------------------247.4采购控制程序---------------------------------------257.5生产和服务的运作控制程序----------------------------267.6测量和监控装置的控制程序----------------------------298.0测量、分析和改进-----------------------------------308.1顾客满意度测量程序----------------------------------318.2内部审核程序----------------------------------------328.3过程和产品测量和监控程序----------------------------338.4不合格控制程序--------------------------------------348.5数据分析控制程序------------------------------------358.6改进控制程序----------------------------------------36附一:质量目标------------------------------------------37附二:生产工艺流程图----------------------------------38审批令ISO9001:2000质量手册由管理者代表组织编写、审核,总经理批准。本手册依据ISO9001:2000与本公司生产经营的实际情况编写,总经理批准后实施.本手册是本公司质量体系纲领性文件和最低限度的质量管理体系要求。本手册自发行日开始实施,全体员工必须贯彻执行。正式授权任命李国良为管理者代表,执行质量手册内容各项要求。总经理:日期:1.0简介企业创立日期:1990年11月企业注册资本:270万企业介绍:本企业是一家专业和生产不锈钢阀门等的民营企业。本公司实力雄厚,生产技术先进,产品为专利产品。本公司生产设备齐全、先进。为产品质量的稳定提供了有力的保障。本公司有专业技术人员多人。保障了产品生产技术的进步要求。企业地址:台州市路桥区电话:0576—2470223传真:0576—2470223邮政编码:318050企业本公司房面积:一千五百平方米主要产品:不锈钢阀门等主要客户:国内及国际市场2组织图本公司长财务科管理者代表技质科综合办生产科检验组技术室采购人事文档仓储销售生产车间3质量管理体系过程职责分配表体系要求总经理管代生产科综合办技质科4质量管理体系▲△△△△4.2.3文件控制△△▲△4.2.4质量记录控制△△▲△5.1管理承诺▲△△△5.2顾客为中心▲△△△△5.3质量方针▲△△△△5.4策划▲△△△5.5职责、权限与沟通▲△△5.6管理评审▲△△△△6.1资源提供▲△△△△6.2人力资源△△△▲△6.3设施△▲△6.4工作环境△▲△7.1实现过程的策划△△▲7.2与顾客有关的过程△△△▲7.3设计与开发△▲△△7.4采购△△△▲7.5生产与服务的运作7.5.1生产和服务提供的控制▲△△7.5.2生产和服务过程的确认不适用7.5.3标识和可追溯性▲7.5.4顾客财产(不适用)7.5.5产品防护▲7.6测量和监控的控制△△△▲8.1测量、分析和改进总则△▲△△8.2.1顾客满意△△▲8.2.2内部审核△▲△△△8.2.3过程的监控和测量△▲8.2.4产品的监控和测量△△△▲8.3不合格控制△△▲8.4数据分析▲△△△8.5改进...

1、当您付费下载文档后,您只拥有了使用权限,并不意味着购买了版权,文档只能用于自身使用,不得用于其他商业用途(如 [转卖]进行直接盈利或[编辑后售卖]进行间接盈利)。
2、本站所有内容均由合作方或网友上传,本站不对文档的完整性、权威性及其观点立场正确性做任何保证或承诺!文档内容仅供研究参考,付费前请自行鉴别。
3、如文档内容存在违规,或者侵犯商业秘密、侵犯著作权等,请点击“违规举报”。

碎片内容

阀门有限公司质量手册doc42)

中小学文库+ 关注
实名认证
内容提供者

精品资料应用尽有

确认删除?
VIP
微信客服
  • 扫码咨询
会员Q群
  • 会员专属群点击这里加入QQ群
客服邮箱
回到顶部