电脑桌面
添加小米粒文库到电脑桌面
安装后可以在桌面快捷访问

NO23_文书档案管理制度VIP专享VIP免费

NO23_文书档案管理制度_第1页
1/58
NO23_文书档案管理制度_第2页
2/58
NO23_文书档案管理制度_第3页
3/58
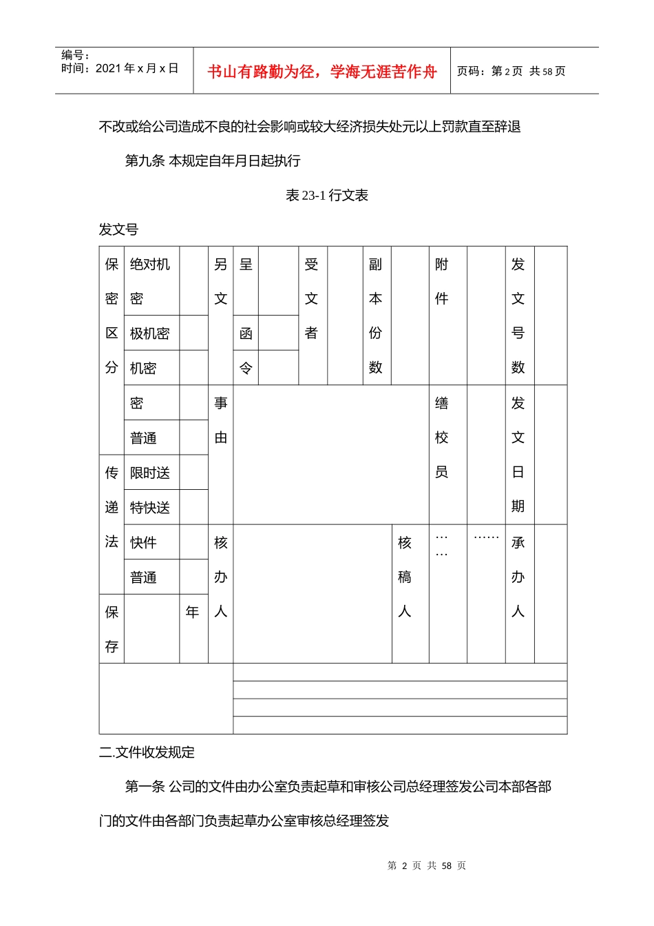
第1页共58页编号:时间:2021年x月x日书山有路勤为径,学海无涯苦作舟页码:第1页共58页第二十三章文书档案管理制度在很多企业尤其是中小公司看来会议文书档案的管理制度可有可无影响不大其实不然即使一个再小的公司如果对这些看似琐碎的方方面面失于管理就会使公司的运作陷入一种无序的状态长此以往公司的管理势必陷入混乱因此要想避免这种后果必须掌握以下几个方面一.文印室管理规定第一条为了加强公司的文件管理特制定本规定第二条公司的文件有打印必要时方予打印内部传递的简单请示报告或其他不需打印的文件一般不予打印第三条公司发文需由起草人定稿抄正经有批准发文权的领导签字同意后方准打印一般文件的打印复印传真须经所在部门负责人签字同意后才予办理部门经理不在时可经总裁办公室主任同意后办理第四条私人资料不得在公司打印复印或用公司传真机传送以免影响公司的正常工作第五条文印室工作人员应认真做好本职工作按时完成任务对收到的文件资料应及时给有关部门人员送发或及时通知有关人员到文印室取回不得延误第六条文印室人员应树立严格的保密观念不得随意将打印复印或传真资料中有关商业秘密或公司管理中须保密的事项透露给他人不得载留任何文件第七条文印室对送来打印复印传真的文件资料应做好登记并在月终作统计核算属业务部门的由各部门承担费用属行政管理部门的统一列行政开支第八条文印室工作人员初次违反上述规定的给予批评或处元以下罚款屡教第2页共58页第1页共58页编号:时间:2021年x月x日书山有路勤为径,学海无涯苦作舟页码:第2页共58页不改或给公司造成不良的社会影响或较大经济损失处元以上罚款直至辞退第九条本规定自年月日起执行表23-1行文表发文号保密区分绝对机密另文呈受文者副本份数附件发文号数极机密函机密令密事由缮校员发文日期普通传递法限时送特快送快件核办人核稿人…………承办人普通保存年二.文件收发规定第一条公司的文件由办公室负责起草和审核公司总经理签发公司本部各部门的文件由各部门负责起草办公室审核总经理签发第3页共58页第2页共58页编号:时间:2021年x月x日书山有路勤为径,学海无涯苦作舟页码:第3页共58页第二条文件签发后送办公室统一安排打字打印后送回起草部门校对校对无误方能复印盖章第三条文件和原稿由办公室分类归档保存备查第四条属于秘密的文件核稿人应该注明秘密字样并确定报送范围秘密文件按保密规定由专人印制报送第五条文件统一由办公室负责发送送件人应将文件内容报送日期部门接件人等事项登记清楚并向文件签发人报告报送结果秘密文件由专人按核定的范围报送第六条外来的文件由办公室专人负责签收并分类登记由办公室主任提出处理意见后签收人应于接件当日即按文件的要求报送给有关部门不得积压迟误属急件的应在接件后即时报送第七条传阅文件由办公室专人负责收回对领导指示的文件办公室应及时组织传达和落实表23-2往来信函记录表客户或单位:类别日期来去函内容处理人回函日期回函内容去来三.公司报刊邮件函电收发制度第一条全公司公私报刊外来邮件外发公启函电等由公司收发室负责收发第二条外发函电要求第4页共58页第3页共58页编号:时间:2021年x月x日书山有路勤为径,学海无涯苦作舟页码:第4页共58页1、各部门因公需外发函电经办人员应于每天下午点以前将函件电报底稿送到收发室另填写挂号平信电报外发登记表2、每天下午点以前公司收发室应将当日外发函电清点累计送交邮局寄发表23-3信函寄发记录表□业务类□公共关系□采购类□总务类发函日期发函单位文别内容寄发单位回函日期回函内容第三条外来邮件管理1、外来邮件一律公司收发室签收分发2、凡挂号纸包包裹单货运单等由收发室通知收件人到收发室当面签收3、一般公启函电和公司内职工私人信件由收发室开具清单分放到各单位信报箱内4、私人不明平信一律放到信架信袋内由个人自取5、不论公私邮件收发室应随到随清及时分发不得丢失损坏搁置延误对国外来函应检查封口邮戳如发现被拆封或邮票被撕应拒绝签收并向邮局反映查明原由6、凡挂号信汇款单包裹单货运单等的收件人在收发室通知发出后应随即到收发室领取邮单并及时去邮局取款取件超期罚款收发室概不...

1、当您付费下载文档后,您只拥有了使用权限,并不意味着购买了版权,文档只能用于自身使用,不得用于其他商业用途(如 [转卖]进行直接盈利或[编辑后售卖]进行间接盈利)。
2、本站所有内容均由合作方或网友上传,本站不对文档的完整性、权威性及其观点立场正确性做任何保证或承诺!文档内容仅供研究参考,付费前请自行鉴别。
3、如文档内容存在违规,或者侵犯商业秘密、侵犯著作权等,请点击“违规举报”。

碎片内容

NO23_文书档案管理制度

确认删除?
VIP
微信客服
  • 扫码咨询
会员Q群
  • 会员专属群点击这里加入QQ群
客服邮箱
回到顶部