电脑桌面
添加小米粒文库到电脑桌面
安装后可以在桌面快捷访问

TA监理施工开工报验用表-框架涵VIP免费

TA监理施工开工报验用表-框架涵_第1页
1/31
TA监理施工开工报验用表-框架涵_第2页
2/31
TA监理施工开工报验用表-框架涵_第3页
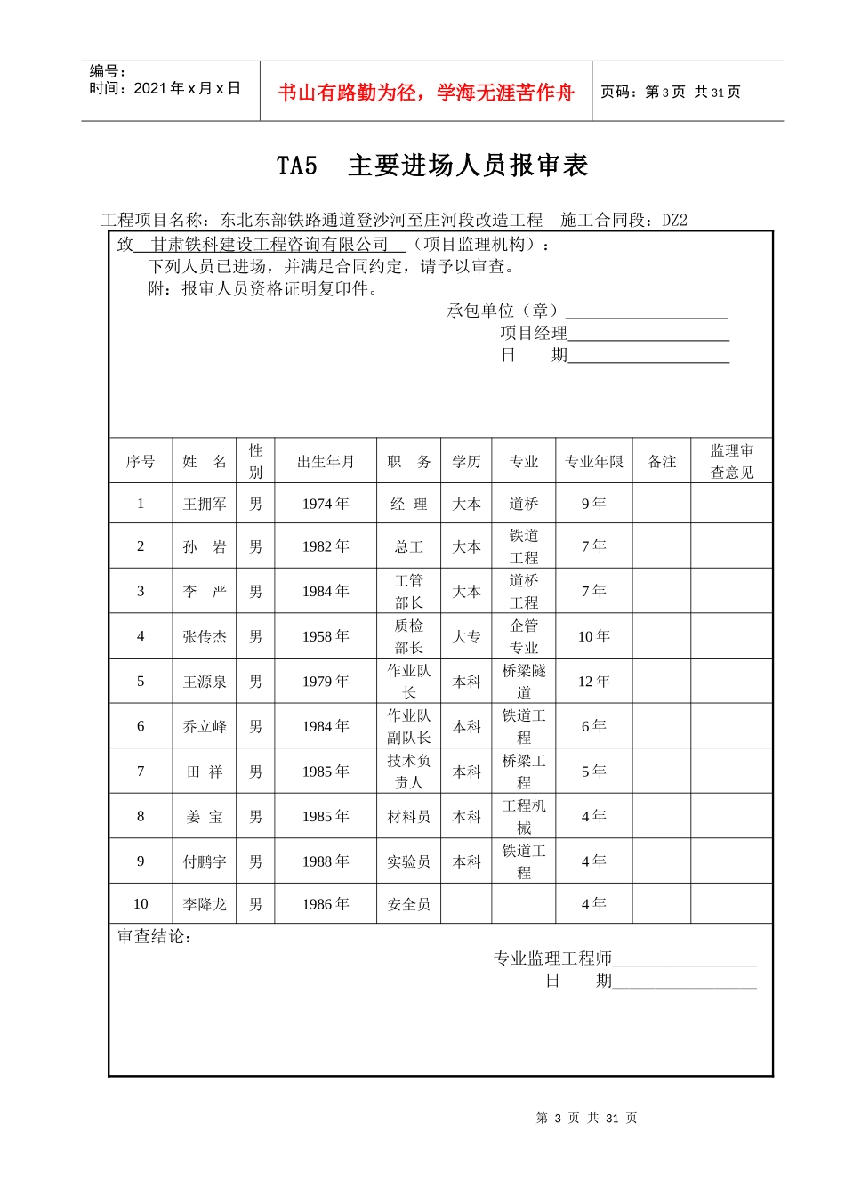
3/31
第1页共31页编号:时间:2021年x月x日书山有路勤为径,学海无涯苦作舟页码:第1页共31页TA2工程开工申请表工程项目名称:东北东部铁路通道登沙河至庄河段改造工程施工合同段:DZ2标段工程名称(单位、分部)DK142+102.47-DK152+188.2段框架涵工程里程/部位DK142+102.47、DK142+597、DK142+781.1、DK147+099.5、DK147+400、DK147+700、DK149+188.42、DK151+468.4、DK152+188.2申请开工日期2013年5月20日计划工期2013年5月20日—2013年11月15日致甘肃铁科建设工程咨询有限公司(项目监理机构):我方承担的DK142+102.47至DK152+188.2、9座框架涵工程,已完成各项准备工作,具备了开工条件,特此申请施工,请核查并签发开工指令。附件:1.开工报告2.(证明材料)承包单位(章)项目经理日期专业监理工程师审核意见:监理组组长日期总监理工程师审核意见:项目监理机构(章)总监理工程师日期注:本表一式4份,施工单位2份,建设单位、监理单位各1份。第2页共31页第1页共31页编号:时间:2021年x月x日书山有路勤为径,学海无涯苦作舟页码:第2页共31页TA4进场施工机械、设备报验单工程项目名称:东北东部铁路通道登沙河至庄河段改造工程施工合同段:DZ2致甘肃铁科建设工程咨询有限公司(项目监理机构):下列施工机械、设备按合同约定已进场,并经我方审查,能满足工程施工需要,请审查签证并准予使用。承包单位(章)技术负责人日期序号机械设备名称规格及型号数量技术状况进场日期使用工点备注监理审验意见1挖掘机斗山2良好2013.5桥涵2队2装载机柳工8552良好2013.5桥涵2队3电焊机ZX5-400-1/CH6良好2013.5桥涵2队4钢筋切断机GQ402良好2013.5桥涵2队5钢筋调直机GT122良好2013.5桥涵2队6钢筋弯曲机GW402良好2013.5桥涵2队7钢筋切割机4001良好2013.5桥涵2队8闪光对焊机UN-252良好2013.5桥涵2队审查结论:专业监理工程师_________________日期_________________注:1.对性能、数量不符合要求需要更换或补充的原因另附说明;2.本表一式4份,承包单位2份,监理单位、建设单位各1份。第3页共31页第2页共31页编号:时间:2021年x月x日书山有路勤为径,学海无涯苦作舟页码:第3页共31页TA5主要进场人员报审表工程项目名称:东北东部铁路通道登沙河至庄河段改造工程施工合同段:DZ2致甘肃铁科建设工程咨询有限公司(项目监理机构):下列人员已进场,并满足合同约定,请予以审查。附:报审人员资格证明复印件。承包单位(章)项目经理日期序号姓名性别出生年月职务学历专业专业年限备注监理审查意见1王拥军男1974年经理大本道桥9年2孙岩男1982年总工大本铁道工程7年3李严男1984年工管部长大本道桥工程7年4张传杰男1958年质检部长大专企管专业10年5王源泉男1979年作业队长本科桥梁隧道12年6乔立峰男1984年作业队副队长本科铁道工程6年7田祥男1985年技术负责人本科桥梁工程5年8姜宝男1985年材料员本科工程机械4年9付鹏宇男1988年实验员本科铁道工程4年10李降龙男1986年安全员4年审查结论:专业监理工程师_________________日期_________________第4页共31页第3页共31页编号:时间:2021年x月x日书山有路勤为径,学海无涯苦作舟页码:第4页共31页注:本表一式4份,承包单位2份,监理单位、建设单位各1份。TA5特殊工种进场人员报审表工程项目名称:东北东部铁路登沙河至庄河段改造工程施工合同段:DZ2致甘肃铁科工程咨询有限公司(项目监理机构):下列人员已进场,并满足合同约定,请予以审查。附:报审人员资格证明复印件。承包单位(章)项目经理日期序号姓名性别出生年月职务学历专业专业年限备注监理审查意见1杨中光男1989年钢筋工初中6年2林怀成男1986年混凝土工初中6年3于占世男1959年木工初中6年4鲁公新男1967年装载机操作手5年5田刚男1980年电焊工12年6孙建龙男1984年起重机作业3年7李兆林男1958年电工4年审查结论:专业监理工程师_________________日期_________________第5页共31页第4页共31页编号:时间:2021年x月x日书山有路勤为径,学海无涯苦作舟页码:第5页共31页注:本表一式4份,承包单位2份,监理单位、建设单位各1份。TA6进场材料/构配件/设备报验单工程项目名称:东...

1、当您付费下载文档后,您只拥有了使用权限,并不意味着购买了版权,文档只能用于自身使用,不得用于其他商业用途(如 [转卖]进行直接盈利或[编辑后售卖]进行间接盈利)。
2、本站所有内容均由合作方或网友上传,本站不对文档的完整性、权威性及其观点立场正确性做任何保证或承诺!文档内容仅供研究参考,付费前请自行鉴别。
3、如文档内容存在违规,或者侵犯商业秘密、侵犯著作权等,请点击“违规举报”。

碎片内容

TA监理施工开工报验用表-框架涵

您可能关注的文档

确认删除?
VIP
微信客服
  • 扫码咨询
会员Q群
  • 会员专属群点击这里加入QQ群
客服邮箱
回到顶部