电脑桌面
添加小米粒文库到电脑桌面
安装后可以在桌面快捷访问

ROEDERS (罗德斯CNC)公司内部培训手册VIP免费

ROEDERS (罗德斯CNC)公司内部培训手册_第1页
1/78
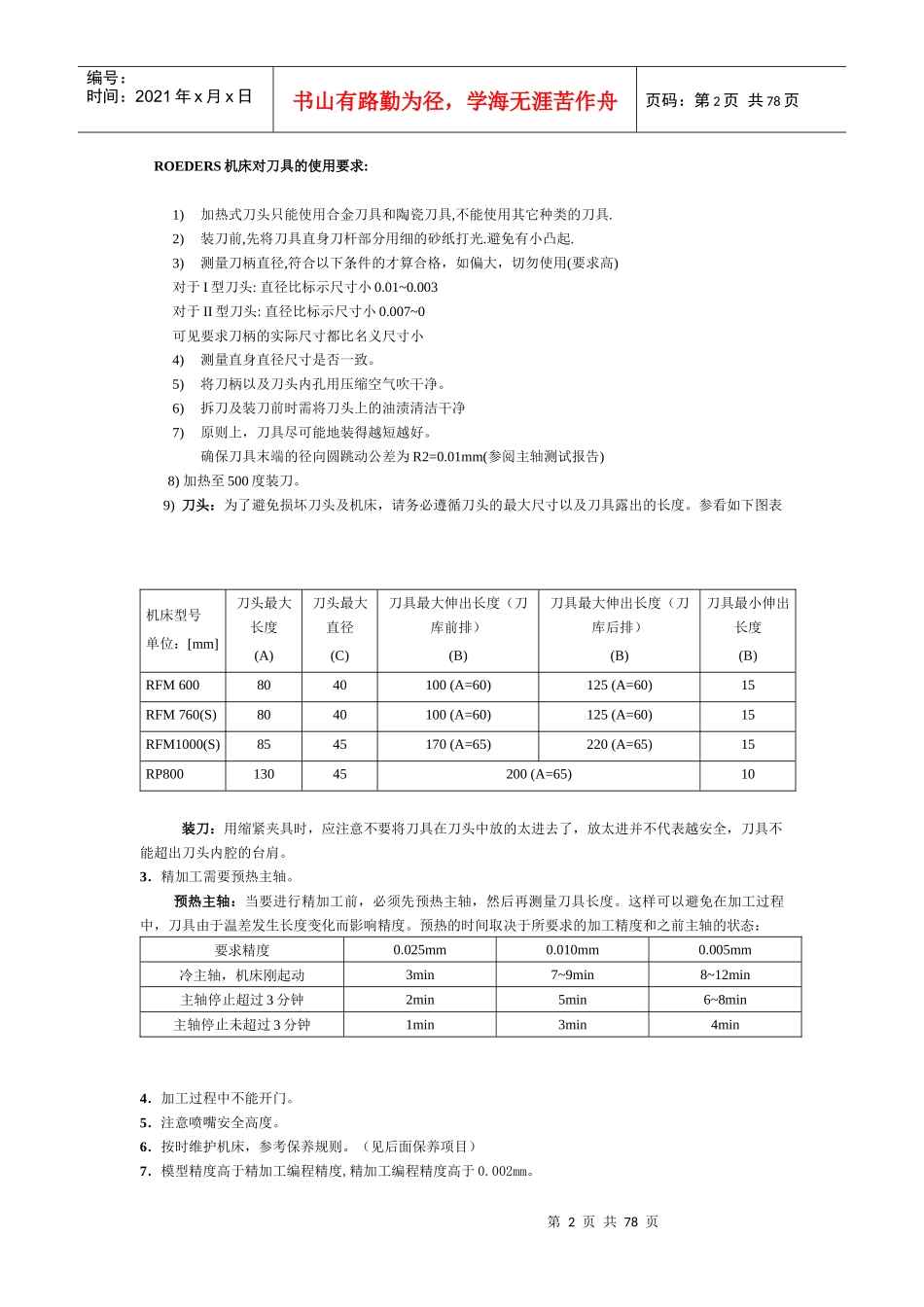
ROEDERS (罗德斯CNC)公司内部培训手册_第2页
2/78
ROEDERS (罗德斯CNC)公司内部培训手册_第3页
3/78
第1页共78页编号:时间:2021年x月x日书山有路勤为径,学海无涯苦作舟页码:第1页共78页维修部内部培训手册此次培训为期两周,安排如下:第一天培训内容:a).ROEDERS机床的功能概述。1.罗德斯公司创于1789年,一直从事锡蜡模具生产,于80年代未开始自行开发新机床,以应付模具生产需求,有超过200年的模具生产经验,于1994年生产出世界上第一台高速加工中心.2.罗德斯公司并于1999年在奥地利以RFM760首次夺得国际高速加工大赛冠军,及以后2000-2001年再次夺此殊荣.3.高速加工是模具加工行业的一个趋势,那么要求是社会发展的动力.4.高速加工的概念是尽可能在机床加工一次成型,减少后续(如电火花)加工时间.包括高转速,大扭力主轴,快速的进给和稳定的机床性能和高速数据处理控制系统等.5.Roeders机床的几大优点:A.主轴转速高达36000-42000转,从而很好充分利用细小刀具来加工工件(R0.2),这是一般机床所不能及.B.进给速度达60M每分钟,不管是在开粗或是在光刀领域,都大大地缩短了加工时间,从而提高了生产效率,缩短生产周期.C.机床控制平台为一般的PC平台,由两台PC(RT-PC.NT-PC)所组成,即是NT-PC能提供机器在工作中做任何编辑和准备有关下一个要加工的程序,为下一步工作做准备.减少机器在工作中所浪费的时间.RT-PC主要是供给机器工作时的数据处理以及传输.RT-PC与机器各轴驱动板连接是由光纤电缆组成,比传统电缆的速度大大提高,从而达到高速加工时的数据传输高速要求,避免如传统加工中心的数据停留现象.D.整个机床由机器附带风冷系统来控制恒温,避免出现由于环境温差出现的机床精度变化问题,提高机器加工精度.E.机器装有自动激光对刀系统,能减少在生产中人工对刀的次数和降低对刀出现的误差,提高实际加工接面时的精度.6.Roeders高速加工中心目标:A.高精度.B.高光洁度.C.最短的加工时间.7.机器采用(HSK)热胀冷缩式刀头,优点如:A.高精度,无任何磨损,同心度少于0.003MMB.简单牢固可靠,特别适合高转速运行.C.硬质合金涂层刀,CBN及金属,陶瓷刀均适合使用.8.Roeders机器有多种型号(RFM600.RFM760.RP800.RFM1000).各种型号有它独特的加工优点.适合客户不同产品加工需求.机床重量从5500KG到13000KG不等.而且有着非常重要的重心向下设计.减少加工运动时产生的震动.保持机床的稳定性.b).机床操作注意事项。1.不能使用白钢刀具。2.刀具直径和长度不能超出使用范围第2页共78页第1页共78页编号:时间:2021年x月x日书山有路勤为径,学海无涯苦作舟页码:第2页共78页ROEDERS机床对刀具的使用要求:1)加热式刀头只能使用合金刀具和陶瓷刀具,不能使用其它种类的刀具.2)装刀前,先将刀具直身刀杆部分用细的砂纸打光.避免有小凸起.3)测量刀柄直径,符合以下条件的才算合格,如偏大,切勿使用(要求高)对于I型刀头:直径比标示尺寸小0.01~0.003对于II型刀头:直径比标示尺寸小0.007~0可见要求刀柄的实际尺寸都比名义尺寸小4)测量直身直径尺寸是否一致。5)将刀柄以及刀头内孔用压缩空气吹干净。6)拆刀及装刀前时需将刀头上的油渍清洁干净7)原则上,刀具尽可能地装得越短越好。确保刀具末端的径向圆跳动公差为R2=0.01mm(参阅主轴测试报告)8)加热至500度装刀。9)刀头:为了避免损坏刀头及机床,请务必遵循刀头的最大尺寸以及刀具露出的长度。参看如下图表机床型号单位:[mm]刀头最大长度(A)刀头最大直径(C)刀具最大伸出长度(刀库前排)(B)刀具最大伸出长度(刀库后排)(B)刀具最小伸出长度(B)RFM6008040100(A=60)125(A=60)15RFM760(S)8040100(A=60)125(A=60)15RFM1000(S)8545170(A=65)220(A=65)15RP80013045200(A=65)10装刀:用缩紧夹具时,应注意不要将刀具在刀头中放的太进去了,放太进并不代表越安全,刀具不能超出刀头内腔的台肩。3.精加工需要预热主轴。预热主轴:当要进行精加工前,必须先预热主轴,然后再测量刀具长度。这样可以避免在加工过程中,刀具由于温差发生长度变化而影响精度。预热的时间取决于所要求的加工精度和之前主轴的状态:要求精度0.025mm0.010mm0.005mm冷主轴,机床刚起动3min7~9min8~12min主轴停止超过3分钟2min5min6~8min主轴停止未超过3分钟1min3min4min4.加工过程中不能开门。5.注意喷嘴...

1、当您付费下载文档后,您只拥有了使用权限,并不意味着购买了版权,文档只能用于自身使用,不得用于其他商业用途(如 [转卖]进行直接盈利或[编辑后售卖]进行间接盈利)。
2、本站所有内容均由合作方或网友上传,本站不对文档的完整性、权威性及其观点立场正确性做任何保证或承诺!文档内容仅供研究参考,付费前请自行鉴别。
3、如文档内容存在违规,或者侵犯商业秘密、侵犯著作权等,请点击“违规举报”。

碎片内容

ROEDERS (罗德斯CNC)公司内部培训手册

确认删除?
VIP
微信客服
  • 扫码咨询
会员Q群
  • 会员专属群点击这里加入QQ群
客服邮箱
回到顶部