电脑桌面
添加小米粒文库到电脑桌面
安装后可以在桌面快捷访问

供应商现场质量稽核评分-明基电通VIP免费

供应商现场质量稽核评分-明基电通_第1页
1/16
供应商现场质量稽核评分-明基电通_第2页
2/16
供应商现场质量稽核评分-明基电通_第3页
3/16
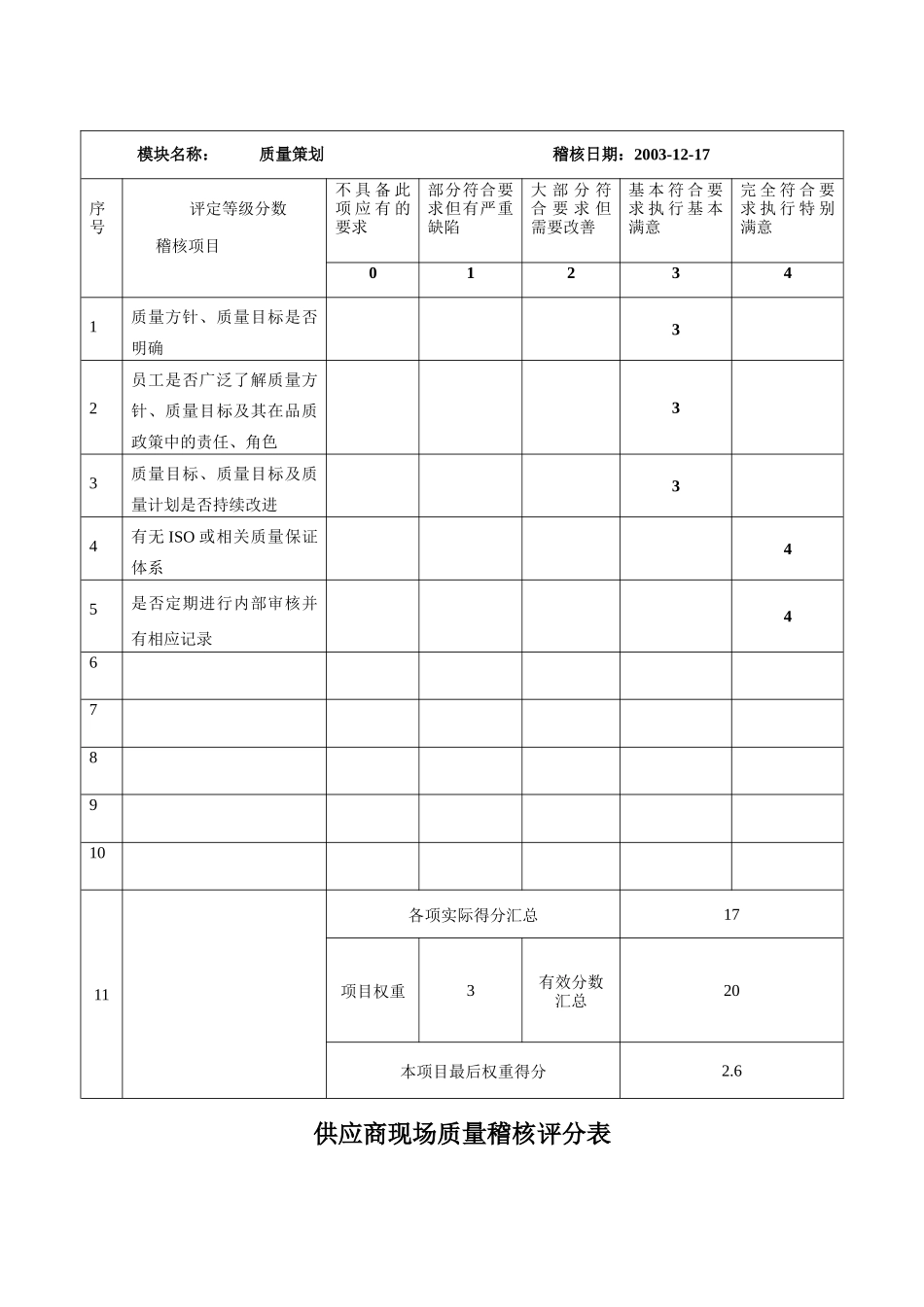
ip.aliqq.com.cn海量免费资料尽在此供应商现场质量稽核稽核评分汇总表供应商名称:明基电通有限公司光电厂稽核日期:2003-12-17稽核人员:刘文、秦伟序号稽核项目项目有效分(B)实际得分(C)权重(D)项目总分(C÷B×D)1质量策划201732.62客户支持241553.13材料及供应商控制2418139.24制程控制28201712.15最终验收2416106.66仪器设备16995.07统计技术12885.38培训161275.49环境241753.510仓储201474.911设计363297.912质量改进121032.513文件管制161142.714最终得分72备注:1、最后总分为各模块得分之和。供应商现场质量稽核评分表模块名称:质量策划稽核日期:2003-12-17序号评定等级分数稽核项目不具备此项应有的要求部分符合要求但有严重缺陷大部分符合要求但需要改善基本符合要求执行基本满意完全符合要求执行特别满意012341质量方针、质量目标是否明确32员工是否广泛了解质量方针、质量目标及其在品质政策中的责任、角色33质量目标、质量目标及质量计划是否持续改进34有无ISO或相关质量保证体系45是否定期进行内部审核并有相应记录467891011各项实际得分汇总17项目权重3有效分数汇总20本项目最后权重得分2.6供应商现场质量稽核评分表模块名称:客户支持稽核日期:2003-12-18序号评定等级分数稽核项目不具备此项应有的要求部分符合要求但有严重缺陷大部分符合要求但需要改善基本符合要求执行基本满意完全符合要求执行特别满意012341在无相关流程对客户提出的要求进行回馈32是否有相关机制定期了解客户需求(如定期沟通)23客户提出的品质问题是否及时有效处理并落实24是否有针对联想的质量保证计划25是否进行客户满意度调查并有评价程序及标准36是否根据客户要求建立及完善相关品质要求378910各项实际得分汇总15项目权重5有效分数汇总24本项目最后权重得分3.13供应商现场质量稽核评分表模块名称:材料及供应商控制稽核日期:2003-12-17序号评定等级分数稽核项目不具备此项应有的要求部分符合要求但有严重缺陷大部分符合要求但需要改善基本符合要求执行基本满意完全符合要求执行特别满意012341是否有对新供应商进认证的机制并严格实施32对现有供应商有无进行定期考核评价,对不达标供应商是否有相应的推动改进或惩戒措施33检验标准是否根据行业标准,设计输出文件及客户要求制定34检验标准在现场是否有效执行并有相关记录35物料质量信息是否提供其供应商作为改善或预防措施的依据,且相关对策得到在效验证36异常物料是否得到有效处理3789各项实际得分汇总18项目权重13有效分数汇总24本项目最后权重得分9.2供应商现场质量稽核评分表模块名称:制程控制稽核日期:2003-12-17序号评定等级分数稽核项目不具备此项应有的要求部分符合要求但有严重缺陷大部分符合要求但需要改善基本符合要求执行基本满意完全符合要求执行特别满意012341是否根据产品及及客户要求设置质控点22各质控点是否有明确的控制验证措施或标准33关键工序能力、重要叁数及工艺操作要求是否得到确认并维持其有效性34制程异常问题是否得到及时反馈及有效分析改进35是否对作业员作业有明确要求且被理解执行36现场质量状况是否被记录且可追溯37关键工序是否进行SPC管控38910各项实际得分汇总20项目权重17有效分数汇总28本项目最后权重得分12.15供应商现场质量稽核评分表模块名称:最终验收稽核日期:2003-12-18序号评定等级分数稽核项目不具备此项应有的要求部分符合要求但有严重缺陷大部分符合要求但需要改善基本符合要求执行基本满意完全符合要求执行特别满意012341成品质量控制标准是否按行业标准及客户要求制定32最终验收记录是否完善33是否进行周期性检测以确认产品的环保性及可靠性24是否必要的设备及工艺标准支持依赖性试验开展25对成品测试失败是否进行有效分析并推进改善措施实施36在制程、出货及客户发生的品质总是最终验收是否有明确控制要求378910各项实际得分汇总16项目权重10有效分数汇总24本项目最后权重得分6.66第7页共16页编号:时间:2021年x月x日书山有路勤为径,学海无涯苦作舟页码:第7页共16页供应商现场质量稽核评分表模块名称:仪器设备稽核日期:2003-12-17序号评定等级分数稽核项目不具...

1、当您付费下载文档后,您只拥有了使用权限,并不意味着购买了版权,文档只能用于自身使用,不得用于其他商业用途(如 [转卖]进行直接盈利或[编辑后售卖]进行间接盈利)。
2、本站所有内容均由合作方或网友上传,本站不对文档的完整性、权威性及其观点立场正确性做任何保证或承诺!文档内容仅供研究参考,付费前请自行鉴别。
3、如文档内容存在违规,或者侵犯商业秘密、侵犯著作权等,请点击“违规举报”。

碎片内容

供应商现场质量稽核评分-明基电通

中小学教育精品资料+ 关注
实名认证
内容提供者

中小学教育资料,优质文档创作者

确认删除?
VIP
微信客服
  • 扫码咨询
会员Q群
  • 会员专属群点击这里加入QQ群
客服邮箱
回到顶部