电脑桌面
添加小米粒文库到电脑桌面
安装后可以在桌面快捷访问

楼地面工程课程知识点梳理汇总VIP免费

楼地面工程课程知识点梳理汇总_第1页
1/19
楼地面工程课程知识点梳理汇总_第2页
2/19
楼地面工程课程知识点梳理汇总_第3页
3/19
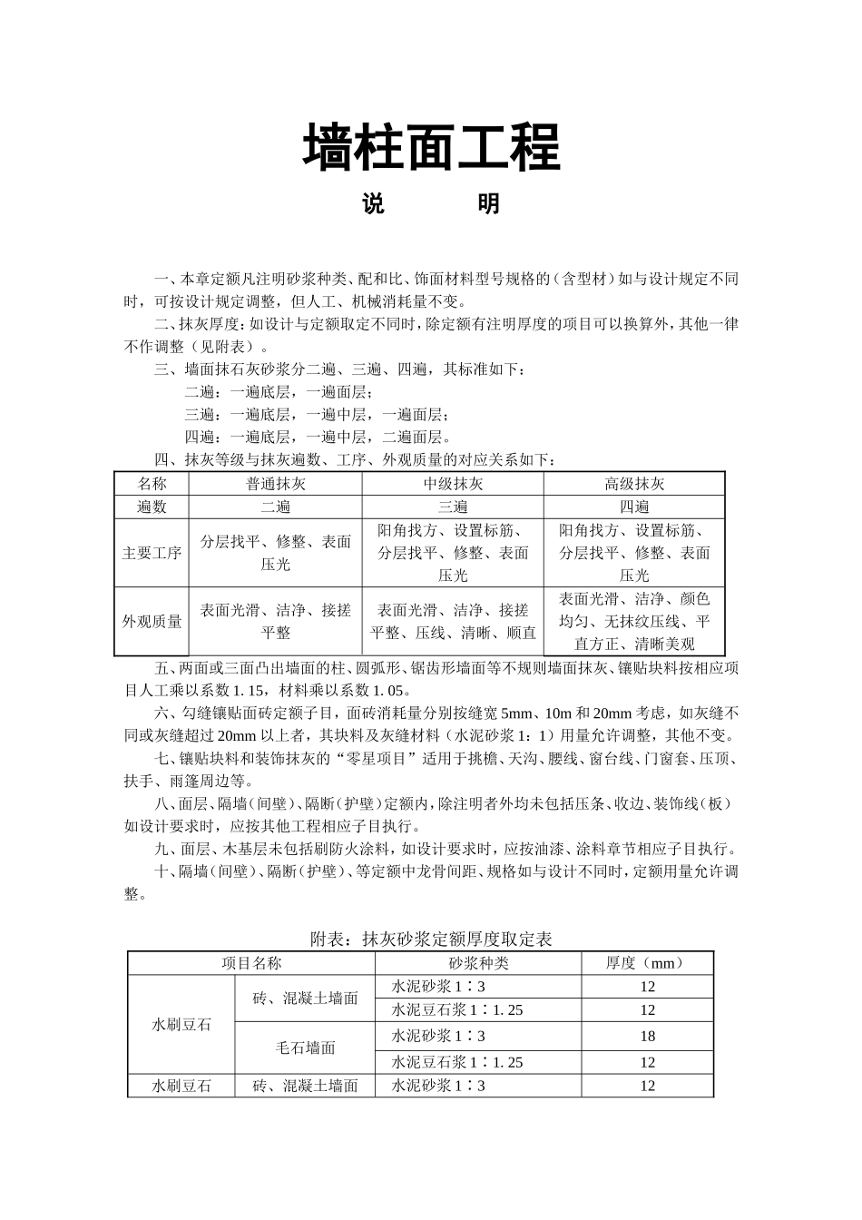
楼地面工程说明一、本章水泥砂浆、水泥石子浆、混凝土等的配合比,如设计规定与定额不同时,可以换算。二、整体面层中的水磨石粘贴砂浆厚度为25mm,若设计粘贴砂浆厚度与定额厚度不同时,按找平层每增减子目进行调整。三、菱苦土地面、现浇水磨石定额项目已包括酸洗打蜡工料,其余项目均不包括酸洗打蜡。四、扶手、栏杆、栏板适用于楼梯、走廊、回廊及其他装饰性栏杆、栏板。栏板、栏杆、扶手造型图见本定额附录三。五、零星项目面层适用于楼梯侧面、台阶的牵边,小便池、蹲台、池槽,以及面积在1m2以内且定额未列项目的工程。六、大理石、花岗岩楼地面拼花按成品考虑。七、镶拼面积小于0.015m2的石材执行点缀定额。工程量计算规则一、地面垫层按室内主墙间净空面积乘以设计厚度以立方米计算。应扣除凸出地面的构筑物、设备基础、室内铁道、地沟等所占的体积,不扣除柱、垛、间壁墙、附墙烟囱及面积在0.3m2以内孔洞所占面积。二、整体面层、找平层均按主墙间净空面积以平方米计算。应扣除凸出地面构筑物,设备基础、室内管道、地沟等所占面积,不扣除柱、垛、间壁墙、附墙烟囱及面积在0.3m2以内的孔洞所占面积,但门洞、空圈、暖气包槽、壁龛的开口部分亦不增加。三、楼地面块料装饰面积按饰面的净面积计算,不扣除0.1m2以内的孔洞所占面积。拼花部分按实贴面积计算。四、楼梯面积(包括踏步、休息平台,以及小于50mm宽的楼梯井)按水平投影面积计算。五、台阶面层(包括踏步及最上一层踏步沿300mm)按水平投影面积计算。六、非块料踢脚线按延长米计算,洞口、空圈长度不予扣除,洞口、空圈、垛、附墙烟囱等侧壁长度亦不增加。块料踢脚线按实贴长乘高以平方米计算,成品踢脚线按实贴延长米计算。楼梯踢脚线按相应定额乘以1.15系数。七、点缀按个计算,计算主体铺贴地面面积时,不扣除点缀所占面积。八、零星项目按实铺面积计算。九、栏杆、栏板、扶手均按其中心线长度以延长米计算,计算扶手时不扣除弯头所占长度。十、弯头按个计算。十一、石材底面刷养护液按底面面积加4个侧面面积,以平方米计算。第二章墙柱面工程说明一、本章定额凡注明砂浆种类、配和比、饰面材料型号规格的(含型材)如与设计规定不同时,可按设计规定调整,但人工、机械消耗量不变。二、抹灰厚度:如设计与定额取定不同时,除定额有注明厚度的项目可以换算外,其他一律不作调整(见附表)。三、墙面抹石灰砂浆分二遍、三遍、四遍,其标准如下:二遍:一遍底层,一遍面层;三遍:一遍底层,一遍中层,一遍面层;四遍:一遍底层,一遍中层,二遍面层。四、抹灰等级与抹灰遍数、工序、外观质量的对应关系如下:名称普通抹灰中级抹灰高级抹灰遍数二遍三遍四遍主要工序分层找平、修整、表面压光阳角找方、设置标筋、分层找平、修整、表面压光阳角找方、设置标筋、分层找平、修整、表面压光外观质量表面光滑、洁净、接搓平整表面光滑、洁净、接搓平整、压线、清晰、顺直表面光滑、洁净、颜色均匀、无抹纹压线、平直方正、清晰美观五、两面或三面凸出墙面的柱、圆弧形、锯齿形墙面等不规则墙面抹灰、镶贴块料按相应项目人工乘以系数1.15,材料乘以系数1.05。六、勾缝镶贴面砖定额子目,面砖消耗量分别按缝宽5mm、10m和20mm考虑,如灰缝不同或灰缝超过20mm以上者,其块料及灰缝材料(水泥砂浆1:1)用量允许调整,其他不变。七、镶贴块料和装饰抹灰的“零星项目”适用于挑檐、天沟、腰线、窗台线、门窗套、压顶、扶手、雨篷周边等。八、面层、隔墙(间壁)、隔断(护壁)定额内,除注明者外均未包括压条、收边、装饰线(板)如设计要求时,应按其他工程相应子目执行。九、面层、木基层未包括刷防火涂料,如设计要求时,应按油漆、涂料章节相应子目执行。十、隔墙(间壁)、隔断(护壁)、等定额中龙骨间距、规格如与设计不同时,定额用量允许调整。附表:抹灰砂浆定额厚度取定表项目名称砂浆种类厚度(mm)水刷豆石砖、混凝土墙面水泥砂浆1∶312水泥豆石浆1∶1.2512毛石墙面水泥砂浆1∶318水泥豆石浆1∶1.2512水刷豆石砖、混凝土墙面水泥砂浆1∶312水泥白石子浆1∶1.510毛石墙面水泥砂浆1∶320水泥白石子浆1∶1.510...

1、当您付费下载文档后,您只拥有了使用权限,并不意味着购买了版权,文档只能用于自身使用,不得用于其他商业用途(如 [转卖]进行直接盈利或[编辑后售卖]进行间接盈利)。
2、本站所有内容均由合作方或网友上传,本站不对文档的完整性、权威性及其观点立场正确性做任何保证或承诺!文档内容仅供研究参考,付费前请自行鉴别。
3、如文档内容存在违规,或者侵犯商业秘密、侵犯著作权等,请点击“违规举报”。

碎片内容

楼地面工程课程知识点梳理汇总

您可能关注的文档

确认删除?
VIP
微信客服
  • 扫码咨询
会员Q群
  • 会员专属群点击这里加入QQ群
客服邮箱
回到顶部