电脑桌面
添加小米粒文库到电脑桌面
安装后可以在桌面快捷访问

第三章工序分析知识点梳理汇总VIP免费

第三章工序分析知识点梳理汇总_第1页
1/20
第三章工序分析知识点梳理汇总_第2页
2/20
第三章工序分析知识点梳理汇总_第3页
3/20
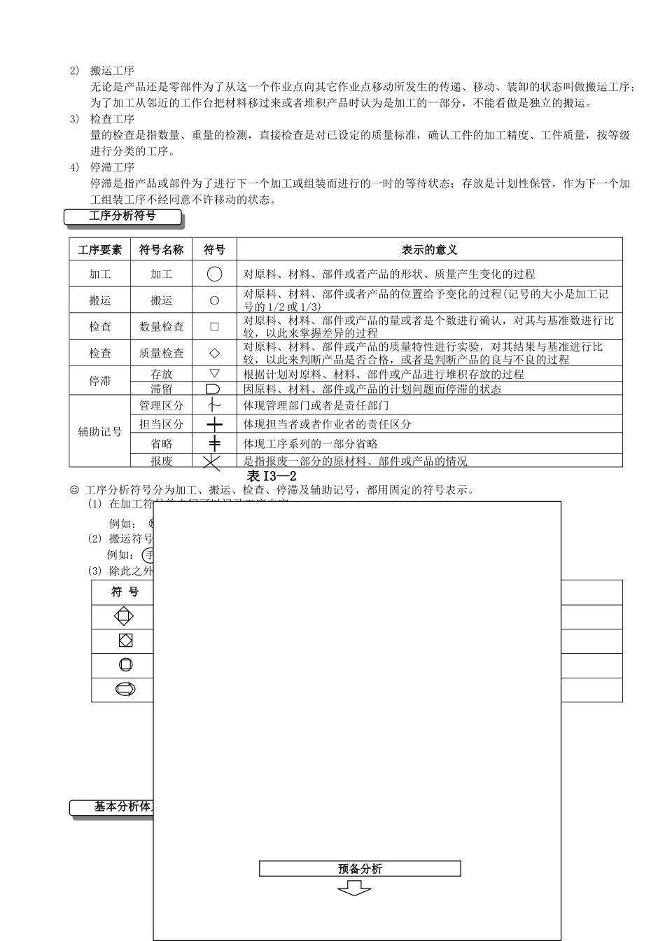
第三章工序分析以工序为分析单位对对象物品(材料、半成品、产品、副材料等)经过什么样的路径,按照发生的顺序分为加工、搬运、检…………………………………………………………………………………………………………………………………………………………………………………………………………………………………………………..…………………………………………………………………………………………………………………………………………………………….……………………………………………………………………………………………………………………………………………………………………………….查、停滞、存放,与各工序的条件(加工条件,经过时间,移动距离等)一起进行分析,是现场分析方法中的一种。工序分析的基本目的是改善生产工序,也可以说改善工序管理系统具有非常深远的意义。工序分析的目的根据情况,其重要性会有所不同,对基本生产战略也会发生变化。为防止工序停滞,降低在制品思路为提高流程的效率,改善平面布置图去掉时间浪费,缩短生产周期工序分析从大方面分为基本分析和重点分析;基本分析是为了掌握整个工序的情况而进行的分析,又分为详细工序分析和简单工序分析。重点分析根据分析的目的,区分如下:(1)分析工序的类似性的类似工序分析;(2)分析质量情况的质量分析;(3)分析流程的路线分析,流程分析,搬运分析;(4)分析停滞的停滞分析,流动分析;(5)分析生产能力及日程的能力分析,日程分析。图I3—11.工序分析的概要1.工序分析的概要什么是工序分析?什么是工序分析?工序分析的目的工序分析的目的工序分析的体系工序分析的体系掌握工序的顺序,物流等整个工序的分析叫做工序的基本分析。图I3—2基本分析分为详细工序分析和简单工序分析。(1)详细工序分析是指在改善生产方法(工序,工序顺序)或者编制作业流程中,对详细调查项目进行调查分析的方法。(2)简单工序分析是表示产品整体的工序系列或者相互关系,以工序顺序为中心,为掌握整体性的生产方法而进行的分析。所谓工序是指1名作业者,1台机器或者1个作业区域,为了完成某项的作业(目的),所分担的作业范围。在工序分解中重要的是在工序分析上怎么样捕捉到的作业看成是1个工序;掌握工序的方法分为下面3个阶段,应根据工作单位构成的概念去考虑会便利一些。NO工作单位说明备注1动作作为作业的最小单位来分叫做基本动作或者单位作业。◇向材料伸手◇手拿材料◇搬运材料等都属于动作2作业将几个动作组合在一起成为一个作业,用秒表研究时间,一般是按这个单位来测定。◇把材料放入机器◇对材料进行切割◇拿出材料等属于作业3工序在规定的作业区域上,组合成的1个作业,一般作为1个工序,测定评价用的标准时间是以这个单位来设定。◇用车床加工◇用钻头钻孔◇热处理等属于工序表I3—1上述工作单位构成概念是依据M.E.MENDEL的提案,比起M.E.MENDEL工作单位的构成概念,有更多层次的标准,在这里以3个层次的标准出现。作业工序单位的分割虽然根据分析目的或改善目标等的不同而有所不同,但大体的分解思考方式如下:(1)普通分解:1名作业者在规定的作业场所中,为达到某些目的而担负的作业范围。(2)大体分解:把几个工序合成一个工序,按单位工序分解。(3)详细分解:把一个工序分解成几个工序,按各个区分。1)加工工序加工工序作为直接完成制造目的的工序,其内容是变质、变形、变色、组装、分解,加工工序是对象物向期望的目的移动的唯一状态。什么基本分析?什么基本分析?2.基本分析的概要2.基本分析的概要基本分析的体系基本分析的体系工序的分解工序的分解工作单位工作单位工序的分类工序的分类2)搬运工序无论是产品还是零部件为了从这一个作业点向其它作业点移动所发生的传递、移动、装卸的状态叫做搬运工序;为了加工从邻近的工作台把材料移过来或者堆积产品时认为是加工的一部分,不能看做是独立的搬运。3)检查工序量的检查是指数量、重量的检测,直接检查是对已设定的质量标准,确认工件的加工精度、工件质量,按等级进行分类的工序。4)停滞工序停滞是指产品或部件为了...

1、当您付费下载文档后,您只拥有了使用权限,并不意味着购买了版权,文档只能用于自身使用,不得用于其他商业用途(如 [转卖]进行直接盈利或[编辑后售卖]进行间接盈利)。
2、本站所有内容均由合作方或网友上传,本站不对文档的完整性、权威性及其观点立场正确性做任何保证或承诺!文档内容仅供研究参考,付费前请自行鉴别。
3、如文档内容存在违规,或者侵犯商业秘密、侵犯著作权等,请点击“违规举报”。

碎片内容

第三章工序分析知识点梳理汇总

您可能关注的文档

确认删除?
VIP
微信客服
  • 扫码咨询
会员Q群
  • 会员专属群点击这里加入QQ群
客服邮箱
回到顶部