电脑桌面
添加小米粒文库到电脑桌面
安装后可以在桌面快捷访问

供应商批准作业指导书VIP免费

供应商批准作业指导书_第1页
1/5
供应商批准作业指导书_第2页
2/5
供应商批准作业指导书_第3页
3/5
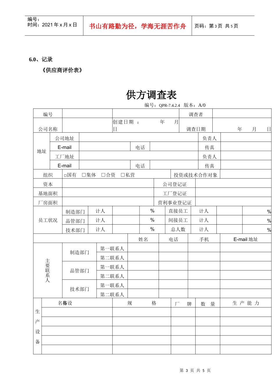
第1页共5页编号:时间:2021年x月x日书山有路勤为径,学海无涯苦作舟页码:第1页共5页合格供应商批准作业指导书1.0、目的为了加强供应商的管理,并满足组织的正常经营和发展需要,特制定本作业指导书。2.0、适用范围适用于组织内所有的供应商。3.0、职责采购部主要负责公司的生产材料采购;采购部主要负责公司的非生产材料采购;4.0、方法4.1、生产件合格供应商批准流程4.1.1采购部采购工程师根据组织项目或其他方面的要求,通过各种途径(包括客户推荐、组织内部各部门人员介绍、网站搜寻、行业内同类零部件供方打探等)在全球搜寻合适的供方(要求供方具有第三方认可的ISO9001:2000质量体系标准,最好为ISO/TS16949:2002),作为潜在供方的评价和选择对象。4.1.2采购部采购工程师对以上所获得的各供方的信息进行初步筛选,对有潜力的供方汇同质检部、工程部按照《潜在供应商评价评分准则》对其进行评估,评估结果以分值计算并形成《潜在供应商评价报告》,不同得分和下一步的行动计划如下表:序号分数评价结果下一步的行动计划190%<=得分A级可以列为潜在供方目录280%<=得分<90%B级可以列为潜在供方目录(但是仍需要一定的改善)370%<=得分<80%C级需要改善并经过重新评估后才能列为潜在供方目录4得分<70%D级需要改善并经过重新评估后第2页共5页第1页共5页编号:时间:2021年x月x日书山有路勤为径,学海无涯苦作舟页码:第2页共5页才能列为潜在供方目录4.1.3评价为B级以上(含B级)的供应商,采购部将其列入《潜在供应商目录》。B级以下的供应商由采购部跟踪其纠正措施的整改,视整改情况确定是否重新进行评价。4.1.4潜在供应商的重新评价按4.1.2条进行。4.2、非生产材料采购成本控制4.2.1、对于采购金额大、非经常性采购的非生产材料,一般要求两家供应商报价后再进行价格谈判(必要时联合组织专业技术部门和使用部门),然后将最后的谈判信息汇总后报公司领导审核和批准,经公司领导批准后方可进行采购;4.2.2、对于采购金额小、经常性的重复采购物品,由采购部经理确认后采购;4.2.3、采购工程师每月需要对已完成的采购过程进行记录汇总,分析出采购金额较大的采购项目并重新在市场上询价,与现有供应商的采购价格进行对比,如果发现更合适的供应商则立即切换,更好的控制采购成本;4.2.4、采购工程师根据长期的采购和价格分析经验,选择价格、质量、服务都比较合适的供方作为长期的战略合作供应商,与其签署长期的采购框架合同并保持良好的合作,以便降低采购时间、办公、电话联系等成本,达到采购总成本的降低。4.2.5、采购工程师每年年初结合公司的业务发展规划以及上一年的采购记录,计划本年度非生产材料采购计划(包括品种、数量、估计价格和采购金额等),分析采购重点,着重控制和降低采购金额大的非生产材料采购项目,提前做到控制采购成本和提高采购效果。4.3、非生产材料采购时间进度控制4.3.1、采购工程师需要在控制采购成本的同时考虑采购进度,如发现时间进度落后于采购申请进度要求,需通知需求部门并尽可能准确地回复可能的到货日期和进度;如果产生重大影响或会造成严重的后果、需立即上报领导协调解决。5.0、参考文件《供应商调查表》第3页共5页第2页共5页编号:时间:2021年x月x日书山有路勤为径,学海无涯苦作舟页码:第3页共5页6.0、记录《供应商评价表》供方调查表编号:QPR-7.4.2.4版本:A/0编号调查者公司名称创建日期:年月日调查日期年月日地址公司地址负责人E-mail电话传真工厂地址负责人E-mail电话传真组织□国有□集体□合资□私营投资或技术合作对象资本公司登记证基地面积工厂登记证厂房面积营利事业登记证员工状况制造部门计人%直接员工计人%品管部门计人%间接员工计人%技术部门计人%总人数计人%姓名电话手机E-mail地址主要联系人制造部门第一联系人第二联系人品管部门第一联系人第二联系人技术部门第一联系人第二联系人生产设备设备名称规格厂牌数量生产能力第4页共5页第3页共5页编号:时间:2021年x月x日书山有路勤为径,学海无涯苦作舟页码:第4页共5页第页共页检验设备设备名称规格厂商数量检验项目(能力)主要客户客户名称产品项目每月...

1、当您付费下载文档后,您只拥有了使用权限,并不意味着购买了版权,文档只能用于自身使用,不得用于其他商业用途(如 [转卖]进行直接盈利或[编辑后售卖]进行间接盈利)。
2、本站所有内容均由合作方或网友上传,本站不对文档的完整性、权威性及其观点立场正确性做任何保证或承诺!文档内容仅供研究参考,付费前请自行鉴别。
3、如文档内容存在违规,或者侵犯商业秘密、侵犯著作权等,请点击“违规举报”。

碎片内容

供应商批准作业指导书

精品中小学文档+ 关注
实名认证
内容提供者

精品资料,值得下载

确认删除?
VIP
微信客服
  • 扫码咨询
会员Q群
  • 会员专属群点击这里加入QQ群
客服邮箱
回到顶部