电脑桌面
添加小米粒文库到电脑桌面
安装后可以在桌面快捷访问

企业生产与物流管理VIP免费

企业生产与物流管理_第1页
1/39
企业生产与物流管理_第2页
2/39
企业生产与物流管理_第3页
3/39
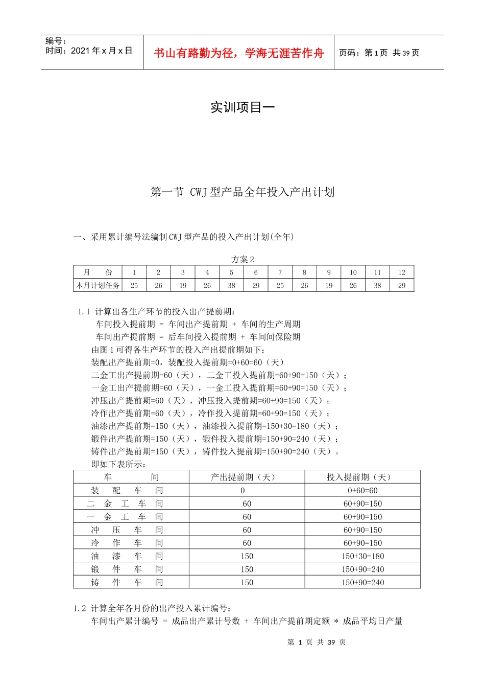
安徽机电职业技术学院企业生产与物流管理课程实训报告系(部)人文管理系专业物流管理班级物流3112班姓名高健、徐立里、营毛言、芮雪、夏婷婷指导老师余治国老师实训时间2013.6.17-2010.6.212009~2010学年第二学期目录实训项目一....................................................................1第一节CWJ型产品全年投入产出计划.........................................1一、采用累计编号法编制CWJ型产品的投入产出计划(全年)..................1第二节车间一工段设备新布置...............................................8一、编制零件的综合工艺路线图..........................................8二、绘出原零件加工的从至表和改进后零件的从至表........................9三、计算并绘制出零件移动总距离计算表:................................10四、由上可得改进后的设备布置图如下:.................................11第三节编制机加工车间生产作业计划........................................11一、三种零件的标准批量和生产间隔期...................................11二、编制三种零件各道工序的进度表和机床负荷平衡表.....................11第四节物料需求计划(MRP)...............................................13实训项目二...................................................................14一、企业生产前的准备工作.................................................14二、企业生产过程中的问题.................................................16三、企业产品研发.........................................................24四、质量专题.............................................................31五、成本与利润核算.......................................................33六、最终模拟生产小结.....................................................34第1页共39页编号:时间:2021年x月x日书山有路勤为径,学海无涯苦作舟页码:第1页共39页实训项目一第一节CWJ型产品全年投入产出计划一、采用累计编号法编制CWJ型产品的投入产出计划(全年)方案2月份123456789101112本月计划任务2526192638292526192638291.1计算出各生产环节的投入出产提前期:车间投入提前期=车间出产提前期+车间的生产周期车间出产提前期=后车间投入提前期+车间间保险期由图1可得各生产环节的投入产出提前期如下:装配出产提前期=0,装配投入提前期=0+60=60(天)二金工出产提前期=60(天),二金工投入提前期=60+90=150(天);一金工出产提前期=60(天),一金工投入提前期=60+90=150(天);冲压出产提前期=60(天),冲压投入提前期=60+90=150(天);冷作出产提前期=60(天),冷作投入提前期=60+90=150(天);油漆出产提前期=150(天),油漆投入提前期=150+30=180(天);锻件出产提前期=150(天),锻件投入提前期=150+90=240(天);铸件出产提前期=150(天),铸件投入提前期=150+90=240(天)。即如下表所示:车间产出提前期(天)投入提前期(天)装配车间00+60=60二金工车间6060+90=150一金工车间6060+90=150冲压车间6060+90=150冷作车间6060+90=150油漆车间150150+30=180锻件车间150150+90=240铸件车间150150+90=2401.2计算全年各月份的出产投入累计编号:车间出产累计编号=成品出产累计号数+车间出产提前期定额*成品平均日产量第2页共39页第1页共39页编号:时间:2021年x月x日书山有路勤为径,学海无涯苦作舟页码:第2页共39页车间投入累计编号=成品出产累计号数+车间投入提前期定额*成品平均日产量计划期车间出产量=计划期末出产累计号数-计划期初已产出累计号数计划期车间投入量=计划期末投入累计号数-计划期初已投入累计号数由题目可得:上年度出产累计编号为2210号,因此全年各月份的出产投入累计编号如下:一月份投入累计编号=2210,一月份出产累计编号=2210+25=2235;二月份投入累计编号=2235,二月份出产累计编号=2235+26=2261;三月份投入累计编号=2261,三月份出产累计编号=2261+19=2280;四月份投入累计编号=2280...

1、当您付费下载文档后,您只拥有了使用权限,并不意味着购买了版权,文档只能用于自身使用,不得用于其他商业用途(如 [转卖]进行直接盈利或[编辑后售卖]进行间接盈利)。
2、本站所有内容均由合作方或网友上传,本站不对文档的完整性、权威性及其观点立场正确性做任何保证或承诺!文档内容仅供研究参考,付费前请自行鉴别。
3、如文档内容存在违规,或者侵犯商业秘密、侵犯著作权等,请点击“违规举报”。

碎片内容

企业生产与物流管理

确认删除?
VIP
微信客服
  • 扫码咨询
会员Q群
  • 会员专属群点击这里加入QQ群
客服邮箱
回到顶部