电脑桌面
添加小米粒文库到电脑桌面
安装后可以在桌面快捷访问

特种设备使用单位安全检查项目表VIP免费

特种设备使用单位安全检查项目表_第1页
1/12
特种设备使用单位安全检查项目表_第2页
2/12
特种设备使用单位安全检查项目表_第3页
3/12
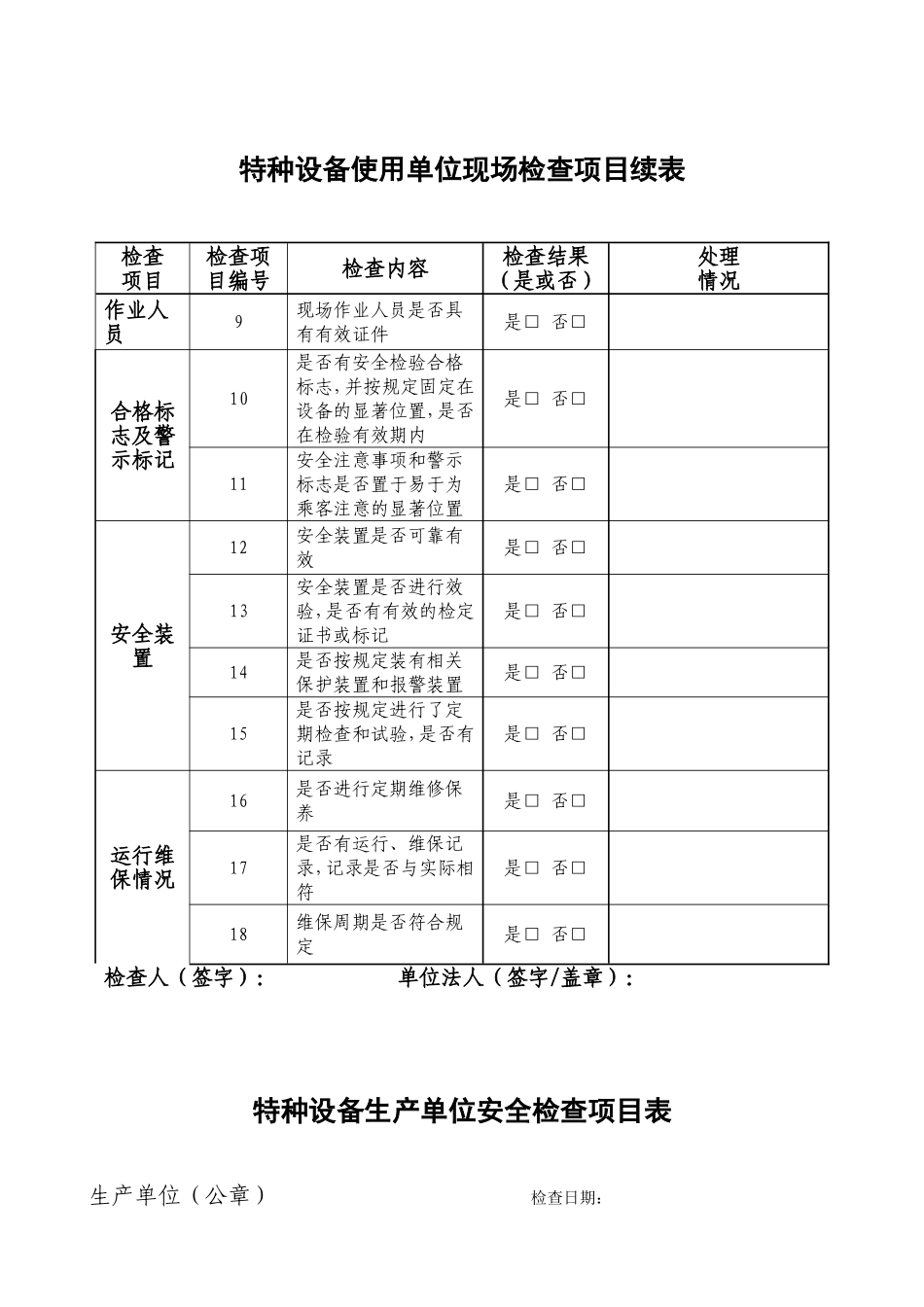
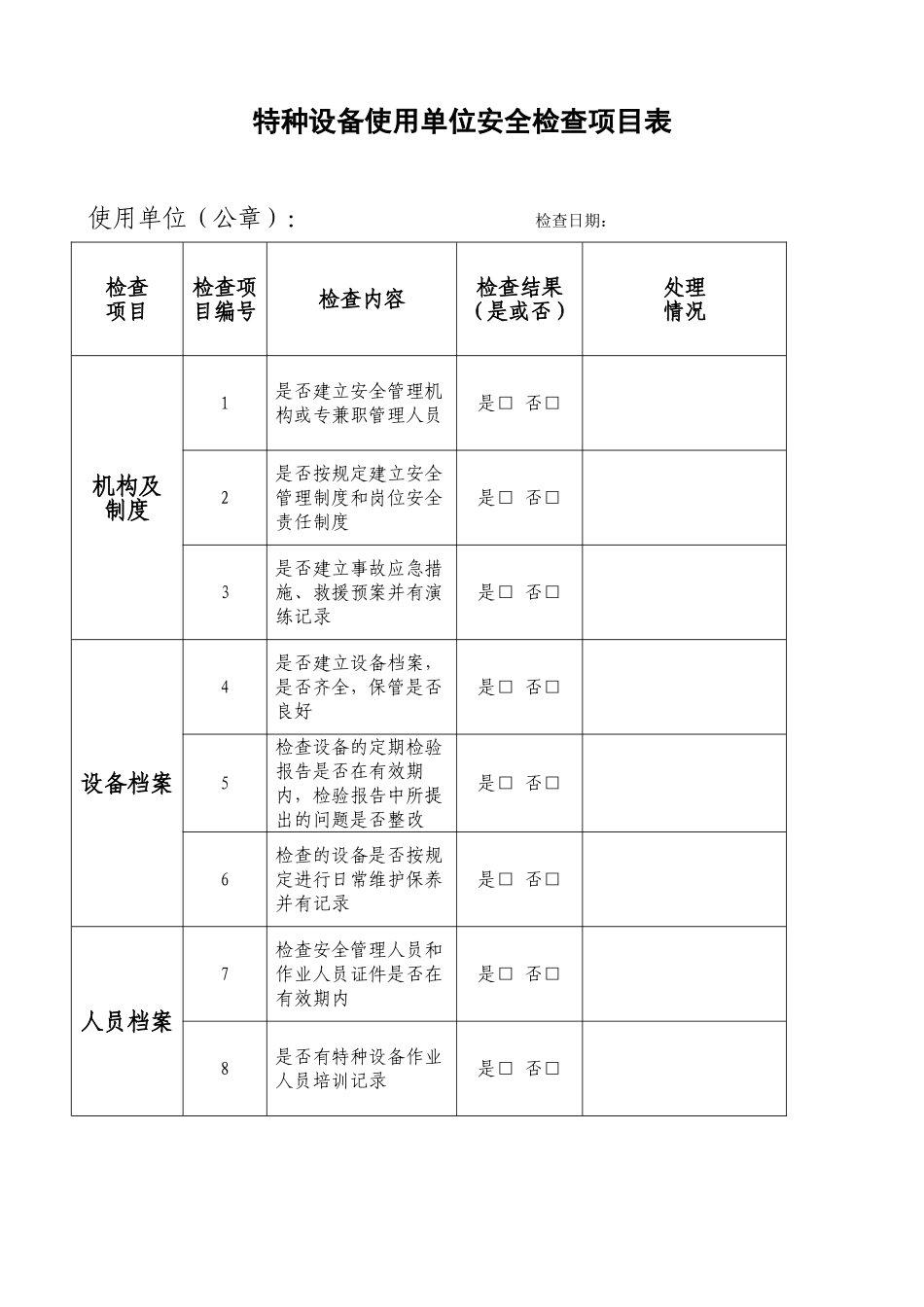
特种设备使用单位安全检查项目表使用单位(公章):检查日期:检查项目检查项目编号检查内容检查结果(是或否)处理情况机构及制度1是否建立安全管理机构或专兼职管理人员是□否□2是否按规定建立安全管理制度和岗位安全责任制度是□否□3是否建立事故应急措施、救援预案并有演练记录是□否□设备档案4是否建立设备档案,是否齐全,保管是否良好是□否□5检查设备的定期检验报告是否在有效期内,检验报告中所提出的问题是否整改是□否□6检查的设备是否按规定进行日常维护保养并有记录是□否□人员档案7检查安全管理人员和作业人员证件是否在有效期内是□否□8是否有特种设备作业人员培训记录是□否□特种设备使用单位现场检查项目续表检查项目检查项目编号检查内容检查结果(是或否)处理情况作业人员9现场作业人员是否具有有效证件是□否□合格标志及警示标记10是否有安全检验合格标志,并按规定固定在设备的显著位置,是否在检验有效期内是□否□11安全注意事项和警示标志是否置于易于为乘客注意的显著位置是□否□安全装置12安全装置是否可靠有效是□否□13安全装置是否进行效验,是否有有效的检定证书或标记是□否□14是否按规定装有相关保护装置和报警装置是□否□15是否按规定进行了定期检查和试验,是否有记录是□否□运行维保情况16是否进行定期维修保养是□否□17是否有运行、维保记录,记录是否与实际相符是□否□18维保周期是否符合规定是□否□检查人(签字):单位法人(签字/盖章):特种设备生产单位安全检查项目表生产单位(公章)检查日期:检查项目项目编号检查内容检查结果(是或否)处理情况许可资格1检查许可证是否在有效期内,发生变更是否按规定及时办理变更手续是□否□人员资格2相关安全管理和作业人员是否按规定具有资格证件,是否有效是□否□质量管理3检查现行组织机构是否符合质保手册的规定是□否□4抽查质量管理体系文件是否及时修订是□否□5抽查使用的法规、规范、标准是否及时更新是□否□6抽查管理记录的填写及签署是否齐全是□否□7抽查产品或竣工档案是否完整,归档管理是否规范是□否□档案管理8设计、制造、安装、重大维修档案是否建立是□否□9设计图样及审批手续是否符合要求是□否□10生产的相关记录是否建立并实施是□否□11监督检验的资料是否符合要求是□否□现场管理12制造、安装、改造、维修现场的安全标志设置是否符合要求是□否□13生产现场的图纸、工艺文件、记录是否符合规定和现场实际是□否□14部件、材料的保管是否符合要求是□否□15生产设备、设施是否符合规定是□否□16检验设备、仪器是否满足要求,各项检测、试验记录是否符合现场实际是□否□检查人(签字):企业法人(签字/盖章):锅炉使用情况检查项目表使用单位(公章)检查日期:锅炉型号:使用证号:检查项目项目检查内容检查结果(是或否)处理情况编号作业人员1在岗作业人员是否具有有效证件是□否□登记及检验标志2是否有使用登记证,是否在检验有效期内是□否□安全附件及安全保护装置档案管理3液位(面)计是否有最高、最低安全液位标记,液位是否显示清楚并能被作业人员正确监视是□否□4安全阀是否有有效的校验报告和铅封标记,或者水封管是否被堵塞是□否□5压力表是否有有效的检定证书或标记是□否□6温度计是否有有效的检定证书或标记是□否□7仪器仪表显示参数是否与液位计、压力表、温度计一致是□否□8是否按规定装有相关保护装置和报警装置是□否□运行参数9水位、压力、温度是否在允许范围内是□否□10是否及时填写运行记录,记录是否与实际相符是□否□本体阀门管道状况11是否发现漏气、漏水现象是□否□12是否有肉眼可见的损坏(含炉墙)是□否□水质处理设施13是否按规定配备水处理设备或进行锅内水处理(包含除氧设备)是□否□14是否有水(介)质化验记录是□否□检查人(签字):企业法人(签字/盖章):压力容器使用情况检查项目表使用单位(公章)检查日期:容器名称:使用证号:检查项目项目编号检查内容检查结果(是或否)处理情况作业人员1在岗作业人员(含带压密封作业人员)是否按规定具有有效证件是□否□登记及检验标2是否有使...

1、当您付费下载文档后,您只拥有了使用权限,并不意味着购买了版权,文档只能用于自身使用,不得用于其他商业用途(如 [转卖]进行直接盈利或[编辑后售卖]进行间接盈利)。
2、本站所有内容均由合作方或网友上传,本站不对文档的完整性、权威性及其观点立场正确性做任何保证或承诺!文档内容仅供研究参考,付费前请自行鉴别。
3、如文档内容存在违规,或者侵犯商业秘密、侵犯著作权等,请点击“违规举报”。

碎片内容

特种设备使用单位安全检查项目表

确认删除?
VIP
微信客服
  • 扫码咨询
会员Q群
  • 会员专属群点击这里加入QQ群
客服邮箱
回到顶部