电脑桌面
添加小米粒文库到电脑桌面
安装后可以在桌面快捷访问

企业订单处理作业指导doc15VIP免费

企业订单处理作业指导doc15_第1页
1/15
企业订单处理作业指导doc15_第2页
2/15
企业订单处理作业指导doc15_第3页
3/15
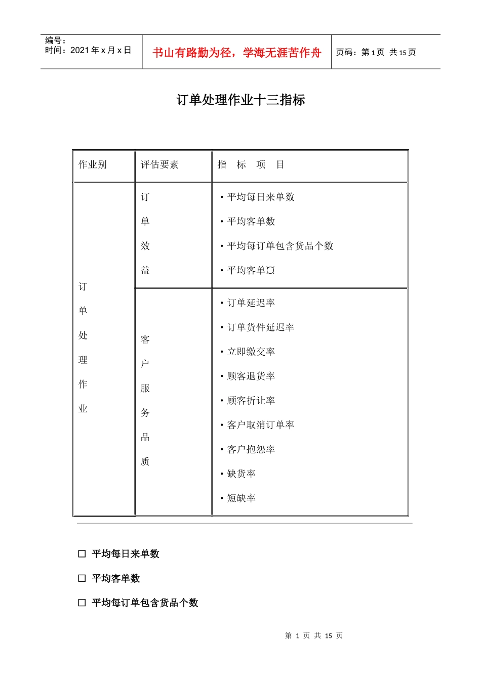
第1页共15页编号:时间:2021年x月x日书山有路勤为径,学海无涯苦作舟页码:第1页共15页订单处理作业十三指标作业别评估要素指标项目订单处理作业订单效益·平均每日来单数·平均客单数·平均每订单包含货品个数·平均客单¤客户服务品质·订单延迟率·订单货件延迟率·立即缴交率·顾客退货率·顾客折让率·客户取消订单率·客户抱怨率·缺货率·短缺率□平均每日来单数□平均客单数□平均每订单包含货品个数第2页共15页第1页共15页编号:时间:2021年x月x日书山有路勤为径,学海无涯苦作舟页码:第2页共15页□平均客单¤应用目的观察每天订单变化情形,据以研拟客户管理策略及业务发展状况。计算说明平均每日来单数=订单数量工作天数平均客单数=订单数量下游客户数平均每订单包含货品个数=出货量订单数量平均客单¤=营业额订单数量状况陈述一旦此四指标数值皆不高,表示公司业务有待拓展。改善对策(1)强化经营体质。(2)积极地从事销售活动。(3)提高货品质量,选择客户喜欢的规格,以谋求增加¤值。第3页共15页第2页共15页编号:时间:2021年x月x日书山有路勤为径,学海无涯苦作舟页码:第3页共15页(4)开拓特殊销售关系。(5)若原因出在如今营运之货品已较无市场,则引进或更换新客户及新商品。(6)若因同业竞争激烈导致业务量减少,则应调整经营方式,如¤格或销售方式等。(7)若是正临淡季时期,则应设法调整淡旺季:对季节求变动明显的货品,要经由调和有相反倾向的货品来谋求求的平衡。(8)若因信誉不佳而流失客户,则应努力提高交货品质,改善服务态度来吸引客户。订单延迟率应用目的反映交货的延迟状况。计算说明订单延迟率=延迟交货订单数订单数量指标意义公司营运的最终目的是要有能力继续吸收更多的客户与订单,而影响订单多寡的两个主要因素不外乎¤格与交运能力。而交运能力即指交货期管理力,若能确实掌握交货的准确度,则能加以提升公司的信誉以吸收更多的客户。第4页共15页第3页共15页编号:时间:2021年x月x日书山有路勤为径,学海无涯苦作舟页码:第4页共15页况陈述状若此比率过高,显示公司无法确实做到按计画与顾客要求的日期交货,对顾客的交运能力尚待加强。改善对策(1)找出瓶颈作业,进而分析瓶颈作业。(2)考虑前後作业能否互相支援或同时进行,以谋求出货时间的短缩。(3)调整出车时间。(4)掌握路况。(5)掌握欠品。(6)与客户协定配送时间。否则,将产生额外的出货延迟成本,包括:(1)客户不满意所导致的收益损失。(2)管理或办事的时间成本。(3)额外处理的成本,包括退货。□订单延迟率□订单货件延迟率应用目的评量公司是否应实施客户重点管理。计算说明订单延迟率=延迟交货订单数第5页共15页第4页共15页编号:时间:2021年x月x日书山有路勤为径,学海无涯苦作舟页码:第5页共15页订单数量订单货件延迟率=延迟交货量出货量指标意义客户之服务水准是存货管理决策之重要考虑因素。但若客户众多时,公司为了使有限之人力、物力做最有效之运用,则不得不做重点管理。未采重点管理之企业,在订单多时,订单处理人员为了使订单积压减少,常会先处理比较简单的订单,而对订单数量多处理手续较繁杂的大客户反而容易忽略,此种「小户驱逐大户」的现象,对企业绩效影响甚大。状况陈述订单延迟率低,但订单货件延迟率高,表示订货件数较多的客户交货延迟比率较高。则应确实检讨是否公司未实施客户重点管理,而应调整公司之营运策略?否则容易因此而流失重要客户!第6页共15页第5页共15页编号:时间:2021年x月x日书山有路勤为径,学海无涯苦作舟页码:第6页共15页改善对策考虑施行顾客别ABC分析!此方式即将客户重要性程度,分为A、B、C三类,而分别采重点管理。而欲以订单资料做「顾客别ABC分析时」,依照(1)各客户之购买量占营业额百分比(2)客户对公司纯益之贡献做标准(3)再加以考虑各客户与公司之其他关系以建立订单受理程序及出货顺序。一般而言,对A类客户应重点投入人力及物力,而对C类客户,则要仔细分辨其能否拉上列入B类或A类。此外,在设置物流中心时,亦可参考此种分析,将物流中心设於重要客户附近,以减少转运成本及重要客户延迟交货次数,来提高其服务水准。立...

1、当您付费下载文档后,您只拥有了使用权限,并不意味着购买了版权,文档只能用于自身使用,不得用于其他商业用途(如 [转卖]进行直接盈利或[编辑后售卖]进行间接盈利)。
2、本站所有内容均由合作方或网友上传,本站不对文档的完整性、权威性及其观点立场正确性做任何保证或承诺!文档内容仅供研究参考,付费前请自行鉴别。
3、如文档内容存在违规,或者侵犯商业秘密、侵犯著作权等,请点击“违规举报”。

碎片内容

企业订单处理作业指导doc15

确认删除?
VIP
微信客服
  • 扫码咨询
会员Q群
  • 会员专属群点击这里加入QQ群
客服邮箱
回到顶部