电脑桌面
添加小米粒文库到电脑桌面
安装后可以在桌面快捷访问

供应商评估报告-海尔VIP免费

供应商评估报告-海尔_第1页
1/15
供应商评估报告-海尔_第2页
2/15
供应商评估报告-海尔_第3页
3/15
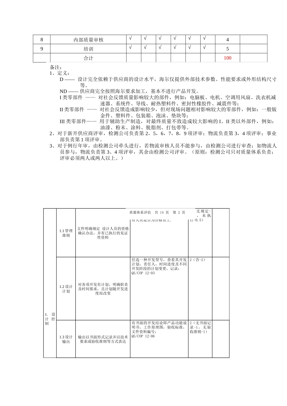
海尔集团供应商质量体系评审报告供应商::评审日期:审核对象名称:编码:地址:人数:去年度销售收入:去年度产量:固定资产:审核涉及的供货种类:编号:BJB2002.050101第0页共17页第0次修改生效期:2002.08.27口项目评估得分矩阵图要素序号项目说明适用类别标准分得分I类II类Ⅲ类DNDDNDDND1设计控制√×√×√×322文件和资料控制√√√√√√63采购和仓库√×√√√√144顾客提供物资√√√√√√25产品标识和可追溯性√×√√√√46工序控制√×√√√√177检验与试验√×√√√√16部门负责人审核签字:日期:部门负责人审核签字:日期:物流评审员签字:日期:得分:事业部评审员签字:日期:检测公司评审员签字:日期:部门负责人审核签字:日期:检测公司总经理审核意见□同意供货□不同意供货签字:年月日□例行年审■新开供应商索引:I类√_II类___III类___D_√_ND___审核类型历次审核结果:2000:2001:2002:编号:项目说明1设计控制322文件和资料控制63采购和仓库144顾客提供物资25产品标识和可追溯性46工序控制177检验与试验168内部质量审核49培训5体系最终得分100现场审查与供应商初审时自填的符合性最后得分口符合口不符合供应商纠正措施:1.2.3.4.5.6.供应商实施监督人:实施完成日期:(以最终完成日期为准,并应将见证性资料存档)供应商等级优先考虑,重点发展(≥90分)可接受,一般供应商(70~90分)不可接受,不应纳入配套(低于70分;初审时弄虚作假)最终审核得分:海尔集团公司供应商评估报告8内部质量审核√√√√√√49培训√√√√√√5合计1001.设计控制1.1管理准则文件明确规定设计人员的资格确认办法,并有已执行的见证性资料查看厂家如何任命设计人员,查看现有人员的聘任记录,查看现有人员是否为合格员工.1(无规定-0.5,未执行-0.5)1.2设计计划对各项开发有计划,明确职责及时间要求,且计划随开发进度而改变任选一种开发型号,查看其开发计划,责任人,时间进度及不同开发阶段的计划变更,记录:QS/COP12-032(否-2)1.3设计输出输出以书面形式记录并以技术要求或验收准则等方式表达有书面的开发结论即产品功能说明书,工作原理图,验收标准,文件资料编号:QS/COP12-062(无书面记录-1,无验收准则-1)备注:1、定义:D——设计完全依赖于供应商的设计水平,海尔仅提供外部技术参数、性能要求或外形结构尺寸等。ND——供应商完全按照海尔要求加工,基本不进行产品开发。I类零部件——对社会反馈质量影响较大的部件,例如:电脑板、电机、空调用风扇、洗衣机减速器、系统件、导线、耐热塑料件、密封性橡胶件、减震件等;II类零部件——对社会反馈造成影响较少,但对现场问题相对影响较大的零部件,例如:一般钣金件、塑料件、包装箱、泡沫、垫块等;III类零部件——用于辅助生产制造,对最终质量不致造成较大影响的I、II类以外部件,例如:油漆、粉末、涂料、脱脂剂、打包带等。2、对于新开供应商评审,检测公司负责第2,5,6,7,8,9项评审;物流负责第3,4项评审;事业部负责第1项评审。3、对于例行年审,由检测公司牵头进行,若物流审核人员不能参与,由检测公司进行审查;如物流人员参与,物流负责第3、4项评审,其余由检测公司评审。(原则:检测公司只对质量体系负责;评审必须两人或两人以上。)质量体系评估共14页第2页输出内容满足输入要求,并标出与安全和产品主要功能关系重大的设计特性开发前的技术要求(即客户的技术要求)与开发初步成功后的输出文件对比,是否一致,是否标出特殊设计特性2(输出不满足输入-1.5,未标出特性-0.51.4设计评审与产品质量相关的部门参与,且评审记录保存良好上述型号分几阶段评审,每一阶段必须有质量相关的所有部门参与会签。记录:3(无评审-3,有评审但部门不全-1.5)对评审不合格项有纠正及改进措施,并实际执行对评审结论中不合格有纠正措施及整改计划,计划到期的是否整改完成。记录:3(无措施-3,未按期完成-21.设计控制1.5设计验证有验证计划,并有验证记录(含整机验证)新开发或改进后必须进行功能验证和整机验证(模拟用户试验记录)。整机设备及报告记录:/5(...

1、当您付费下载文档后,您只拥有了使用权限,并不意味着购买了版权,文档只能用于自身使用,不得用于其他商业用途(如 [转卖]进行直接盈利或[编辑后售卖]进行间接盈利)。
2、本站所有内容均由合作方或网友上传,本站不对文档的完整性、权威性及其观点立场正确性做任何保证或承诺!文档内容仅供研究参考,付费前请自行鉴别。
3、如文档内容存在违规,或者侵犯商业秘密、侵犯著作权等,请点击“违规举报”。

碎片内容

供应商评估报告-海尔

确认删除?
VIP
微信客服
  • 扫码咨询
会员Q群
  • 会员专属群点击这里加入QQ群
客服邮箱
回到顶部