电脑桌面
添加小米粒文库到电脑桌面
安装后可以在桌面快捷访问

俄国系列飞机介绍VIP免费

俄国系列飞机介绍_第1页
1/8
俄国系列飞机介绍_第2页
2/8
俄国系列飞机介绍_第3页
3/8
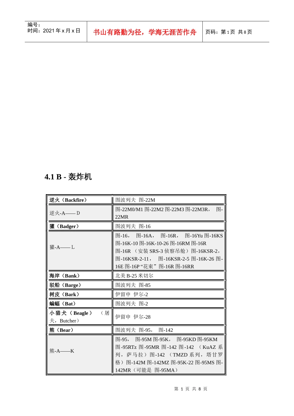
第1页共8页编号:时间:2021年x月x日书山有路勤为径,学海无涯苦作舟页码:第1页共8页4.1B-轰炸机逆火(Backfire)图波列夫图-22M逆火-A——D图-22M0/M1图-22M2图-22M3图-22M3R,图-22MR獾(Badger)图波列夫图-16獾-A——L图-16,图-16A,图-16R,图-16Yu图-16KS图-16K-10图-16K-10-26图-16RM图-16R图-16R(安装SRS-3侦察吊舱)图-16KSR-2,图-16KSR-2-11,图-16KSR-2-5图-16K-26图-16E图-16P“花束”图-16R图-16RR海岸(Bank)北美B-25米切尔驳船(Barge)图波列夫图-85树皮(Bark)伊留申伊尔-2蝙蝠(Bat)图波列夫图-2小猎犬(Beagle)(屠夫,Butcher)伊留申伊尔-28熊(Bear)图波列夫图-95,图-142熊-A——K图-95,图-95M图-95K,图-95KD图-95KM图-95RTz图-95MR图-142图-142(KuAZ系列,萨马拉)图-142(TMZD系列,塔甘罗格)图-142M图-142MZ图-95K-22图-95MS图-142MR(可能是图-95MA)第2页共8页第1页共8页编号:时间:2021年x月x日书山有路勤为径,学海无涯苦作舟页码:第2页共8页野兽(Beast)伊留申伊尔-10野牛(Bison)米亚西舍夫M-4,3M野牛-A野牛-B野牛-C(原名野牛-A1)米亚西舍夫M-4米亚西舍夫3MR米亚西舍夫3M海盗旗(Blackjack)图波列夫图-160眼罩(Blinder)(美女,Beauty)图波列夫图-22眼罩-A——E图-22B图-22K图-22P图-22U图-22RM/RDM喷灯(Blowlamp)伊留申伊尔-54鲍勃(Bob)伊留申伊尔-4靴子(Boot)图波列夫图-91水手长(Bosun)图波列夫图-14暴发户(Bounder)米亚西舍夫M-50盒子(Box)道格拉斯A-20波士顿冷酷(Brawny)伊留申伊尔-40酒具(Brewer)(臂章,Brassard)雅科夫列夫雅克-28酒具-A——E雅科夫列夫雅克-28B雅克-28L雅克-28I雅克-28R雅克-28PP公羊(Buck)佩特里雅科夫佩-2公牛(Bull)图波列夫图-4屠夫(Butcher)图波列夫图-82伊留申伊尔-102苏霍伊T-4苏霍伊T-64.2C-运输机ASIC(ASCC)/北约命名型号出租车(Cab)李苏诺夫李-2(道格拉斯DC-3)拱面(Camber)伊留申伊尔-86骆驼(Camel)图波列夫图-104营地(Camp)安东诺夫安-8第3页共8页第2页共8页编号:时间:2021年x月x日书山有路勤为径,学海无涯苦作舟页码:第3页共8页耿直(Candid)伊留申伊尔-76耿直-A耿直-B伊留申伊尔-76,伊尔-76T,伊尔-76TD伊留申伊尔-76M,伊尔-76MD粗疏(Careless)图波列夫图-154大车(Cart)图波列夫图-70现金(Cash)安东诺夫安-28猫(Cat)安东诺夫安-10禅宗(Chan)哈尔滨运-11战马(Charger)图波列夫图-144蛤(Clam)伊留申伊尔-18(第1种)叮当(Clank)安东诺夫安-30古典(Classic)伊留申伊尔-62夹板(Cleat)图波列夫图-114种群(Cline)安东诺夫安-32猛击(Clobber)雅科夫列夫雅克-42土块(Clod)安东诺夫安-14教练(Coach)伊留申伊尔-12煤工(Coaler)安东诺夫安-72,安-74煤工-A——D安-72(原型机)安-74安-72(生产型)安-74TK-300公鸡(Cock)安东诺夫安-22幼鳕(Codling)雅科夫列夫雅克-40可乐(Coke)安东诺夫安-24小马(Colt)安东诺夫安-2秃鹫(Condor)安东诺夫安-124厨具(Cooker)图波列夫图-110厨锅(Cookpot)图波列夫图-124黑鸦(Coot)伊留申伊尔-18(第2种)第4页共8页第3页共8页编号:时间:2021年x月x日书山有路勤为径,学海无涯苦作舟页码:第4页共8页黑鸦-A黑鸦-B黑鸦-C(所有版本:伊尔-18,伊尔-20,伊尔-22,伊尔-24)伊尔-20伊尔-22伊尔-24(计划中)木塞(Cork)雅科夫列夫雅克-16哥萨克(Cossack)安东诺夫安-225莫利亚木箱(Crate)伊留申伊尔-14木箱-C伊留申伊尔-14(波兰进行许可证生产;电子战版?)溪流(Creek)雅科夫列夫雅克-12溪流-A——D雅克-12雅克-12R雅克-12M雅克-12A食槽(Crib)雅科夫列夫雅克-8乌鸦(Crow)雅科夫列夫雅克-12硬壳(Crusty)图波列夫图-134幼兽(Cub)安东诺夫安-12幼兽安-12安-12BP安-12BK-IS安-12BKS安-12PP安-12BK-PPS手铐(Cuff)别里夫别-30,别-32卷发(Curl)安东诺夫安-26卷发-AB安东诺夫安-26安-26RT安东诺夫安-38安-70安-140伊留申伊尔-96伊尔-114图波列夫图-204图-3344.3F-歼击机ASIC(ASCC)/北约命名型号面板(Faceplate)米高扬E-2A柴把(Fagot)(隼,Falcon...

1、当您付费下载文档后,您只拥有了使用权限,并不意味着购买了版权,文档只能用于自身使用,不得用于其他商业用途(如 [转卖]进行直接盈利或[编辑后售卖]进行间接盈利)。
2、本站所有内容均由合作方或网友上传,本站不对文档的完整性、权威性及其观点立场正确性做任何保证或承诺!文档内容仅供研究参考,付费前请自行鉴别。
3、如文档内容存在违规,或者侵犯商业秘密、侵犯著作权等,请点击“违规举报”。

碎片内容

俄国系列飞机介绍

确认删除?
VIP
微信客服
  • 扫码咨询
会员Q群
  • 会员专属群点击这里加入QQ群
客服邮箱
回到顶部