电脑桌面
添加小米粒文库到电脑桌面
安装后可以在桌面快捷访问

凯润金城给水排水及采暖工程监理实施细则VIP免费

凯润金城给水排水及采暖工程监理实施细则_第1页
1/19
凯润金城给水排水及采暖工程监理实施细则_第2页
2/19
凯润金城给水排水及采暖工程监理实施细则_第3页
3/19
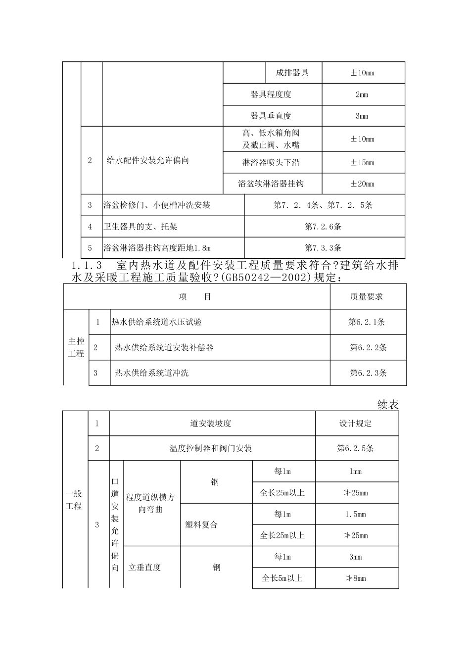
B13B13凯润金城工程监理施行细那么监理施行细那么〔给水排水及采暖工程〕内容提要:专业工程特点监理工作流程监理工作控制目的及控制要点监理工作及措施工程监理机构〔章〕专业监理工程师总监理工程师日江苏建立监制给水排水及采暖工程施工质量监理施行细那么1给水系统1.1建筑给水工程质量要求室内给水道及配件安装工程质量要求符合?建筑给水排水及采暖工程施工质量验收?(GB50242—2002)规定。项目质量要求主控工程1给水道水压试验第4.2.1条2给水系统通水试验第4.2.2条3生活给水系统道冲洗和清第4.2.3条4直埋金属给水道防腐第4.2.4条一般工程一l给水排水设的平行、垂直净距第4.2.5条2金属给水道及件焊接第4.2.6条3给水不平道坡度坡向第4.2.7条4道支、吊架第4.2.9条5水表安装第4.2.10条6程度道纵、横方向弯允许偏向钢每1m1mm全长25m以上≯25mm塑料复合每1m1.5mm全长25m以上≯25mm铸铁每1m2mm全长25m以上≯25mm立垂直度允许偏向钢每lm3mm全长5m以上≯8mm塑料复合每1m2mm全长5m以上≯8mm铸铁每1m3mm全长5m以上≯10mm7成排段和成排阀门在同一平面上的间距3mm室内给水道附件及卫生间器具给水配件安装工程质量要求符合?建筑给水排水及采暖工程施工质量验收?(GB50242—2002)规定。项目质量要求主控工程l排水栓与地漏安装第7.2.1条2卫生器具满水试验和通水试验第7.2.2条3卫生器具给水配件第7.2.3条一般工程1卫生器具安装允许偏向坐标单独器具10mm成排器具5mm标高单独器具±15mm成排器具±10mm器具程度度2mm器具垂直度3mm2给水配件安装允许偏向高、低水箱角阀及截止阀、水嘴±10mm淋浴器喷头下沿±15mm浴盆软淋浴器挂钩±20mm3浴盆检修门、小便槽冲洗安装第7.2.4条、第7.2.5条4卫生器具的支、托架第7.2.6条5浴盆淋浴器挂钩高度距地1.8m第7.3.3条1.1.3室内热水道及配件安装工程质量要求符合?建筑给水排水及采暖工程施工质量验收?(GB50242—2002)规定:项目质量要求主控工程1热水供给系统道水压试验第6.2.1条2热水供给系统道安装补偿器第6.2.2条3热水供给系统道冲洗第6.2.3条续表一般工程l道安装坡度设计规定2温度控制器和阀门安装第6.2.5条3口道安装允许偏向程度道纵横方向弯曲钢每lmlmm全长25m以上≯25mm塑料复合每1m1.5mm全长25m以上≯25mm立垂直度钢每1m3mm全长5m以上≯8mm塑料复合每1m2mm全长5m以上≯8mm成排段和成排阀门在同一平面上的间距3mm4保温层允许偏向厚度+0.1δ-0.05δ外表平整度卷材5mm涂抹10mm1.2建筑给水工程监理预控内容1.2.1审核设计图纸组织施工图纸的没汁交底会。审核和熟悉施工图纸理解工程特点和工程质量的要求+将设计图纸中影响施工进展、图纸过失和工程质量等问题汇总记录形成。并及时组织设计交底会议做好设计变更和工程洽商等图纸预控审核工作。1.2.2审核承包提交监理的施工方案及技术交底。承包编写的施工方案必须经监理工程师审核批准前方可进展施工施工方案一经批准施工必须认真执行不得擅自改动。必要时进展样板试验引路。1.2.3对分包的资质施工理人员、技术人员的资格特殊技术工:种的上岗证要进展审核。1.2.4安装开场之前应对土建工程的基面进展验收对基面的外形尺寸、标高、坐标、坡度以及预留洞和预埋件要对照图纸进展核验。1.2.5工程上使用的各种材料、配件及设备应经过监理工程师的认定。使用的各种材及件其规格应符合设计要求壁厚薄均匀内外壁光滑整洁不得有伤残、砂眼、裂纹材、件应有出厂合格证。使用的各种配件、附件(如水表、消火栓、饮水器、喷头等)其规格要符合设计要求要经过自来水、消防等业务部门确认的证明所使用的阀门其规格、型和材质应符合设计要求热水阀门应符合温度要求。阀门铸造规矩外表光洁无裂纹开关灵敏关闭严填料封完好无渗漏手轮完好无损坏要有出厂合格证。阀门安装前应作耐压强度试验。试验应以每批(同牌、同规格、同型)数量中抽查10%且不少于一个如有漏、裂不合格的应再抽查20%仍有不合格的那么须逐个试验。对于安装在主干上起切断作用的闭路阀门应逐个作强度和严性试验。强度和严性试验压力应为阀门出厂规定的压力。凡采用新材料、新型制品应检查技术鉴定;必要时应到消费厂家实地考察其消费工艺、质量控制、检测手段然...

1、当您付费下载文档后,您只拥有了使用权限,并不意味着购买了版权,文档只能用于自身使用,不得用于其他商业用途(如 [转卖]进行直接盈利或[编辑后售卖]进行间接盈利)。
2、本站所有内容均由合作方或网友上传,本站不对文档的完整性、权威性及其观点立场正确性做任何保证或承诺!文档内容仅供研究参考,付费前请自行鉴别。
3、如文档内容存在违规,或者侵犯商业秘密、侵犯著作权等,请点击“违规举报”。

碎片内容

凯润金城给水排水及采暖工程监理实施细则

您可能关注的文档

确认删除?
VIP
微信客服
  • 扫码咨询
会员Q群
  • 会员专属群点击这里加入QQ群
客服邮箱
回到顶部