电脑桌面
添加小米粒文库到电脑桌面
安装后可以在桌面快捷访问

农花村经济适用房工程监理实施细则(人工挖孔桩)VIP免费

农花村经济适用房工程监理实施细则(人工挖孔桩)_第1页
1/6
农花村经济适用房工程监理实施细则(人工挖孔桩)_第2页
2/6
农花村经济适用房工程监理实施细则(人工挖孔桩)_第3页
3/6
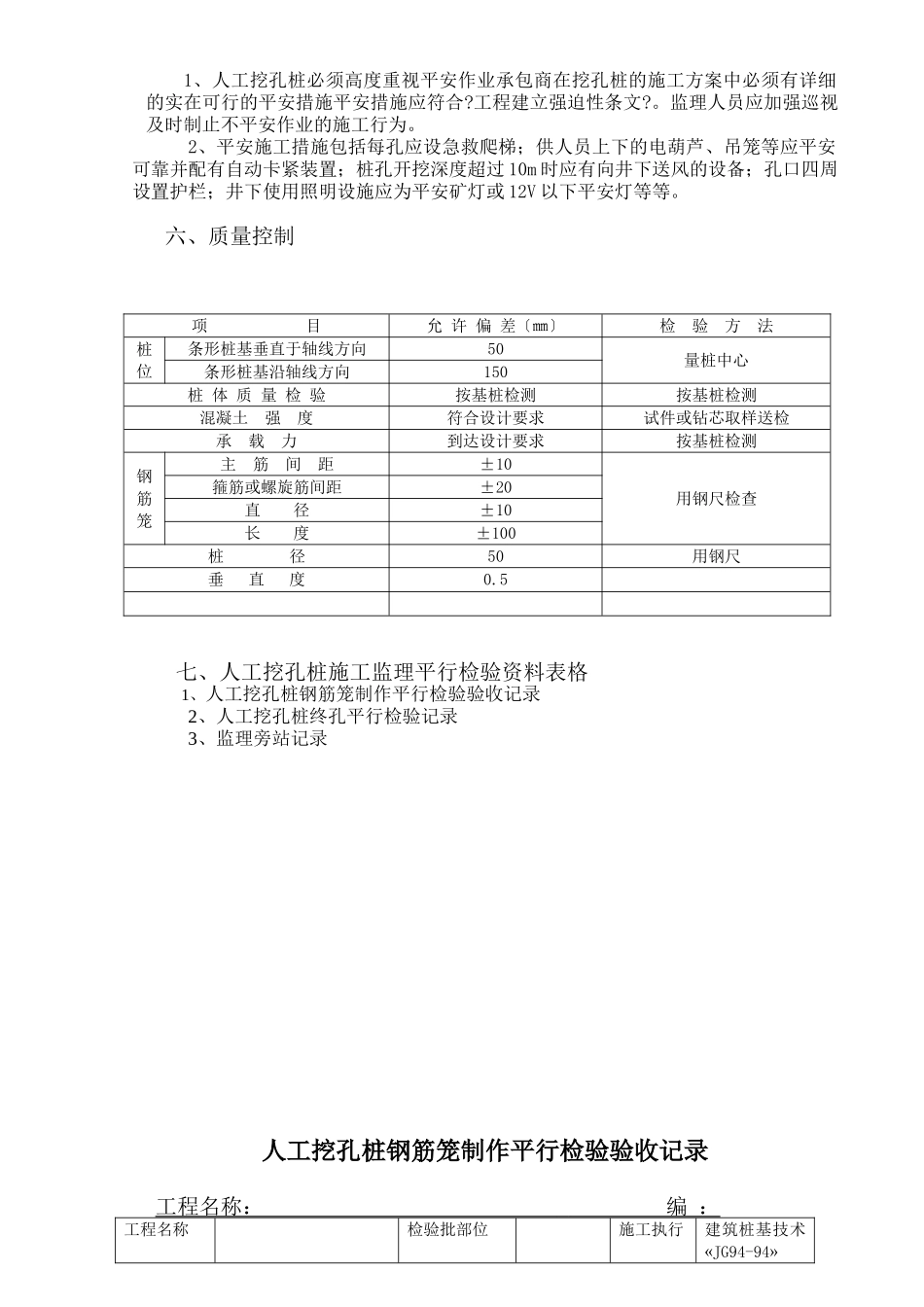
B13-1-42B13-1-42农花村经济适用房工程监理施行细那么监理施行细那么〔桩基工程-人工挖孔桩〕控制要点:定位成孔护壁钢筋与混凝土平安与验收工程监理部〔章〕:专业监理工程师:总监理工程师:技术总负责:日:江苏建立监制一、工程概况:工程名称:农花村经济适用房;建立:康益房地产开发;设计:南京中艺建筑设计院南京建筑设计研究院。地质勘察:南京勘察工程有限院;桩基施工:南京建工集团江苏地基;质监:南京雨花质监站。本工程地基根底设计等级为乙级一为:05及S05、06及S06、S07、S08、09、10、11栋及1#人防地下室为人工挖孔桩共计0根桩径均为900—1000mm扩大头Ø1300——Ø1500mm不等桩身混凝土等级强度为、C25、C30桩体配筋见设计图纸保护层厚度为50mm桩端进入5-1—5-2持力层层500—1000mm护壁混凝土强度等级为C25、C30护壁配筋详见设计图纸。二:01及S02、02、03、04、07、08、12、13、S04栋及#2车库、幼儿园为人工挖孔桩共计800根桩径均为900—1000mm扩大头Ø1300——Ø1500mm不等桩身混凝土等级强度为、C25、C30桩体配筋见设计图纸保护层厚度为50mm桩端进入5-1—5-2持力层层500—1000mm护壁混凝土强度等级为C25、C30护壁配筋详见设计图纸。二、原材料控制1、钢材、焊接钢材进场时催促施工及时提供钢材出厂合格证、质保书、化验单进展原材料进场报验同时对钢材进场外观进展验收。由现场见证取样人及时对进场的钢材按要求进场现场抽检并送复试待复查合格前方可同意投入工程使用。焊接试件必须经已审核过的专业人员进展施焊见证人员现场见证。焊接试件及时送检测进展复试合格前方可进展大批制作投入工程使用。2、水泥、石子、黄沙等护壁使用的水泥、石子、黄沙首次进场催促施工及时提供相关出厂质保资料由见证取样人员现场取样送检测进展相关检验复试出具混凝土现场配合比。严格按照相关材料现场取样检测批次的规定催促施工做好后续材料进场检测。三、桩基检测1、荷载板试验2、桩基超声波检测3、桩基抗拔检测4、小应变等相关检测以上桩基检测严格按照桩基检测方案四、施工控制〔一〕、定位1、承包商放线定位完成后应提交施工测量报验单监理进展复核。2、施放后的控制桩应有明显标记并加以保护对各种标桩、标点再次使用前要进展复查无误后再使用。〔二〕、成孔1、承包商在开挖前必须制定详细的施工方案经监理审核前方可施行。2、挖孔时应有排水或降水的设施每节挖孔深度应严格按施工方案控制并及时进展护壁施工。3、涌水及流砂时应暂停施工待采用加固措施或制定新的方案后方可再进展施工。4、当挖至持力层时应取样鉴定该样品应保存至工程开工验收并由专业人员下井核验后确定终止深度。5、扩大头应在持力层鉴定检收后方可进展施工。〔三〕、护壁1、第一节井圈护壁中心线与设计轴线的偏向不得大于20㎜;顶面应比场地高出150~200㎜;壁厚比下面井壁厚度增加100~150㎜;2、每节护壁均应在当天连续施工完毕;3、同一程度面上的井圈任意直径的极差不得大于50㎜;4、当采用砖砌护壁时〔1〕砖及砂浆标应符合设计要求,须经过检验合格后,才能施工;〔2〕砌筑深度,应与挖土深度配合,最长深度不应超过1~1.5m;〔3〕砌筑时,砖须事先浇水润湿,砌筑应逐皮进展。砂浆务须饱满实,外表平正,砌体强度到达验收,垂直偏向不大于0.5;5、当采用混凝土护壁时护壁的厚度、拉结钢筋、配筋、混凝土强度均应符合设计要求;6、当遇有部分或厚度不超过1.5m的流动性淤泥和可能出现涌土涌砂时必须严格按施工技术方案中的预案执行;〔四〕、钢筋笼制作安装与混凝土灌注1、钢筋笼制作与混凝土施工尚应按本细那么中钢筋工程与混凝土工程部分进展控制。2、钢筋笼制作可分节进展在井口焊接成型其工艺应严格立焊焊接规程进展并提早施焊二组待试验合格后方可进展正式施工。3、混凝土为水下浇筑时应按以下控制:ɑ.混凝土坍落度16~20cm水泥标不低于425水灰比小于0.50初凝不早于1.5h含砂率控制在45左右。b.灌注桩混凝土时首灌混凝土应将导埋入深度不少于0.8m灌注正常后应连续施工严禁中途停工并应适时提升逐级拆卸导保持导埋深不少于2m不大于6m。五、平安与验收1、人工挖孔桩必须高度重视平安作业承包商在挖孔...

1、当您付费下载文档后,您只拥有了使用权限,并不意味着购买了版权,文档只能用于自身使用,不得用于其他商业用途(如 [转卖]进行直接盈利或[编辑后售卖]进行间接盈利)。
2、本站所有内容均由合作方或网友上传,本站不对文档的完整性、权威性及其观点立场正确性做任何保证或承诺!文档内容仅供研究参考,付费前请自行鉴别。
3、如文档内容存在违规,或者侵犯商业秘密、侵犯著作权等,请点击“违规举报”。

碎片内容

农花村经济适用房工程监理实施细则(人工挖孔桩)

墨香书阁+ 关注
实名认证
内容提供者

热爱教学事业,对互联网知识分享很感兴趣

确认删除?
VIP
微信客服
  • 扫码咨询
会员Q群
  • 会员专属群点击这里加入QQ群
客服邮箱
回到顶部