电脑桌面
添加小米粒文库到电脑桌面
安装后可以在桌面快捷访问

办公楼扩建项目工程监理工作总结VIP免费

办公楼扩建项目工程监理工作总结_第1页
1/7
办公楼扩建项目工程监理工作总结_第2页
2/7
办公楼扩建项目工程监理工作总结_第3页
3/7
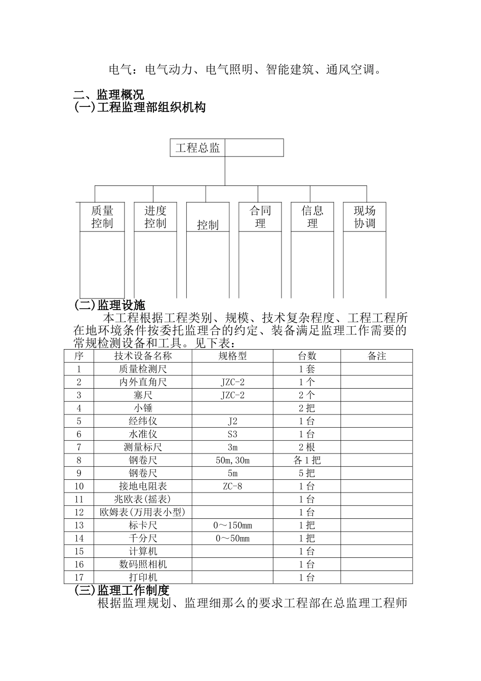
某某某某某某某某某办公楼扩建工程工程监理工作总结一、工程概况1、工程名称:2、工程地点:3、构造类型:钢构造2层4、建筑面积:1285m25、总造价:人民币6180000.00元6、建立:7、勘察:8、设计:9、监理:10、施工:11、开工日:2010年2月24日12、工程完工日:2010年7月1日13、质量目的:合格14、概况:根底:钢筋混凝土根底、条形根底;砖条形根底;地圈梁。屋面:彩钢板屋面。主要门窗:铝合金门窗。主要楼地面材料:地砖地面、地毯地面。外装饰:外墙三明治板部分幕墙装饰。内装饰:乳胶漆部分砖墙饰面板。水、暖、卫:室内普通给排水系统、钢制散热器采暖系统、火灾及消防联动系统、自动喷淋灭火系统。电气:电气动力、电气照明、智能建筑、通风空调。二、监理概况(一)工程监理部组织机构工程总监质量控制进度控制控制合同理信息理现场协调(二)监理设施本工程根据工程类别、规模、技术复杂程度、工程工程所在地环境条件按委托监理合的约定、装备满足监理工作需要的常规检测设备和工具。见下表:序技术设备名称规格型台数备注1质量检测尺1套2内外直角尺JZC-21个3塞尺JZC-22个4小锤2把5经纬仪J21台6水准仪S31台7测量标尺3m2根8钢卷尺50m,30m各1把9钢卷尺5m5把10接地电阻表ZC-81台11兆欧表(摇表)1台12欧姆表(万用表小型)1台13标卡尺0~150mm1把14千分尺0~50mm1把15计算机1台16数码照相机1台17打印机1台(三)监理工作制度根据监理规划、监理细那么的要求工程部在总监理工程师主持下订立了监理例会制度、监理人员岗位责任制、旁站监理制度、理制度、交接班制度等各项规章制度并将各项制度上墙公布催促所有成员努力工作为业主尽职尽责。1、各专业安排专人每天负责填写监理日记。2、各专业监理工程师每天对施工现场采取巡检、平行检查关键工序、关键部位全过程旁站监理等进展监视检查必要时工程监理部实行间值班制度。3、每周由总监或总监代表参加召开工地例会总结上周工程施工完成情况催促工程部布置下周施工任务提交三周施工进度方案并对施工过程中出现的问题进展分析、查找原因并催促及时解决改正。4、每月由总监或总监代表组织编写月报总结本月内各专业监理情况及时向业主及汇报。5、各专业委派专人负责编制整理资料派专人负责理、业主下发的工程以及承包发出的指并形成收发登记备查。6、工程监理部在总监或总监代表主持下每季度分专业进展一次阶段性监理工作总结;开工验收后对监理工作进展一次全面总结。(四)工程部理制度1、监理部墙上嵌挂“总监理工程师岗位职责〞、“专业监理工岗位职责〞、“监理员岗位职责〞“职业道德守那么〞、“质量方针〞等制度题板用以指导监理人员有序工作。2、监理部所有监理人员进入现场工作时统一佩戴带有标志的平安帽并做好各项平安防护措施。3、内配置电脑、打印机、夹等所需办公用品并实现化理。三、工程监理部工作及原那么工程监理部进入现场后以总监理工程师为首的工程监理部各专业监理工程师从工程建立工程实际出发以贯彻、落实有关政策、严格履行?建立工程委托监理合同?、认真执行有关技术、和各项法规为原那么以建立质量高、合理、速度快的工程为控制目的以“守法、诚信、公正、科学〞为行业以事前指导、事中检查、事后验收等为工作全面地开展监理工作。同时在工作中各专业监理工程师严格行使?建立监理委托合同?中赋予监理工程师的权利以精干的业务知识、实事求是的敬业精、一丝不苟的科学态度和公正廉洁的工组作风从严依法监理在工作中不断加强监理组织理积极探究总结工作经历使监理工作真正表达出它的科学性、公正性。在对业主的效劳方面监理部在不超出监理合同规定的监理范围内尽量满足业主提出的要求努力做好业主的参谋和代理人。在对承包的理方面采取以为主、以“监、帮、促〞相结合的原那么开展工作同时催促承包推行全面质量理促进工程建立理程度不断迈向新台阶。四、监理合同履行情况(一)工程质量控制工程质量控制是本次履行监理合同的核心内容也是我们工程监理部的主要工作目的。为此工程监理部各专业监理工程师在总监理工程师的带着下从影响工程质量的五个因素入手运用主动控制与被动控制相结合的对工程的施工质量采取事前、事...

1、当您付费下载文档后,您只拥有了使用权限,并不意味着购买了版权,文档只能用于自身使用,不得用于其他商业用途(如 [转卖]进行直接盈利或[编辑后售卖]进行间接盈利)。
2、本站所有内容均由合作方或网友上传,本站不对文档的完整性、权威性及其观点立场正确性做任何保证或承诺!文档内容仅供研究参考,付费前请自行鉴别。
3、如文档内容存在违规,或者侵犯商业秘密、侵犯著作权等,请点击“违规举报”。

碎片内容

办公楼扩建项目工程监理工作总结

您可能关注的文档

墨香书阁+ 关注
实名认证
内容提供者

热爱教学事业,对互联网知识分享很感兴趣

确认删除?
VIP
微信客服
  • 扫码咨询
会员Q群
  • 会员专属群点击这里加入QQ群
客服邮箱
回到顶部