电脑桌面
添加小米粒文库到电脑桌面
安装后可以在桌面快捷访问

啤酒企业新瓶保管员岗位说明书VIP免费

啤酒企业新瓶保管员岗位说明书_第1页
1/3
啤酒企业新瓶保管员岗位说明书_第2页
2/3
啤酒企业新瓶保管员岗位说明书_第3页
3/3
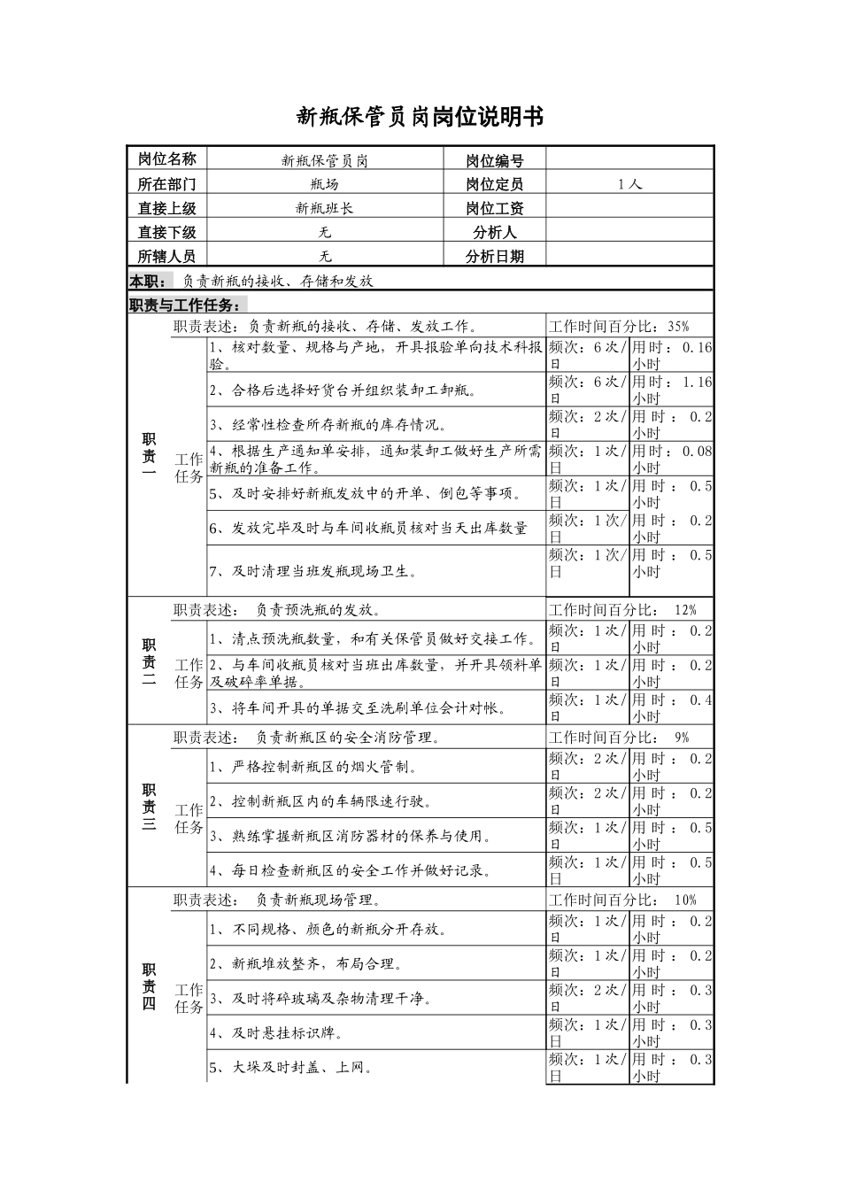
新瓶保管员岗岗位说明书岗位名称新瓶保管员岗岗位编号所在部门瓶场岗位定员1人直接上级新瓶班长岗位工资直接下级无分析人所辖人员无分析日期本职:负责新瓶的接收、存储和发放职责与工作任务:职责一职责表述:负责新瓶的接收、存储、发放工作。工作时间百分比:35%工作任务1、核对数量、规格与产地,开具报验单向技术科报验。频次:6次/日用时:0.16小时2、合格后选择好货台并组织装卸工卸瓶。频次:6次/日用时:1.16小时3、经常性检查所存新瓶的库存情况。频次:2次/日用时:0.2小时4、根据生产通知单安排,通知装卸工做好生产所需新瓶的准备工作。频次:1次/日用时:0.08小时5、及时安排好新瓶发放中的开单、倒包等事项。频次:1次/日用时:0.5小时6、发放完毕及时与车间收瓶员核对当天出库数量频次:1次/日用时:0.2小时7、及时清理当班发瓶现场卫生。频次:1次/日用时:0.5小时职责二职责表述:负责预洗瓶的发放。工作时间百分比:12%工作任务1、清点预洗瓶数量,和有关保管员做好交接工作。频次:1次/日用时:0.2小时2、与车间收瓶员核对当班出库数量,并开具领料单及破碎率单据。频次:1次/日用时:0.2小时3、将车间开具的单据交至洗刷单位会计对帐。频次:1次/日用时:0.4小时职责三职责表述:负责新瓶区的安全消防管理。工作时间百分比:9%工作任务1、严格控制新瓶区的烟火管制。频次:2次/日用时:0.2小时2、控制新瓶区内的车辆限速行驶。频次:2次/日用时:0.2小时3、熟练掌握新瓶区消防器材的保养与使用。频次:1次/日用时:0.5小时4、每日检查新瓶区的安全工作并做好记录。频次:1次/日用时:0.5小时职责四职责表述:负责新瓶现场管理。工作时间百分比:10%工作任务1、不同规格、颜色的新瓶分开存放。频次:1次/日用时:0.2小时2、新瓶堆放整齐,布局合理。频次:1次/日用时:0.2小时3、及时将碎玻璃及杂物清理干净。频次:2次/日用时:0.3小时4、及时悬挂标识牌。频次:1次/日用时:0.3小时5、大垛及时封盖、上网。频次:1次/日用时:0.3小时职责五职责表述:负责控制各类新瓶的库存定额。工作时间百分比:8%工作任务1、控制好各类新瓶的库存数量。频次:1次/日用时:0.1小时2、达到库存定额后,及时上报领导。频次:1次/日用时:0.2小时职责六职责表述:负责新瓶台帐、报表和统计对帐。工作时间百分比:8%工作任务1、负责填写新瓶台帐和各类报表。频次:1次/日用时:0.5小时2、负责开具装卸作业单。频次:1次/日用时:0.2小时3、负责与本部门统计对帐。频次:1次/月用时:2小时职责七职责表述:负责装卸新瓶的管理。工作时间百分比:16%工作任务1、监督装卸工的装卸质量,杜绝野蛮装卸。频次:1次/日用时:0.5小时2、合理安排装卸工在新瓶区的各项工作。频次:2次/日用时:0.2小时职责八职责表述:做好上级交办的其他工作。工作时间百分比:2%工作任务1、参加工厂的各项会议。频次:1次/周用时:0.5小时2、参加工厂组织的各种活动。频次:1次/月用时:0.2小时权力:1、对新瓶管理有指挥权、使用权、核对权、监督权。2、对预洗瓶管理有核对权、执行权。3、对新瓶区的安全管理有监督权、执行权。4、对现场管理有执行权、检查权。5、对新瓶的库存定额有控制权、。6、对新瓶的台帐、报表及对帐有核对权、制定权。7、对装卸质量有监督权、奖罚权。考核指标:1对新瓶的收发数量、质量及库存管理无差错,准确率100%。2预洗瓶的接收、发放及核对数量准确率100%。3、加强新瓶区安全消防管理,安全事故发生率为零。4、新瓶区的现场管理合格率98%。5、新瓶库存定额100%按照工厂规定执行。6、新瓶台帐、报表及对帐准确率100%。7、新瓶装卸质量合格率100%。工作协作关系:内部协调关系公司、包装车间、技术科、本部门外部协调关系各玻璃厂任职资格:教育水平初中以上专业管理工作经验具有三个月以上管理工作经验能力要求组织领导能力和协调能力个性特征责任心、细心生理特征无特别要求所需培训绩效管理培训{培训时间:半年一次,每次一周}工作特点:3工作场所露天货场工作方式以走动巡视为主工作时间特征经常需要加班或下班延时工作环境冷、热、噪音体力精力消耗工作压力大,精力...

1、当您付费下载文档后,您只拥有了使用权限,并不意味着购买了版权,文档只能用于自身使用,不得用于其他商业用途(如 [转卖]进行直接盈利或[编辑后售卖]进行间接盈利)。
2、本站所有内容均由合作方或网友上传,本站不对文档的完整性、权威性及其观点立场正确性做任何保证或承诺!文档内容仅供研究参考,付费前请自行鉴别。
3、如文档内容存在违规,或者侵犯商业秘密、侵犯著作权等,请点击“违规举报”。

碎片内容

啤酒企业新瓶保管员岗位说明书

墨香书阁+ 关注
实名认证
内容提供者

热爱教学事业,对互联网知识分享很感兴趣

确认删除?
VIP
微信客服
  • 扫码咨询
会员Q群
  • 会员专属群点击这里加入QQ群
客服邮箱
回到顶部