电脑桌面
添加小米粒文库到电脑桌面
安装后可以在桌面快捷访问

反循环钻孔灌注桩施工方案(39页)VIP免费

反循环钻孔灌注桩施工方案(39页)_第1页
1/34
反循环钻孔灌注桩施工方案(39页)_第2页
2/34
反循环钻孔灌注桩施工方案(39页)_第3页
3/34
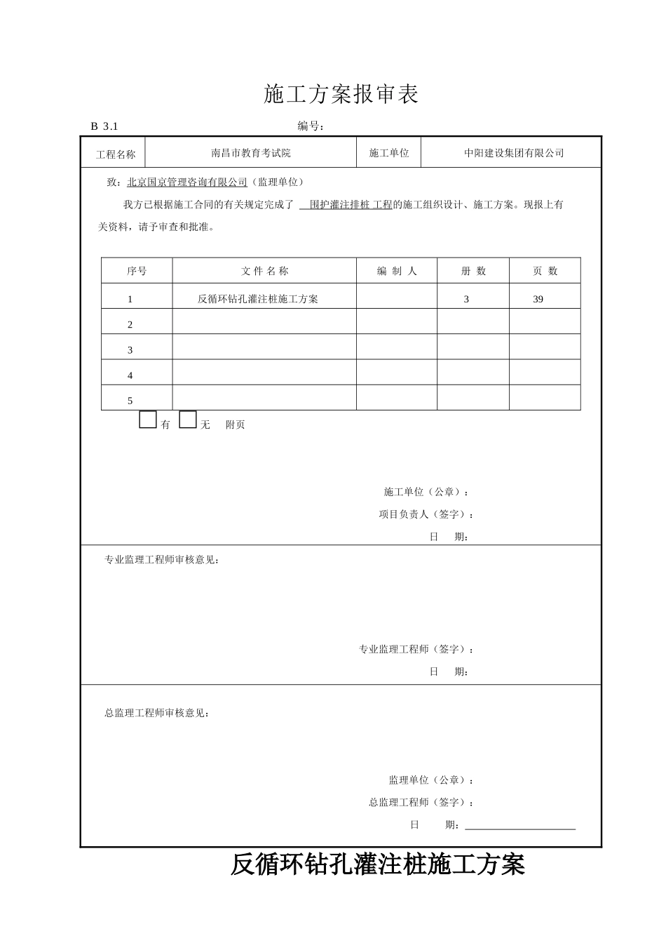
施工方案报审表B3.1编号:工程名称南昌市教育考试院施工单位中阳建设集团有限公司致:北京国京管理咨询有限公司(监理单位)我方已根据施工合同的有关规定完成了围护灌注排桩工程的施工组织设计、施工方案。现报上有关资料,请予审查和批准。序号文件名称编制人册数页数1反循环钻孔灌注桩施工方案3392345□有□无附页施工单位(公章):项目负责人(签字):日期:专业监理工程师审核意见:专业监理工程师(签字):日期:总监理工程师审核意见:监理单位(公章):总监理工程师(签字):日期:反循环钻孔灌注桩施工方案一、编制依据及原则1、编制依据1.1南昌市教育考试院基坑围护施工图纸;1.2勘察单位提供的《岩土工程勘察报告》;1.3《建筑桩基技术规范》(JGJ94-2008)1.4《建筑地基基础施工质量验收规范》(GB50202—2002)1.5《建筑工程施工质量验收统一标准》(GB50300—2013)1.6《混凝土结构工程施工质量验收规范》GB50204—20151.7《钢筋焊接及验收规程》JGJl8—20121.8《工程测量规程》GB50026-20071.9《建筑机械使用安全技术规程》JGJ33—20122、编制原则按照“精干机构、精兵强将、精良装备”和“安全、优质、快速、高效”的原则,以满足工期要求为核心,以“安全高于一切,质量重于泰山”为宗旨,缜密考虑和制定环境保护、文明施工措施,积极稳妥地推行先进、科学的施工方法和施工工艺,大力推广、应用新技术,采用先进的、科学的施工管理手段,科学组织,精益求精,确保优质工程。3、编制范围南昌市基坑围护体系围护排桩反循环钻孔灌注桩工程。二、工程概况围护灌注排桩共有182根反循环钻孔灌注桩,桩径Φ900mm,桩长有19.15m,18.55m。结合本工程的地质情况和以往的施工经验,本工程钻孔灌注桩采用2台QZ1000型和QZ1500型反循环钻机钻进,泥浆护壁,导管法灌注水下混凝土。三、地理及气候情况1、地形、地貌拟建场地地处赣抚冲积平原区,地貌单元为赣江I级阶地。场地东面为赣江,场地内地形稍有起伏,在场地中部人为堆积一个大土堆,约高3.0米。该场地上覆盖土层由第四系人工回填土(Q4ml)、第四系全新统冲积(Q4al)等土层组成,下卧基岩为第三系新余群巨厚层泥质粉砂岩吧(N)。2、气候和气象南昌市属亚热带湿润气候,四季分明,温差较大,夏季酷热,冬季寒冷,温暖湿润、雨量充沛。7~8月为高温期,春季雨量较多,多年平均日气温17.8℃,最低气温-9.9℃(1972年2月19日),最高气温43.2℃(1961年7月23日);每年3-9月都可能出现暴雨,大暴雨主要发生在4-6月,多为气旋性切变雨型,7-9月也常出现暴雨,主要是台风雨。多年平均降雨量1645mm,年最大降雨量2356.6mm(1954年),年最小降雨量1046.2mm(1963年),最大日暴雨量209.9mm(1998年7月23日),最大三日降雨量为341.7mm(1954年6月15~27日),最大时降雨量58.7mm,全年无霜日259~280天。年平均降雨天数142天,4-6月为丰水期,降雨量占全年总量51.3%;11月~翌年2月为枯水期,降雨量占全年总量9.6%,其余为平水期。南昌市多年平均蒸发量为1271.6mm(E601),最大年蒸发量为1554.0mm(E601)(出现在1966年),最小年蒸发量为1003.3mm(E601)(出现在1980年)。7-9年蒸发量较大,占全年值的42.0%,12月至次年2月蒸发量较小,占全年的12.3%。南昌处在季风区内,季节气候显著,冬季多为偏北风,夏季盛西北风,常年主导风向是北风和西北风。平均风速4.6-5.4m/s,历史最大风力11级。3、水文与河流南昌市地处鄱阳湖滨湖前后缘地带,地表水系发育,属鄱阳湖水系,素有江南水乡之美誉。省内五大水系中最大的河流为赣江(赣江横穿南昌市区)。赣江是本省第一大河流,水量充沛,流经南昌市内注入鄱阳湖,全长751KM,总流域面积8.35万Km2.依据赣江水文资料,4~6月为丰水期(据八一桥水文站资料,该三个月的径流量占全年径流量的53.4%,6月份最大,占全年的21%),11月~次年2月为枯水期。历年实测最高水位22.52m(八一桥站、黄海高程(1982.6.20),历史最低水位为12.82m(八一桥站、黄海高程2007.5.24日),2012年1月2日,赣江南昌站水位降至12.34m水位,为历史新低。2013年10月31日至11月上旬赣江南昌站水位持续徘徊在11.90m左右,再...

1、当您付费下载文档后,您只拥有了使用权限,并不意味着购买了版权,文档只能用于自身使用,不得用于其他商业用途(如 [转卖]进行直接盈利或[编辑后售卖]进行间接盈利)。
2、本站所有内容均由合作方或网友上传,本站不对文档的完整性、权威性及其观点立场正确性做任何保证或承诺!文档内容仅供研究参考,付费前请自行鉴别。
3、如文档内容存在违规,或者侵犯商业秘密、侵犯著作权等,请点击“违规举报”。

碎片内容

反循环钻孔灌注桩施工方案(39页)

您可能关注的文档

墨香书阁+ 关注
实名认证
内容提供者

热爱教学事业,对互联网知识分享很感兴趣

确认删除?
VIP
微信客服
  • 扫码咨询
会员Q群
  • 会员专属群点击这里加入QQ群
客服邮箱
回到顶部