电脑桌面
添加小米粒文库到电脑桌面
安装后可以在桌面快捷访问

内蒙古某公司技术改造项目立项审批单VIP专享VIP免费

内蒙古某公司技术改造项目立项审批单_第1页
1/7
内蒙古某公司技术改造项目立项审批单_第2页
2/7
内蒙古某公司技术改造项目立项审批单_第3页
3/7
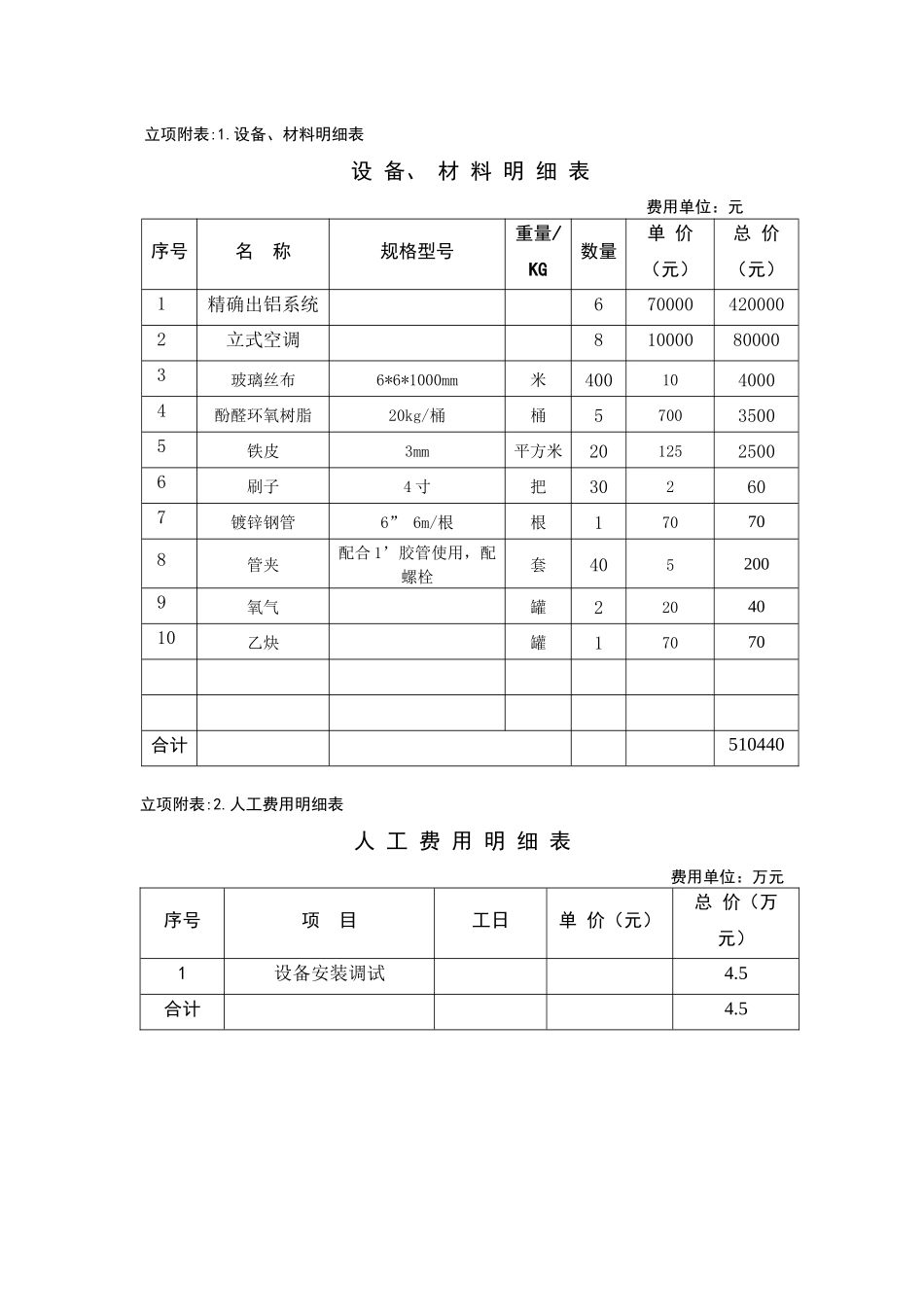
内蒙古大唐国际再生资源开发有限公司技术改造项目立项审批单编号:tzsb-008申报单位内蒙古大唐国际再生资源开发有限公司项目名称电解铝车间天车改造项目种类技术改造费用估算56万实施时间2010年3月01日~6月30日立项结论项目内容:(必要性、可行性、技术方案、工作量及主要设备器材等,本栏不够可另加附件)我公司电解车间出铝为人工控制出铝,不利于电解槽的控制管理,加装精确出铝控制系统后,可有效减少员工工作量,同时实现出铝过程自动化管理。原多功能机组配电柜使用的空调是进口空调,一旦出现问题,维修起来非常困难,加之备件也不好采购,而且费用昂贵,因此建议改成民用上海空调。电解车间多功能机组抓斗提升机构绝缘情况有时不好,生产过程中碰触到阳极导杆或目前上易使电解槽发生短路故障,引起安全事故,需对抓斗提升机构进行绝缘处理,保证设备安全稳定性。多功能机组打壳机进气管设计安装在打壳机构侧面,进行打壳作业时,打壳机进气弯头及进气胶管极易碰到电解槽水平罩板、阳极导杆上,弯头被撞坏或进气管被烫损情况严重,几乎每天都需更换进气管,给稳定生产带来极大隐患。附表:附设备、材料明细表1份,人工费用明细表1份。附件:附可行性研究报告书1份。项目负责人:施工队伍的确定:1.推荐施工单位:2.推荐材料采购单位:专业组审核意见:点检长:年月日计划主管审核意见:计划主管:年月日设备部审核意见:部长:年月日生产技术部审核意见:部长:年月日公司领导审批意见:生产副总:年月日说明:1.申报单位、项目名称、项目种类、费用估算、实施时间、项目内容由申报单位填写;立项结论由工程管理责任人填写,内容包括费用出处、结算方式等。2.项目种类栏填写"检修非标"或"技术改造"。3.单项造价在10万元以上的项目要附可行性研究报告。4.本表审批后复印1式4份,设备、计划、财务、审计各存1份立项附表:1.设备、材料明细表设备、材料明细表费用单位:元序号名称规格型号重量/KG数量单价(元)总价(元)1精确出铝系统6700004200002立式空调810000800003玻璃丝布6*6*1000mm米4001040004酚醛环氧树脂20kg/桶桶570035005铁皮3mm平方米2012525006刷子4寸把302607镀锌钢管6”6m/根根170708管夹配合1’胶管使用,配螺栓套4052009氧气罐2204010乙炔罐17070合计510440立项附表:2.人工费用明细表人工费用明细表费用单位:万元序号项目工日单价(元)总价(万元)1设备安装调试4.5合计4.5第4页共7页编号:时间:2021年x月x日书山有路勤为径,学海无涯苦作舟页码:第4页共7页立项附件:1.可行性研究报告电解铝车间天车技术改造项目可行性研究报告建设单位:内蒙古大唐国际再生资源开发有限公司项目名称:电解铝车间天车技术改造编制:审核:批准:第5页共7页第4页共7页编号:时间:2021年x月x日书山有路勤为径,学海无涯苦作舟页码:第5页共7页2010年11月01日一、项目提出的背景及改造的必要性:(一)项目提出的背景:我公司电解车间出铝工作目前仍为人工出铝,由出铝工控制每台电解槽出铝量并进行记录。人工操作实际出铝量与设定出铝量存在误差较大,不利于电解槽的精细化管理,对电解槽工艺技术条件稳定、调整等生产管理极为不利。原多功能机组配电柜使用的空调是进口空调,一旦出现问题,维修起来非常困难,加之备件也不好采购,而且费用昂贵,因此建议改成民用上海空调。电解车间多功能机组抓斗提升机构绝缘情况有时不好,生产过程中碰触到阳极导杆或目前上易使电解槽发生短路故障,引起安全事故,需对抓斗提升机构进行绝缘处理,保证设备安全稳定性。电解车间多功能机组打壳机进气管设计安装在打壳机构侧面,进行打壳作业时,打壳机进气弯头及进气胶管极易碰到电解槽水平罩板、阳极导杆上,弯头被撞坏或进气管被烫损情况严重,几乎每天都需更换进气管,给稳定生产带来极大隐患。(二)进行技术改造的必要性:电解槽生产管理过程中,需对每台电解槽每日出铝量进行精确控制,以保证电解槽实际各项数据在设定范围内,有利于进行电解槽各项指标记录管理,提高电解槽效率、降低能耗。多功能机组配电柜内为机组控制保护系统,电气元件工作条件要求较高,使用空调可以保持夏季配电柜内气温满足...

1、当您付费下载文档后,您只拥有了使用权限,并不意味着购买了版权,文档只能用于自身使用,不得用于其他商业用途(如 [转卖]进行直接盈利或[编辑后售卖]进行间接盈利)。
2、本站所有内容均由合作方或网友上传,本站不对文档的完整性、权威性及其观点立场正确性做任何保证或承诺!文档内容仅供研究参考,付费前请自行鉴别。
3、如文档内容存在违规,或者侵犯商业秘密、侵犯著作权等,请点击“违规举报”。

碎片内容

内蒙古某公司技术改造项目立项审批单

确认删除?
VIP
微信客服
  • 扫码咨询
会员Q群
  • 会员专属群点击这里加入QQ群
客服邮箱
回到顶部