电脑桌面
添加小米粒文库到电脑桌面
安装后可以在桌面快捷访问

工程施工安全监督申请表VIP免费

工程施工安全监督申请表_第1页
1/85
工程施工安全监督申请表_第2页
2/85
工程施工安全监督申请表_第3页
3/85
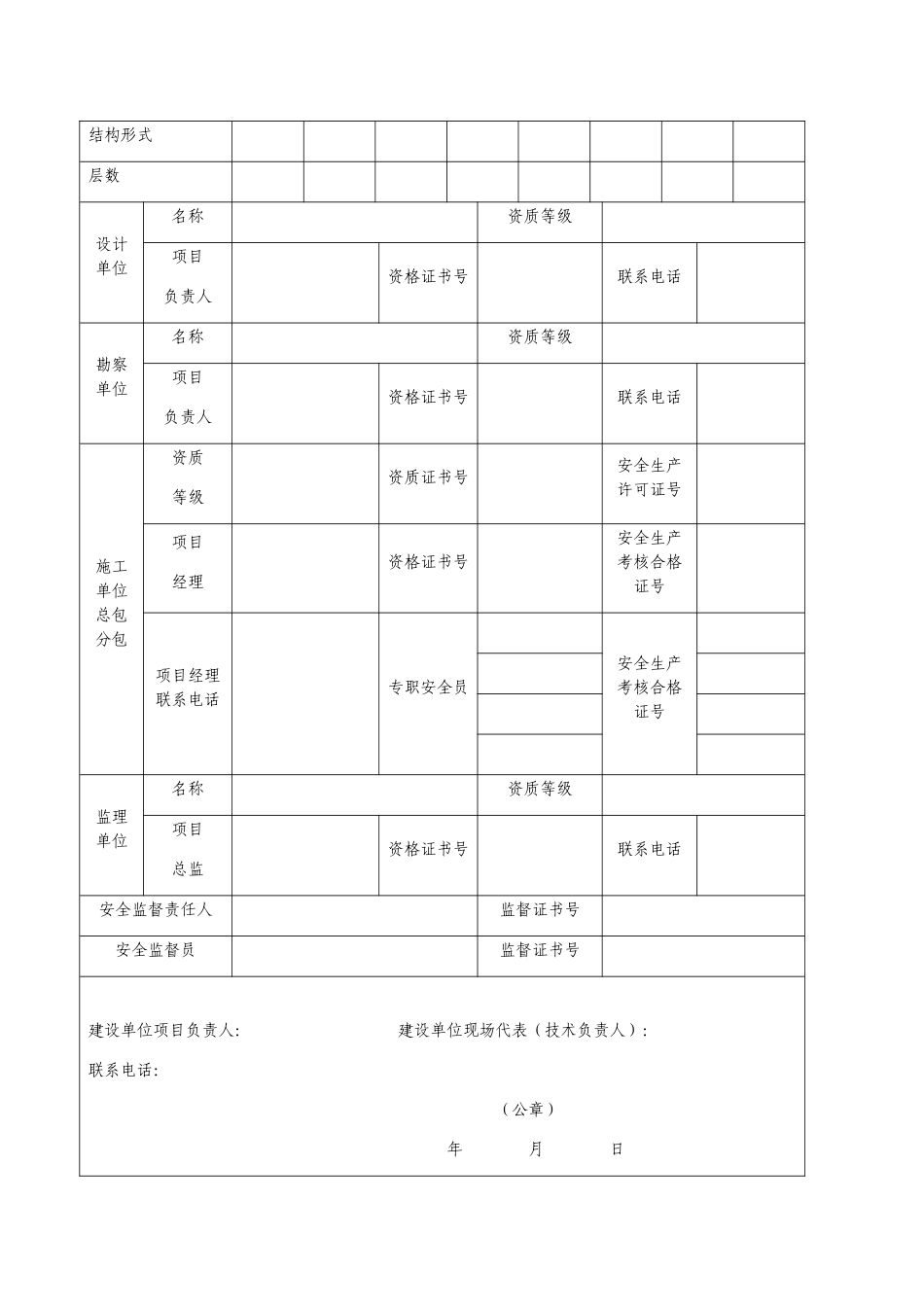
工程施工安全监督申请表登记号项目名称规划许可证建设单位建设规模平方米建安总投资万元计划开工时间年月日工程地址计划竣工时间年月日本工程项目共设计单位资质等级勘察单位资质等级施工单位资质等级监理单位资质等级(安全监督机构名称):按照工程建设有关法律法规和规范性文件的要求,现申请办理施工安全监督手续,并对提交的所有资料真实性负责,请予以查验。附件:1.工程基本情况表2.建设、施工、监理单位法定代表人及项目负责人工程安全文明施工承诺书3.工程建设勘察、设计、施工、监理单位的资质证书、施工单位安全生产许可证(复印件)4.工程中标通知书(复印件)5.施工图审查报告和地勘报告6.危险性较大分部分项工程清单7.施工合同中约定的安全防护、文明施工措施费用支付计划8.安全施工组织设计、监理规划和监理细则9.拟进入施工现场施工的建筑起重机械类型和数量清单建设单位项目负责人:建设单位(公章):联系电话:年月日资料收齐,同意办理施工安全监督手续。(在施工许可证颁发后召开施工安全监督告知会议)项目监督组长:联系电话:监督工作投诉电话:机构负责人(签字):(安全监督机构公章)年月日注:本申请表一式四份,建设、施工、监理、安全监督机构各一份。工程基本情况表项目名称规划许可证号建设单位施工许可证号施工单位建设规模(m2)总投资(万元)计划开工时间工程地址计划竣工时间项目概况单位工程结构形式层数设计单位名称资质等级项目负责人资格证书号联系电话勘察单位名称资质等级项目负责人资格证书号联系电话施工单位总包分包资质等级资质证书号安全生产许可证号项目经理资格证书号安全生产考核合格证号项目经理联系电话专职安全员安全生产考核合格证号监理单位名称资质等级项目总监资格证书号联系电话安全监督责任人监督证书号安全监督员监督证书号建设单位项目负责人:建设单位现场代表(技术负责人):联系电话:(公章)年月日注:在安全报监和申领施工许可证前,由建设单位填写此表;安全报监完毕,领取施工许可证后,施工许可证号和安全监督责任人由工程属地安全监督机构填写。建设单位法定代表人安全生产承诺书我在(项目名称)工程建设过程中将认真履行下列职责,并承担相应安全生产责任。一、坚持“安全第一、预防为主、综合治理”,认真贯彻落实安全生产的方针政策和法律法规,严格履行建设单位安全生产职责,规范建设行为,全面加强安全管理,提高安全管理水平。二、履行法定基本建设程序。及时办理安全监督、开工安全生产条件审查等手续,领取施工许可证(含依法分项发包工程)后方开工建设。三、依法发包。遵守有关工程发包、招投标的法律法规及规定,将工程发包给具有相应资质等级及具备安全生产条件的施工、监理等单位,对规定必须招标的工程项目严格依法依规进行招标,不将工程肢解发包,不强迫承包方以低于成本价竞标。工程中标后严格执行合同约定。对项目开工后有依法分项发包的工程,及时办理安全监督手续。四、委派建设单位项目负责人代表本单位严格落实建设方项目安全生产管理责任。五、不对勘察、设计、施工、工程监理等单位提出不符合工程建设安全生产法律、法规和强制性标准规定的要求,不随意压缩合同约定的工期。六、依法确定工程项目安全作业环境及安全施工措施所需费用,并保证资金按照合同足额支付、落实。七、不明示或者暗示施工单位购买、租赁、使用不符合安全施工要求的安全防护用具、机械设备、施工机具及配件、消防设施和器材。八、严格履行法律法规及标准规范规定的其他安全责任。承诺人(签字加按指纹):单位(盖章):年月日建设单位项目负责人安全生产承诺书本人经单位法定代表人授权为(项目名称)工程建设项目负责人,将认真履行下列职责,承担项目在建设过程中相关安全责任。一、坚持“安全第一、预防为主、综合治理”,认真贯彻落实安全生产的方针政策和法律法规,在施工中代表建设单位严格履行有关安全生产职责。二、工程开工前依法向有关部门查询施工现场及相邻区区域内各类地下管线资料、气象和水文观测资料、相邻建筑物和构筑物及地下工程的有关资料。整理好后,开工前及时向施工单位移交,并...

1、当您付费下载文档后,您只拥有了使用权限,并不意味着购买了版权,文档只能用于自身使用,不得用于其他商业用途(如 [转卖]进行直接盈利或[编辑后售卖]进行间接盈利)。
2、本站所有内容均由合作方或网友上传,本站不对文档的完整性、权威性及其观点立场正确性做任何保证或承诺!文档内容仅供研究参考,付费前请自行鉴别。
3、如文档内容存在违规,或者侵犯商业秘密、侵犯著作权等,请点击“违规举报”。

碎片内容

工程施工安全监督申请表

墨香书阁+ 关注
实名认证
内容提供者

热爱教学事业,对互联网知识分享很感兴趣

确认删除?
VIP
微信客服
  • 扫码咨询
会员Q群
  • 会员专属群点击这里加入QQ群
客服邮箱
回到顶部