电脑桌面
添加小米粒文库到电脑桌面
安装后可以在桌面快捷访问

建设工程质量检测试验收费项目和收费基准价VIP免费

建设工程质量检测试验收费项目和收费基准价_第1页
1/42
建设工程质量检测试验收费项目和收费基准价_第2页
2/42
建设工程质量检测试验收费项目和收费基准价_第3页
3/42
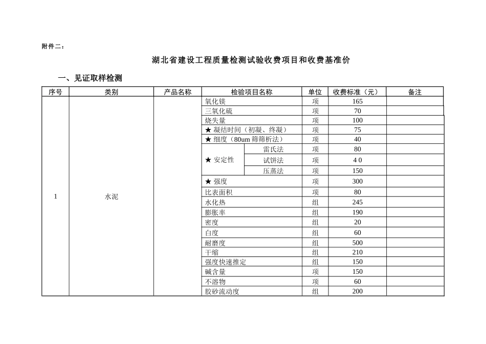
附件二:湖北省建设工程质量检测试验收费项目和收费基准价一、见证取样检测序号类别产品名称检验项目名称单位收费标准(元)备注1水泥氧化镁项165三氧化硫项70烧失量项100★凝结时间(初凝、终凝)项75★细度(80um筛筛析法)项40★安定性雷氏法项80试饼法项40压蒸法项150★强度项300比表面积项80水化热组245膨胀率组190密度组20白度组60耐磨度组500干缩组210强度快速推定组150碱含量项150不溶物项60胶砂流动度组200序号类别产品名称检验项目名称单位收费标准(元)备注2骨料(砂、石)建筑用卵石、碎石、砂含水率(砂、石)项70颗粒级配(砂、石)项100堆积密度(砂、石)项50表观密度(砂、石)项60含泥量(砂、石)项70泥块含量(砂、石)项70吸水率(砂、石)项70紧密密度(砂、石)项60有机物含量(砂、石)项80压碎指标(砂、石)项130针片状颗粒含量(石)项60坚固性(砂、石)项300硫酸盐硫化物含量(砂、石)项130强度(石)项60不含制样费碱活性(砂、石)项500空隙率(砂、石)项100轻物质含量(砂)项80云母含量(砂)项60石粉含量(砂、石)项70氯离子含量(砂)项1303骨料轻集料筛分析项100堆积密度项50表观密度项60序号类别产品名称检验项目名称单位收费标准(元)备注3骨料轻集料空隙率项100筒压强度项130匀质性指标项100软化系数项200吸水率项70粒型系数项200含泥量项70泥块含量项70有机物含量项80强度标号项130沸煮质量损失项100烧失量项1004混凝土砼配合比试配普通砼配合比试配项600不含原材料试验掺外加剂砼试配项650防水砼试配项900高强砼试配项650配合比分析组1000拌和物稠度组100表观密度组100徐变组500轴心抗压组100劈裂抗拉组80抗渗组400P6级,每加一级加50元序号类别产品名称检验项目名称单位收费标准(元)备注4混凝土抗冻组80025次收缩组50090次★立方体抗压组30弹性模量组200抗折组50凝结时间项300握裹力项300不含成型、养护费大体积砼测温立方米10测应力立方米30标准养护混凝土试块组40标养28天5掺外加剂砼掺外加剂砼压力泌水率比组150常压泌水率比组150渗透高度比组500透水高度比组50048h吸水量比组150收缩率比组500抗压强度比组500耐久性天30元/天钢筋锈蚀组340含气量组150坍落度增加值组150坍落度保留值组150序号类别产品名称检验项目名称单位收费标准(元)备注5砼外加剂匀质性密度组40含固量组100★氯离子含量组150硫酸钠含量组150砂浆减水率组90PH值组40细度组70表面张力组150泡沫性能组150总碱量组200还原糖含量组200水泥净浆流动度组170凝结时间差组200水泥砂浆工作性组490减水率组90干缩率组300膨胀率组2406砼掺和料粉煤灰细度项4028天强度比项200需水量比项100烧失量项100三氧化硫含量项70含水量项90序号类别产品名称检验项目名称单位收费标准(元)备注7建筑石灰、石膏生石灰消化速度组30含砂率组30容重组30未消化残渣含量、产浆量组45细度组607建筑石灰、石膏消石灰体积安定性组100氧化钙组60氧化镁组60游离水组100细度组60建筑石膏细度组60强度组200凝结时间组60容重组308砂浆砂浆配合比设计项200不含原材料试验稠度项90密度项90抗渗项200分层度(保水性)项120立方体抗压项30凝结时间项120抗冻性能项800静力受压弹性摸量项200收缩项500标准养护组3028天序号类别产品名称检验项目名称单位收费标准(元)备注9建筑钢材及焊件物理性能反复弯曲根15比例极限组380弹性模量组320弯曲根20压扁根20★抗拉、冷弯φ(d)≤25mm组55φ(d)=28mm组90φ(d)≥32mm、型钢及焊接件组180扩口根20断口根40常温冲击根15低温冲击根30HB硬度(3点)根25HV硬度(3点)根50HR硬度(3点)根25钢材化学分析钢材元素化学分析每元素80网片焊接接头抗剪试验抗剪组20010墙体材料烧结普通砖、烧结多孔砖、非烧结砖抗压组150吸水率组90抗折组70软化系数组200饱和系数60抗冻组400序号类别产品名称检验项目名称单位收费标准(元)备注10墙体材料烧结普通砖、烧结多孔砖、非烧结砖泛霜组80孔洞率组100石灰爆裂组80干燥收缩组500珍珠岩制品导热系数组200导湿系数组200比热组200密度组80普通砼小型砌块抗压组190抗冻组400蒸压加气砼砌块抗压组280含水率组100抗折强度组100吸...

1、当您付费下载文档后,您只拥有了使用权限,并不意味着购买了版权,文档只能用于自身使用,不得用于其他商业用途(如 [转卖]进行直接盈利或[编辑后售卖]进行间接盈利)。
2、本站所有内容均由合作方或网友上传,本站不对文档的完整性、权威性及其观点立场正确性做任何保证或承诺!文档内容仅供研究参考,付费前请自行鉴别。
3、如文档内容存在违规,或者侵犯商业秘密、侵犯著作权等,请点击“违规举报”。

碎片内容

建设工程质量检测试验收费项目和收费基准价

确认删除?
VIP
微信客服
  • 扫码咨询
会员Q群
  • 会员专属群点击这里加入QQ群
客服邮箱
回到顶部