电脑桌面
添加小米粒文库到电脑桌面
安装后可以在桌面快捷访问

山东省工程类别划分及取费标准VIP免费

山东省工程类别划分及取费标准_第1页
1/13
山东省工程类别划分及取费标准_第2页
2/13
山东省工程类别划分及取费标准_第3页
3/13
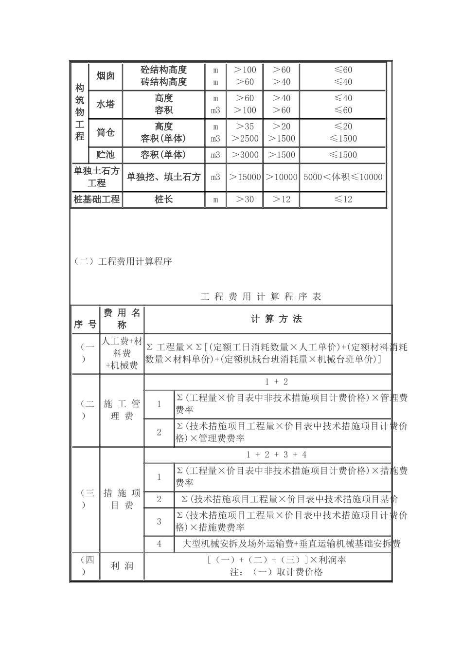
山东建筑工程类别划分及取费标准(2009-09-1013:24:15)工程类别划分标准、费率(一)工程类别划分标准工程类别划分标准,是根据不同的单位工程,按其施工难易程度,结合我省建筑市场的实际情况确定的。工程类别划分标准是确定工程施工难易程度、计取有关费用的依据;同时也是企业编制投标报价的参考。建筑工程的工程类别按工业建筑工程、民用建筑工程、构筑物工程、单独土石方工程、桩基础工程分列并分若干类别。1、类别划分(1)工业建筑工程:指从事物质生产和直接为物质生产服务的建筑工程。一般包括:生产(加工、储运)车间、实验车间、仓库、民用锅炉房和其他生产用建筑物。(2)装饰工程:指建筑物主体结构完成后,在主体结构表面进行抹灰、镶贴、铺挂面层等,以达到建筑设计效果的装饰工程。(3)民用建筑工程:指直接用于满足人们物质和文化生活需要的非生产性建筑物。一般包括:住宅及各类公用建筑工程。科研单位独立的实验室、化验室按民用建筑工程确定工程类别。(4)构筑物工程:指工业与民用建筑配套、且独立于工业与民用建筑工程的构筑物,或独立具有其功能的构筑物。一般包括:烟囱、水塔、仓类、池类等。(5)桩基础工程:指天然地基上的浅基础不能满足建筑物和构筑物的稳定要求,而采用的一种深基础。主要包括各种现浇和预制混凝土桩及其他桩基。(6)单独土石方工程:指建筑物、构筑物、市政设施等基础土石方以外的,且单独编制概预算的土石方工程。包括土石方的挖、填、运等。2、使用说明(1)工程类别的确定,以单位工程为划分对象。(2)与建筑物配套使用的零星项目,如化粪池、检查井等,按其相应建筑物的类别确定工程类别。其他附属项目,如围墙、院内挡土墙、庭院道路、室外管沟架、按建筑工程Ⅲ类标准确定类别。(3)建筑物、构筑物高度,自设计室外地坪算起,至屋面檐口高度。高出屋面的电梯间、水箱间、塔楼等不计算高度。建筑物的面积,按建筑面积计算规则的规定计算。建筑物的跨度,按设计图示尺寸标注的轴线跨度计算。(4)非工业建筑的钢结构工程,参照工业建筑工程的钢结构工程确定工程类别。(5)居住建筑的附墙轻型框架结构,按砖混结构的工程类别套用;但设计层数大于18层,或建筑面积大于12000m2时,按居住建筑其他结构的Ⅰ类工程套用。(6)工业建筑的设备基础,单体砼体积大于1000m3,按构筑物Ⅰ类工程计算;单体砼体积大于600m3,按构筑物Ⅱ类工程计算;单体砼体积小于600m3,大于50m3按构筑物Ⅲ类工程计算;小于50m3的设备基础,按相应建筑物或构筑物的工程类别确定。(7)同一建筑物结构形式不同时,按建筑面积大的结构形式确定工程类别。(8)新建建筑工程中的装饰工程,按下列规定确定其工程类别:①每平方米建筑面积装饰计费价格合计在100元以上的,为Ⅰ类工程。②每平方米建筑面积装饰计费价格合计在50元以上、100元以下的,为Ⅱ类工程。③每平方米建筑面积装饰计费价格合计在50元以下的,为Ⅲ类工程。④每平方米建筑面积装饰计费价格计算:按第九章计算出全部装饰工程量(包括外墙装饰),套用价目表中相应项目的计费价格,合计后除以被装饰建筑物的建筑面积。⑤单独外墙装饰,每平方米外墙装饰面积装饰计费价格在50元以上的,为Ⅰ类工程;装饰计费价格在50元以下,20元以上的,为Ⅱ类工程;装饰计费价格在20元以下的,为Ⅲ类工程。⑥单独招牌、灯箱、美术字为Ⅲ类工程。(9)工程类别划分标准中有两个指标者,确定类别时需满足其中一个指标。3、建筑工程类别划分标准工程名称单位工程类别ⅠⅡⅢ工业建筑工程钢结构跨度建筑面积mm2>30>16000>18>10000≤18≤10000其他结构单层跨度建筑面积mm2>24>10000>18>6000≤18≤6000多层檐高建筑面积mm2>50>10000>30>6000≤30≤6000民用建筑工程公用建筑砖混结构檐高建筑面积mm2--30<檐高<506000<面积<10000≤30≤6000其他结构檐高建筑面积mm2>50>12000>30>8000≤30≤8000居住建筑砖混结构层数建筑面积层m2――8<层数<128000<面积<12000≤8≤8000其他结构层数建筑面积层m2>17>12000>8>8000≤8≤8000续:工程名称单位工程类别ⅠⅡⅢ构筑物工程烟囱砼结构高度砖结构...

1、当您付费下载文档后,您只拥有了使用权限,并不意味着购买了版权,文档只能用于自身使用,不得用于其他商业用途(如 [转卖]进行直接盈利或[编辑后售卖]进行间接盈利)。
2、本站所有内容均由合作方或网友上传,本站不对文档的完整性、权威性及其观点立场正确性做任何保证或承诺!文档内容仅供研究参考,付费前请自行鉴别。
3、如文档内容存在违规,或者侵犯商业秘密、侵犯著作权等,请点击“违规举报”。

碎片内容

山东省工程类别划分及取费标准

确认删除?
VIP
微信客服
  • 扫码咨询
会员Q群
  • 会员专属群点击这里加入QQ群
客服邮箱
回到顶部