电脑桌面
添加小米粒文库到电脑桌面
安装后可以在桌面快捷访问

围护桩凿除工程技术交底VIP免费

围护桩凿除工程技术交底_第1页
1/6
围护桩凿除工程技术交底_第2页
2/6
围护桩凿除工程技术交底_第3页
3/6
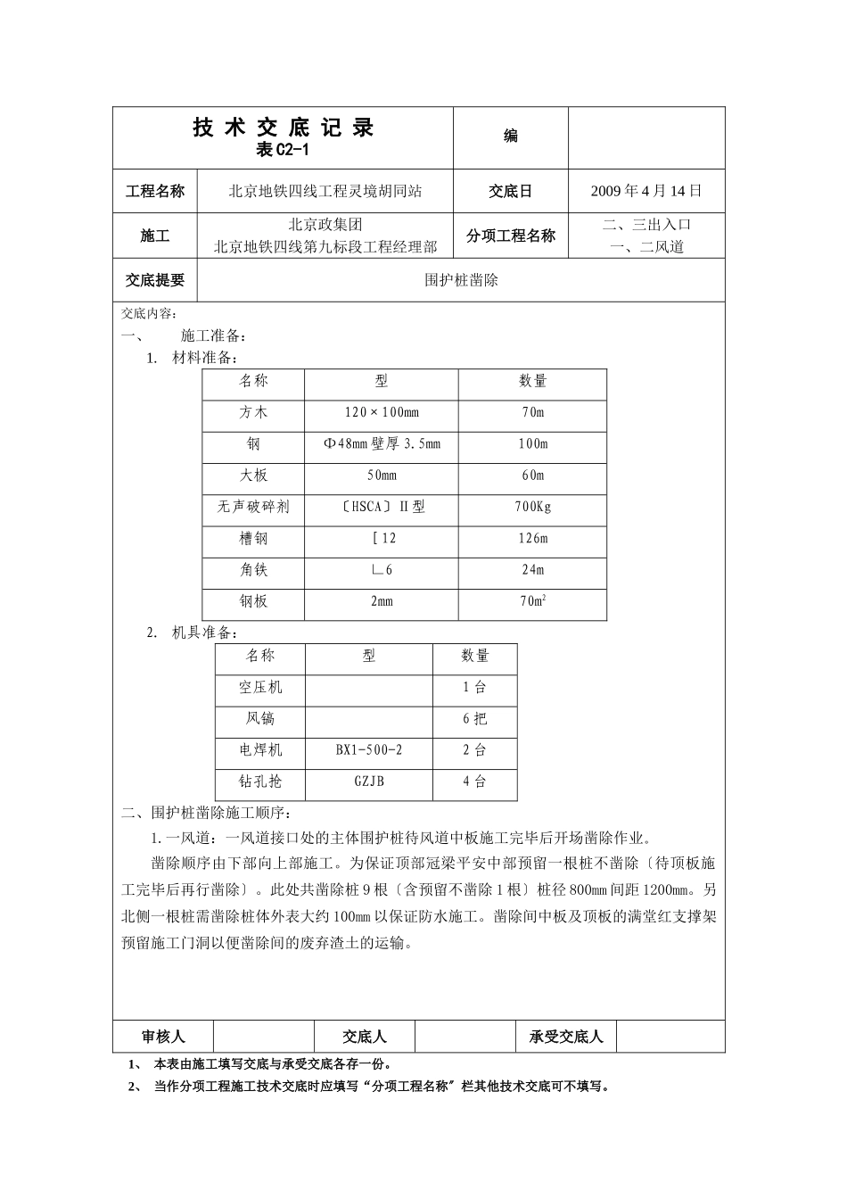
技术交底记录表C2-1编工程名称北京地铁四线工程灵境胡同站交底日2009年4月14日施工北京政集团北京地铁四线第九标段工程经理部分项工程名称二、三出入口一、二风道交底提要围护桩凿除交底内容:一、施工准备:1.材料准备:名称型数量方木120×100mm70m钢Φ48mm壁厚3.5mm100m大板50mm60m无声破碎剂〔HSCA〕Ⅱ型700Kg槽钢[12126m角铁∟624m钢板2mm70m22.机具准备:名称型数量空压机1台风镐6把电焊机BX1-500-22台钻孔抢GZJB4台二、围护桩凿除施工顺序:1.一风道:一风道接口处的主体围护桩待风道中板施工完毕后开场凿除作业。凿除顺序由下部向上部施工。为保证顶部冠梁平安中部预留一根桩不凿除〔待顶板施工完毕后再行凿除〕。此处共凿除桩9根〔含预留不凿除1根〕桩径800mm间距1200mm。另北侧一根桩需凿除桩体外表大约100mm以保证防水施工。凿除间中板及顶板的满堂红支撑架预留施工门洞以便凿除间的废弃渣土的运输。审核人交底人承受交底人1、本表由施工填写交底与承受交底各存一份。2、当作分项工程施工技术交底时应填写“分项工程名称〞栏其他技术交底可不填写。技术交底记录表C2-1编工程名称北京地铁四线工程灵境胡同站交底日2009年4月14日施工北京政集团北京地铁四线第九标段工程经理部分项工程名称二、三出入口一、二风道交底提要围护桩凿除交底内容:凿除分段长度见下列图:2.二风道:二风道接口处主体围护桩待风道顶板施工完毕后开场凿除作业。凿除顺序由冠梁向下施工。此处共凿除桩9根桩径1000mm间距1500mm。另北侧一根桩需凿除桩体外表大约100mm以保证防水施工。凿除间中板及顶板的满堂红支撑架预留施工门洞以便凿除间的废弃渣土的运输。审核人交底人承受交底人1、本表由施工填写交底与承受交底各存一份。2、当作分项工程施工技术交底时应填写“分项工程名称〞栏其他技术交底可不填写。技术交底记录表C2-1编工程名称北京地铁四线工程灵境胡同站交底日2009年4月14日施工北京政集团北京地铁四线第九标段工程经理部分项工程名称二、三出入口一、二风道交底提要围护桩凿除交底内容:凿除分段长度见下列图:3.二、三出入口:两出入口接口处桩体待附属顶板完成后开场进展凿除作业。凿除顺序由冠梁向下施工。此2处共凿除桩9根桩径800mm间距1200mm。另3出入口北侧一根桩需凿除2/3桩体以保证防水施工。凿除间顶板的满堂红支撑架预留施工门洞以便凿除间的废弃渣土的运输。审核人交底人承受交底人1、本表由施工填写交底与承受交底各存一份。2、当作分项工程施工技术交底时应填写“分项工程名称〞栏其他技术交底可不填写。技术交底记录表C2-1编工程名称北京地铁四线工程灵境胡同站交底日2009年4月14日施工北京政集团北京地铁四线第九标段工程经理部分项工程名称二、三出入口一、二风道交底提要围护桩凿除交底内容:三、无声破碎法施工⑴破碎体钻孔工作平台支搭完成后在风道口范围内人工使用风钻在围护桩桩体上钻孔。对每根围护桩在每阶段凿除范围自上而下钻2排圆孔孔径48mm孔中心横向间距200mm。孔中心竖向间距为200mm孔深600mm。为保证孔内灌注的无声破碎剂不应斜向下钻出孔道孔道与程度面成12度角。施工时自北向南逐根钻孔。每个钻孔完毕立即将孔内清理干净。每根围护桩凿除范围的孔全部钻完后安排专人向孔内灌注破碎剂。冠梁炮孔采用间距200mm梅花形布置均采用竖向成孔。⑵无声破碎剂制备及灌注①根据本工程实际施工的环境温度选择破碎剂的型采用无声破碎剂〔HSCA〕Ⅱ型〔袋装粉状〕。②破碎剂搅拌:将破碎剂按重量比为28~35的水倒入容器中然后参加破碎剂粉用机械或搅拌器具搅拌成具有流动性的均匀物质。③灌注:在10分钟内将拌制好的破碎剂灌入围护桩的孔道内。灌注速度应缓慢匀速灌注高度至孔道口为止。④凿除:待4个小时后破碎剂将围护桩混凝土破碎后即可采用风镐对桩体进展破除。⑤考前须知:破碎剂在拌制后10分钟内必须灌入孔道否那么失效。破碎剂必须存放在枯燥处严禁受潮翻开后未使用的破碎剂必须系紧袋口防止受潮。⑶人工风镐凿除待破碎剂充分生效将桩体混凝土胀裂后人工用风镐自上而下桩体混凝土。混凝土凿除后分步切断桩体钢筋。四、质量:对应区域围护桩凿除完毕后接茬处桩...

1、当您付费下载文档后,您只拥有了使用权限,并不意味着购买了版权,文档只能用于自身使用,不得用于其他商业用途(如 [转卖]进行直接盈利或[编辑后售卖]进行间接盈利)。
2、本站所有内容均由合作方或网友上传,本站不对文档的完整性、权威性及其观点立场正确性做任何保证或承诺!文档内容仅供研究参考,付费前请自行鉴别。
3、如文档内容存在违规,或者侵犯商业秘密、侵犯著作权等,请点击“违规举报”。

碎片内容

围护桩凿除工程技术交底

确认删除?
VIP
微信客服
  • 扫码咨询
会员Q群
  • 会员专属群点击这里加入QQ群
客服邮箱
回到顶部