电脑桌面
添加小米粒文库到电脑桌面
安装后可以在桌面快捷访问

建筑施工起重机械管理表格VIP免费

建筑施工起重机械管理表格_第1页
1/51
建筑施工起重机械管理表格_第2页
2/51
建筑施工起重机械管理表格_第3页
3/51
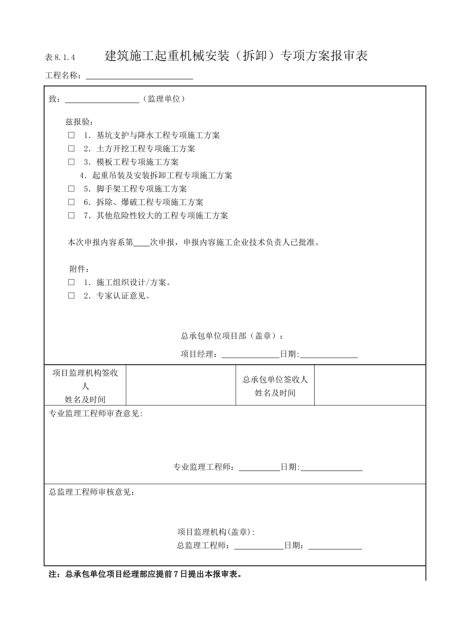
表8.1.2建筑施工起重机械管理目录设备名称规格型号产权备案证号使用登记证号一、建筑施工起重机械安装及使用维修说明书(复印件)二、建筑施工起重机械租赁合同(含安全管理协议)三、建筑施工起重机械安装、拆卸资料1.建设主管部门受理《建筑施工起重机械安装(拆卸)告知单》回执或证明材料2.建筑施工起重机械安装(拆卸)告知单3.《建筑施工起重机械安装(拆卸)专项方案报审表》、《建筑施工起重机械安装(拆卸)专项方案审核表》(总承包单位、分包单位)及安装(拆卸)方案4.《建筑施工起重机械安装(拆卸)单位条件审核表》及以下资料:(1)安装(拆卸)单位与使用单位签订的安装(拆卸)合同及安装单位与施工总承包单位签订的安全协议书(原件)(2)建筑施工起重机械备案登记证明、特种设备制造许可证、产品合格证、制造监督检验证明(复印件)(3)安装(拆卸)单位资质证书、安全生产许可证副本(复印件)(4)安装(拆卸)单位负责建筑起重机械安装(拆卸)工程的建造师、专职安全生产管理人员、专业技术人员名单及资格证(复印件)(5)安装(拆卸)单位特种作业人员证书(复印件)(6)辅助起重机械资料及其特种作业人员证书(7)施工总承包单位、监理单位要求的其他资料5.建筑施工起重机械基础方案及验收记录、隐蔽工程验收记录、设备安全构件或装置试验合格报告等6.建筑施工起重机械安装前检查表7.建筑施工起重机械安装自检表8.建筑施工起重机械安装检测报告9.建筑施工起重机械安装验收记录表10.建筑施工起重机械使用登记证四、使用维护保养资料1.建筑施工起重机械运转及交接班记录2.建筑施工起重机械故障修理及验收记录3.建筑施工起重机械日常维护保养表4.建筑施工起重机械定期维护保养表五、其他有关资料表8.1.3建筑施工起重机械安装(拆卸)告知单(建设主管部门或安全监督机构):我公司承担工程的(建筑起重机械名称)的(□安装,□拆卸)施工任务,该起重机械的型号为:,产权备案号为:,各项资料经施工单位、监理单位均审核合格,我公司计划从年月日起安装。现告知你单位并附施工单位、监理单位审核书面意见及审核合格的各项资料。告知资料附件:一、建筑施工起重机械安装(拆卸)专项方案审核资料1.建筑施工起重机械安装(拆卸)专项方案报审表2.建筑施工起重机械安装(拆卸)专项方案审核表(总承包单位)3.建筑施工起重机械安装(拆卸)专项方案审核表(分包单位)4.建筑施工起重机械安装(拆卸)专项方案(含应急预案)二、建筑起重机械安装、拆卸工程单位条件审查资料1.《建筑起重机械安装(拆卸)工程单位条件审核表》2.相关附件材料:1)安装(拆卸)单位建筑资质证书、安全生产许可证副本(复印件)2)安装(拆卸)单位分包单位配备的建造师、专职安全生产管理人员、专业技术人员名单及资格证书(复印件)3)安装(拆卸)单位分包单位配备的装拆人员特种作业操作证(复印件)4)辅助起重机械定期检验合格证明及其特种作业人员证书(复印件)5)建筑施工起重机械备案登记证明、特种设备制造许可证、产品合格证、制造监督检验证明(复印件)6)安装(拆卸)单位与使用单位签的安装(拆卸)合同及安全协议书(复印件)7)其他资料承诺:我单位提交的以上告知资料及附件均真实有效,绝无虚假,资料如有虚假我公司为此承担一切法律责任。安装(拆卸)负责人:联系人:安装(拆卸)单位(章)联系电话:年月日告知要求1.在建筑施工起重机械装拆前2个工作日,安装(拆卸)单位应将本《告知单》及提交的资料报送工程所地安全监督机构;2.《告知单》提交的各项资料复印件,必须加盖提交单位公章;3.安装(拆卸)单位在接到安全监督机构告知资料接收单后方可进行装拆作业。表8.1.4建筑施工起重机械安装(拆卸)专项方案报审表工程名称:致:(监理单位)兹报验:□1.基坑支护与降水工程专项施工方案□2.土方开挖工程专项施工方案□3.模板工程专项施工方案4.起重吊装及安装拆卸工程专项施工方案□5.脚手架工程专项施工方案□6.拆除、爆破工程专项施工方案□7.其他危险性较大的工程专项施工方案本次申报内容系第次申报,申报内容施工企业...

1、当您付费下载文档后,您只拥有了使用权限,并不意味着购买了版权,文档只能用于自身使用,不得用于其他商业用途(如 [转卖]进行直接盈利或[编辑后售卖]进行间接盈利)。
2、本站所有内容均由合作方或网友上传,本站不对文档的完整性、权威性及其观点立场正确性做任何保证或承诺!文档内容仅供研究参考,付费前请自行鉴别。
3、如文档内容存在违规,或者侵犯商业秘密、侵犯著作权等,请点击“违规举报”。

碎片内容

建筑施工起重机械管理表格

墨香书阁+ 关注
实名认证
内容提供者

热爱教学事业,对互联网知识分享很感兴趣

确认删除?
VIP
微信客服
  • 扫码咨询
会员Q群
  • 会员专属群点击这里加入QQ群
客服邮箱
回到顶部