电脑桌面
添加小米粒文库到电脑桌面
安装后可以在桌面快捷访问

厦门XX大厦安全文明施工组织设计VIP专享VIP免费

厦门XX大厦安全文明施工组织设计_第1页
1/21
厦门XX大厦安全文明施工组织设计_第2页
2/21
厦门XX大厦安全文明施工组织设计_第3页
3/21
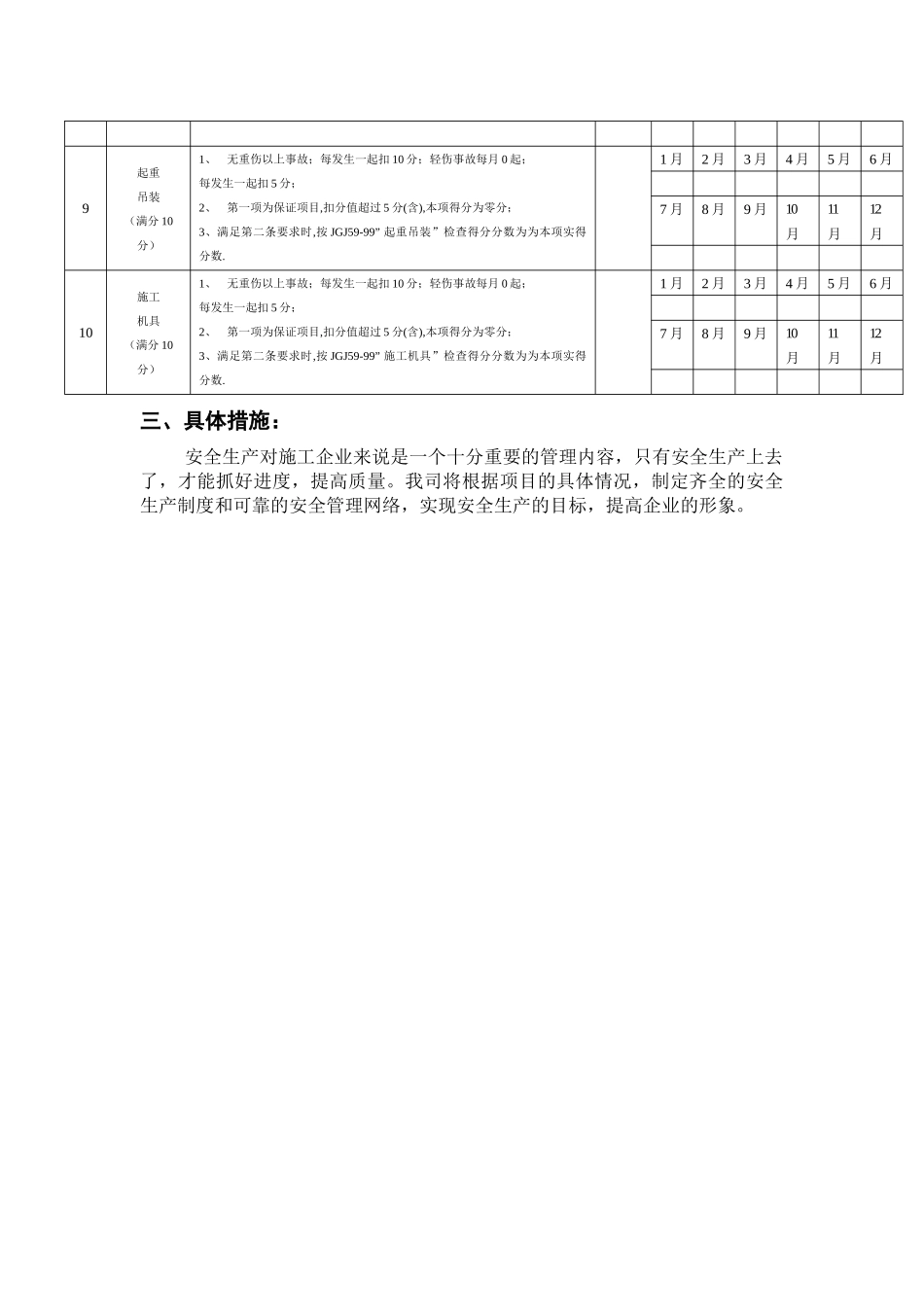
厦门市XXXX大厦安全生产文明施工组织设计一、工程概况:厦门市自来水公司XXXX大厦位于莲前西路西段的北面,现自来水公司所属的莲坂水厂厂区东南角,是自来水公司投资兴建的高层办公大楼,总用地面积6952m2,地下室平面尺寸为55m×38m,上部平面尺寸为25m×25m,总建筑面积25694m2,地上二十五层,地下二层,建筑高度为92.70m。本工程为一类高层建筑,地下一至二层为车库及设备用房,地下二层设平战结合六级民防,其中地下二层层高为4.5m,地下一层层高3.5m;地上一至三层为裙楼,层高为4.5m,主要为营业厅、多功能厅及写字间,四至二十五楼为塔楼,层高均为3.6m,主要功能为写字间,其中十五层为电脑中心。本工程外墙墙体材料采用190厚MU5.0多孔砖,内墙除卫生间隔墙采用190mm厚MU5.0多孔砖墙外,地下部分,地上一至三层均采用190mm厚MU5.0空心砖墙,四层以上写字间采用GRC空心轻质隔墙板;本工程内装修除少量公共部分及设备用房装修到位外,其余只进行初装,具体为:设计需施工板块材料的墙面只施工至水泥砂浆基层,其它为水泥砂浆高级抹灰106涂料罩面。外装修;塔楼外墙局部采用横明竖隐半隐框式玻璃幕墙,其余采用50×50mm白色与浅灰色相间陶瓷马赛克饰面,裙楼部分主要采用干挂花岗岩火烧板石墙面。本工程采用90系列铝合金窗,银灰色及蓝灰色镀膜反射玻璃,门采用木质防火及夹板门。地下室侧壁及底板采用结构自防水,底板外墙采用969防水涂料,屋面防水材料采用APP防水卷材。本工程结构体系采用框剪中心筒结构,按七度抗震(近震)设防,场地类别为Ⅱ级,剪力墙抗震等级为二级,框架抗震等级为二级;基础采用人工挖孔桩,桩径共有1000mm、1200mm、1400mm、1600mm、1800mm、2000mm、2200mm七种,总桩数为63根,桩端持力层为微风化花岗岩,入岩深度有600mm、1200mm两种,设计最长桩长为21.7m,最短为1.8m,桩身及护壁砼等级为C30;地下室一、二层砼等级为C50,地上一至五层墙柱砼等级为C50,六至十一层墙柱砼等级为C45,十二至十七层层墙柱砼等级为C40,十八至二十二层墙柱砼等级为C35,二十三至二十五层及屋面构筑物墙柱砼等级为C30,地上一至七层梁板砼等级为C35,八至二十五层及屋面水箱梁板砼等级为C30。本工程由厦门市建筑设计院设计,厦门市自来水监理公司监理。二、安全保证体系:1、成立以项目经理为首的安全文明施工领导小组,具体安排如下:组长(项目经理):副组长(安全员):组员(班组长):2、目标责任分解:序号分项内容分解目标责任人月考核记录1安全管理(满分10分)1、特种作业持证上岗率100%,每发现一人未持证上岗扣3分;2、现场无安全标志总平面图扣5分;未按安全标志总平面图设置安全标志,每一处扣2分3、以上两项为保证项目,扣分值超过5分(含),本项得分为零分;4、满足第三条要求时,按JGJ59-99”安全管理项”检查得分分数为为本项实得分数.1月2月3月4月5月6月7月8月9月10月11月12月2文明施工(满分10分)1、无食物中毒、火灾事故,无治安刑事案件;每发生一起扣10分;2、第一项为保证项目,扣分值超过10分(含),本项得分为零分;3、满足第二条要求时,按JGJ59-99”文明施工项”检查得分分数为为本项实得分数.1月2月3月4月5月6月7月8月9月10月11月12月3脚手架(满分10分)1、无重伤以上事故;每发生一起扣10分;轻伤事故每月0起;每发生一起扣5分;2、第一项为保证项目,扣分值超过5分(含),本项得分为零分;3、满足第二条要求时,按JGJ59-99”脚手架”检查得分分数为为本项实得分数.1月2月3月4月5月6月7月8月9月10月11月12月4基坑支护与模板工程(满分10分)1、重伤以上事故;每发生一起扣10分;轻伤事故每月0起;每发生一起扣5分;2、第一项为保证项目,扣分值超过5分(含),本项得分为零分;3、满足第二条要求时,按JGJ59-99”基坑支护与模板工程”检查得分分数为为本项实得分数.1月2月3月4月5月6月7月8月9月10月11月12月5“三宝”“四口”防护(满分10分)1、重伤以上事故;每发生一起扣10分;轻伤事故每月0起;每发生一起扣5分;2、第一项为保证项目,扣分值超过5分(含),本项得分为零分;3、满足第二条要求时,按JGJ59-99”“三宝”“四口”防护”检查得分分数...

1、当您付费下载文档后,您只拥有了使用权限,并不意味着购买了版权,文档只能用于自身使用,不得用于其他商业用途(如 [转卖]进行直接盈利或[编辑后售卖]进行间接盈利)。
2、本站所有内容均由合作方或网友上传,本站不对文档的完整性、权威性及其观点立场正确性做任何保证或承诺!文档内容仅供研究参考,付费前请自行鉴别。
3、如文档内容存在违规,或者侵犯商业秘密、侵犯著作权等,请点击“违规举报”。

碎片内容

厦门XX大厦安全文明施工组织设计

确认删除?
VIP
微信客服
  • 扫码咨询
会员Q群
  • 会员专属群点击这里加入QQ群
客服邮箱
回到顶部