电脑桌面
添加小米粒文库到电脑桌面
安装后可以在桌面快捷访问

工程建设行业标准项目计划汇总表VIP专享VIP免费

工程建设行业标准项目计划汇总表_第1页
1/12
工程建设行业标准项目计划汇总表_第2页
2/12
工程建设行业标准项目计划汇总表_第3页
3/12
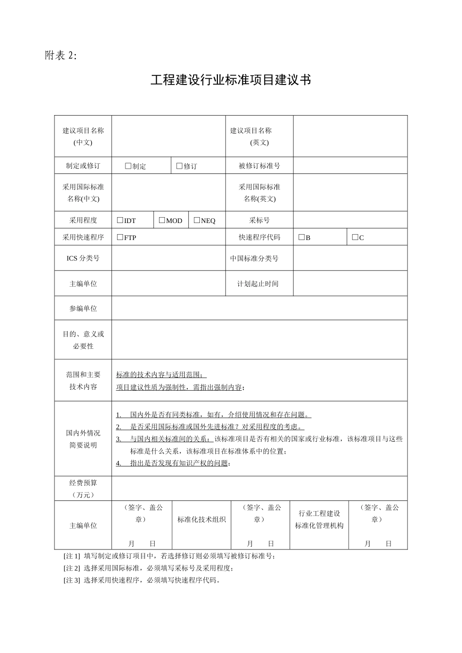
附表1:工程建设行业标准项目计划汇总表行业:承办人:电话:序号标准项目名称标准性质制、修订完成年限工程建设标准化管理机构主编单位采用国际标准或国外先进标准程度及标准号代替标准经费预算(万元)注:1、修订项目,请在“代替标准”栏中注明修订标准号和年代号。2、采用国际标准或国外先进标准项目,请填写采用标准编号及年代号。附表2:工程建设行业标准项目建议书建议项目名称(中文)建议项目名称(英文)制定或修订□制定□修订被修订标准号采用国际标准名称(中文)采用国际标准名称(英文)采用程度□IDT□MOD□NEQ采标号采用快速程序□FTP快速程序代码□B□CICS分类号中国标准分类号主编单位计划起止时间参编单位目的、意义或必要性范围和主要技术内容标准的技术内容与适用范围;项目建议性质为强制性,需指出强制内容;国内外情况简要说明1.国内外是否有同类标准,如有,介绍使用情况和存在问题。2.是否采用国际标准或国外先进标准?对采用程度的考虑。3.与国内相关标准间的关系:该标准项目是否有相关的国家或行业标准,该标准项目与这些标准是什么关系,该标准项目在标准体系中的位置;4.指出是否发现有知识产权的问题;经费预算(万元)主编单位(签字、盖公章)月日标准化技术组织(签字、盖公章)月日行业工程建设标准化管理机构(签字、盖公章)月日[注1]填写制定或修订项目中,若选择修订则必须填写被修订标准号;[注2]选择采用国际标准,必须填写采标号及采用程度;[注3]选择采用快速程序,必须填写快速程序代码。附表3:工程建设行业标准项目计划调整申请表标准名称计划项目批准文号及项目编号申请调整的内容理由和依据主编单位单位名称:负责人:(签名、盖公章)年月日标准化技术组织单位名称:负责人:(签名、盖公章)年月日行业工程建设标准化管理机构单位名称:负责人:(签名、盖公章)年月日附表4:工程建设行业标准征求意见汇总处理表标准项目名称:承办人:共页第页主编单位:电话:年月日填写序号标准条款编号意见内容提出单位处理意见及理由说明:①发送“征求意见稿”的单位数:个。②收到“征求意见稿”后,回函的单位数:个。③收到“征求意见稿”后,回函并有建议或意见的单位数:个。④没有回函的单位数:个。附表5:工程建设行业标准送审稿函审结论表标准项目名称主编单位工程建设标准化管理机构函审时间发出日期年月日投票截止日期年月日回函情况:函审单总数:赞成:共个单位赞成,但有建议或意见:共个单位不赞成,如采纳建议或意见改为赞成:共个单位弃权:共个单位不赞成:共个单位未复函:共个单位函审结论:行业工程建设标准化管理机构负责人:(签名、盖公章)年月日附表6:工程建设行业标准送审稿函审单标准项目名称:主编单位:函审单总数:发出日期:年月日投票截止日期:年月日表决态度:赞成赞成,有建议或意见不赞成,如采纳意见或建议改为赞成弃权不赞成建议或意见和理由如下:(盖公章)年月日(签名)年月日说明:①表决方式是在选定的方框内划“√”,只可划一个,选划两个框以上者按废票处理(废票不计数)。②回函说明提不出意见的单位按赞成票计;没有回函说明理由的,按弃权票计。③回函日期,以邮戳为准。④建议或意见和理由栏,幅面不够可另附纸。附表7:工程建设行业标准申报单标准名称项目批准文号及项目编号国际标准分类号中国标准分类号标准性质(1)强制性标准(2)推荐性标准采用国际标准或国外先进标准的程度(1)等同采用(2)修改采用被采用的标准号:标准水平分析(1)国际先进水平(2)国际一般水平(3)国内先进水平标准主编单位盖章标准化技术组织盖章行业工程建设标准化管理机构盖章行业工程建设标准化管理机构承办人电话填报日期年月日填写说明:表中第2,3,4行,请在选定的内容上划“√”的符号。附表8:报批工程建设行业标准项目汇总表报批单位:序号标准编号标准名称标准主要内容代替标准采标情况建议实施日期附表9:工程建设行业标准复审意见表标准编号及名称复审结论□继续有效□修订□废止主要理由审查意见参加审查总人数:人同意:人不同意:人弃权:人行业工程建设标准化管理机构盖章年月日备...

1、当您付费下载文档后,您只拥有了使用权限,并不意味着购买了版权,文档只能用于自身使用,不得用于其他商业用途(如 [转卖]进行直接盈利或[编辑后售卖]进行间接盈利)。
2、本站所有内容均由合作方或网友上传,本站不对文档的完整性、权威性及其观点立场正确性做任何保证或承诺!文档内容仅供研究参考,付费前请自行鉴别。
3、如文档内容存在违规,或者侵犯商业秘密、侵犯著作权等,请点击“违规举报”。

碎片内容

工程建设行业标准项目计划汇总表

确认删除?
VIP
微信客服
  • 扫码咨询
会员Q群
  • 会员专属群点击这里加入QQ群
客服邮箱
回到顶部