电脑桌面
添加小米粒文库到电脑桌面
安装后可以在桌面快捷访问

安全检查评分汇总表VIP免费

安全检查评分汇总表_第1页
1/34
安全检查评分汇总表_第2页
2/34
安全检查评分汇总表_第3页
3/34
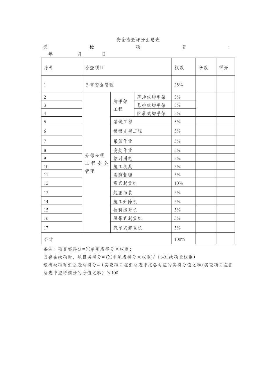
安全检查评分汇总表受检项目:年月日序号检查项目权数分数得分1日常安全管理25%2分部分项工程安全管理脚手架工程落地式脚手架5%3悬挑式脚手架5%4附着式脚手架5%5基坑工程5%6模板支架工程5%7吊篮作业3%8高处作业5%9临时用电5%10施工机具3%11消防管理5%12塔式起重机10%13起重吊装5%14施工升降机5%15物料提升机3%16履带式起重机3%17汽车式起重机3%合计100%备注:项目实得分=∑单项表得分×权重;当存在缺项时,项目实得分=(∑单项表得分×权重)/(1-∑缺项表权重)遇有缺项时汇总表总得分=(实查项目在汇总表中按各对应的实得分值之和/实查项目在汇总表中应得满分的分值之和)×100表1:安全检查表(日常安全管理)序号检查内容扣分标准检查记录应得分实得分1组织机构未按要求配备安全总监,扣5分;安全总监待遇与局要求不符,扣3分;项目安全总监未按规定上报安全监督周报,每缺一次扣3分。未按规定配备专职安全管理人员,每缺一人扣3分。分包单位未按规定配置专职安全管理人员,缺一人扣3分。102安全生产责任制每缺一个管理人员的安全生产责任书,扣2分;安全责任目标未分解,扣3分;未与分包签订安全管理协议(装配式工程总包单位未与预制构件厂家签订安全生产协议,明确双方责任),每缺一个单位扣5分。责任制考核每缺一人,扣3分;考核不真实或未公开,扣10分;未针对考核结果进行激励,扣5分。103专项施工方案未编制专项施工方案或未按规定审核、审批(含装配整体式混凝土结构工程),扣5分;超过一定规模的危大工程,未组织专家论证已实施,扣5分54安全教育未建立安全教育制度,扣10分;每发现一人未经过入场安全教育,扣3分;10序号检查内容扣分标准检查记录应得分实得分特种作业人员未定期教育,每缺一次扣3分;现场作业工人与三级教育台账不对应(3人以上含3),扣3分;未按规定开展早班会,扣5分;教育内容未结合项目实际,无针对性,扣5分。5特种人员持证上岗现场检查发现正在从事特种作业的人员未持证上岗或所持证件过期或从事非本工种的特种作业,扣5分参与安全技术交底的特种作业工人全部无证,扣5分56安防用品配备符合标准未建立安防用品管理制度及管理档案,扣2分安全防护用品进场未验收已使用,扣2分安全网无产品合格证明文件或无复测报告,扣3分57重大危险源监控未分阶段辨识重大危险源,扣10分;未针对重大危险源制定控制措施或措施操作性不强,扣5分;未结合项目进度及时调整重大危险源清单及控制措施,扣5分。108安全检查未按规定开展日巡查,每少一次扣2分;项目经理未定期组织周检查,每少一次扣3分;周检查参加人员不齐全,每次扣2分;隐患未复查或整改未闭合,每次扣3分。10序号检查内容扣分标准检查记录应得分实得分9应急救援管理未编制综合应急救援预案和专项应急救援预案,扣5分;应急预案内容与现场实际工况、人员严重不符或应急救援组织架构、应急救援措施内容缺失,扣5分;未按规定进行应急救援演练,扣5分;应急救援物资配备不齐全,扣5分。510其他工作落实情况未按规定填写安全监督日志,扣5分;未按规定开展安全监督日志专项整治活动,扣5分,5无安全文明措施费计划清单、投入清单及相关凭证等资料,扣5分。5未落实领导带班检查制度,扣5分;领导带班无记录的,扣5分。5未按规定落实十项“零容忍”隐患管理制度,扣5分。5示范工程未落实《“安全达标示范工程”创建活动指南》要求,扣10分。10合计100表2:分部分项工程安全管理安全检查表(落地式脚手架工程)序号检查内容扣分标准检查记录应得分实得分1安全技术交底作业前未对作业人员进行安全技术交底,扣10分;交底针对性和可操作性不强,扣5分。102立杆基础立杆基础不平整、不夯实或无排水措施,扣15分;立杆底部缺少底座、垫板,每处扣3分;未按规范要求设置纵、横向扫地杆,扣5-10分。153架体与结构拉结架体拉结点设置不足或拉结措施不牢靠,扣5-15分;架体底层第一步纵向水平杆处未按规定设置拉结点,扣5分。154杆件间距与剪刀撑立杆及纵、横向水平杆间距超过设计或规范要求,每处扣2分;剪刀撑未沿脚手架高度连续设置或角度不符合规范要求,扣5分;剪刀撑斜杆接长小于1m或与架体杆件固定不...

1、当您付费下载文档后,您只拥有了使用权限,并不意味着购买了版权,文档只能用于自身使用,不得用于其他商业用途(如 [转卖]进行直接盈利或[编辑后售卖]进行间接盈利)。
2、本站所有内容均由合作方或网友上传,本站不对文档的完整性、权威性及其观点立场正确性做任何保证或承诺!文档内容仅供研究参考,付费前请自行鉴别。
3、如文档内容存在违规,或者侵犯商业秘密、侵犯著作权等,请点击“违规举报”。

碎片内容

安全检查评分汇总表

确认删除?
VIP
微信客服
  • 扫码咨询
会员Q群
  • 会员专属群点击这里加入QQ群
客服邮箱
回到顶部