电脑桌面
添加小米粒文库到电脑桌面
安装后可以在桌面快捷访问

内部控制流程图合集789采购业务资金管理销售业务VIP免费

内部控制流程图合集789采购业务资金管理销售业务_第1页
1/35
内部控制流程图合集789采购业务资金管理销售业务_第2页
2/35
内部控制流程图合集789采购业务资金管理销售业务_第3页
3/35
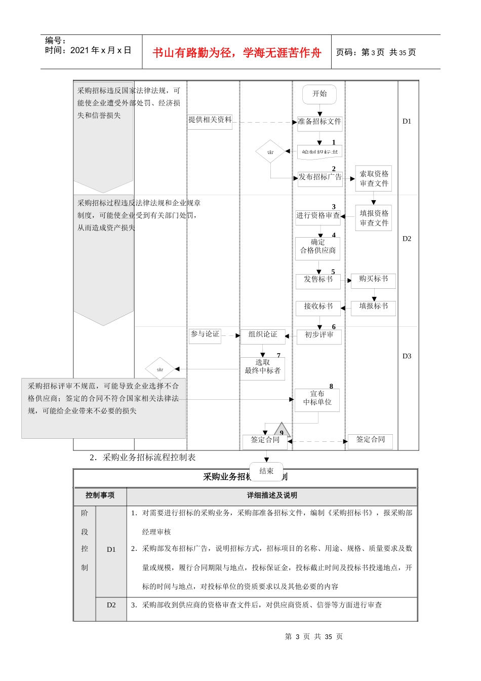
第1页共35页编号:时间:2021年x月x日书山有路勤为径,学海无涯苦作舟页码:第1页共35页第7章企业内部控制流程——采购业务第2页共35页第1页共35页编号:时间:2021年x月x日书山有路勤为径,学海无涯苦作舟页码:第2页共35页7.2采购与验收控制7.2.1采购业务招标流程1.采购业务招标流程与风险控制图采购业务招标流程与风险控制业务风险不相容责任部门/责任人的职责分工与审批权限划分阶段总经理需求部门采购部经理采购部供应商第3页共35页第2页共35页978654321编号:时间:2021年x月x日书山有路勤为径,学海无涯苦作舟页码:第3页共35页D1D2D32.采购业务招标流程控制表采购业务招标流程控制控制事项详细描述及说明阶段控制D11.对需要进行招标的采购业务,采购部准备招标文件,编制《采购招标书》,报采购部经理审核2.采购部发布招标广告,说明招标方式,招标项目的名称、用途、规格、质量要求及数量或规模,履行合同期限与地点,投标保证金,投标截止时间及投标书投递地点,开标的时间与地点,对投标单位的资质要求以及其他必要的内容D23.采购部收到供应商的资格审查文件后,对供应商资质、信誉等方面进行审查开始审结束采购招标违反国家法律法规,可能使企业遭受外部处罚、经济损失和信誉损失采购招标过程违反法律法规和企业规章制度,可能使企业受到有关部门处罚,从而造成资产损失采购招标评审不规范,可能导致企业选择不合格供应商;签定的合同不符合国家相关法律法规,可能给企业带来不必要的损失准备招标文件审索取资格审查文件采购预算编制招标书发布招标广告填报资格审查文件采购预算进行资格审查确定合格供应商发售标书购买标书填报标书接收标书初步评审组织论证选取最终中标者宣布中标单位签定合同签定合同提供相关资料参与论证第4页共35页第3页共35页编号:时间:2021年x月x日书山有路勤为径,学海无涯苦作舟页码:第4页共35页4.采购部通过审查供应商各方面指标,确定合格的供应商5.采购部向合格的供应商发售标书,供应商填写完毕后递交到采购部D36.采购部对供应商的投标书进行初步审核,剔除明显不符合要求的供应商7.采购部经理组织需求部门、技术部门、财务部门等相关人员或专家对筛选通过的投标书进行论证,选出最终的中标者8.最终中标者经总经理签字确认后,由采购部相关人员宣布中标单位9.采购部经理代表招标方签定《采购合同》相关规范应建规范《采购管理制度》《采购招标管理规定》参照规范《中华人民共和国招标投标法》《中华人民共和国合同法》文件资料《采购合同》《采购招标书》《合格供应商名单》《中标单位通知书》责任部门及责任人采购部、请购部门总经理、采购部经理、采购主管、采购专员7.2.2供应商的评选流程1.供应商的评选流程与风险控制图供应商的评选流程与风险控制业务风险不相容责任部门/责任人的职责分工与审批权限划分阶段总经理采购部经理采购部相关部门供应商第5页共35页第4页共35页564321编号:时间:2021年x月x日书山有路勤为径,学海无涯苦作舟页码:第5页共35页D1D2D32.供应商的评选流程控制表供应商的评选流程控制控制事项详细描述及说明阶段D11.采购部通过不同途径(面谈、调查问卷等)收集供应商信息,主要包括供应商信誉、供货能力等方面的信息开始结束“供应商调查表”设计不标准、不合理,可能导致漏选优秀的供应商比质比价采购制度不完善,可能造成候选供应商不符合企业要求现场评审过程不规范,可能导致企业选择不合格的供应商收集供应商信息发放、回收调查表提出候选名单编写《现场评审报告》配合确定《供应商名单》组织现场评审参与评审进行比质比价采购物资分类审现场评是审审审否参与资料存档第6页共35页第5页共35页编号:时间:2021年x月x日书山有路勤为径,学海无涯苦作舟页码:第6页共35页控制D22.采购部和使用部门依据收集到的供应商信息,参照企业《比质比价采购制度》等相关文件,对供应商进行比质比价3.采购部根据比质比价结果,参照《供应商选定标准》,提出《候选供应商名单》,报采购部经理审核D34.采购部通过采购物资的分类,根据实际需要判断是否需要组织现场评审。需...

1、当您付费下载文档后,您只拥有了使用权限,并不意味着购买了版权,文档只能用于自身使用,不得用于其他商业用途(如 [转卖]进行直接盈利或[编辑后售卖]进行间接盈利)。
2、本站所有内容均由合作方或网友上传,本站不对文档的完整性、权威性及其观点立场正确性做任何保证或承诺!文档内容仅供研究参考,付费前请自行鉴别。
3、如文档内容存在违规,或者侵犯商业秘密、侵犯著作权等,请点击“违规举报”。

碎片内容

内部控制流程图合集789采购业务资金管理销售业务

您可能关注的文档

确认删除?
VIP
微信客服
  • 扫码咨询
会员Q群
  • 会员专属群点击这里加入QQ群
客服邮箱
回到顶部