电脑桌面
添加小米粒文库到电脑桌面
安装后可以在桌面快捷访问

山东农业大学体育馆施工组织设计方案2VIP免费

山东农业大学体育馆施工组织设计方案2_第1页
1/78
山东农业大学体育馆施工组织设计方案2_第2页
2/78
山东农业大学体育馆施工组织设计方案2_第3页
3/78
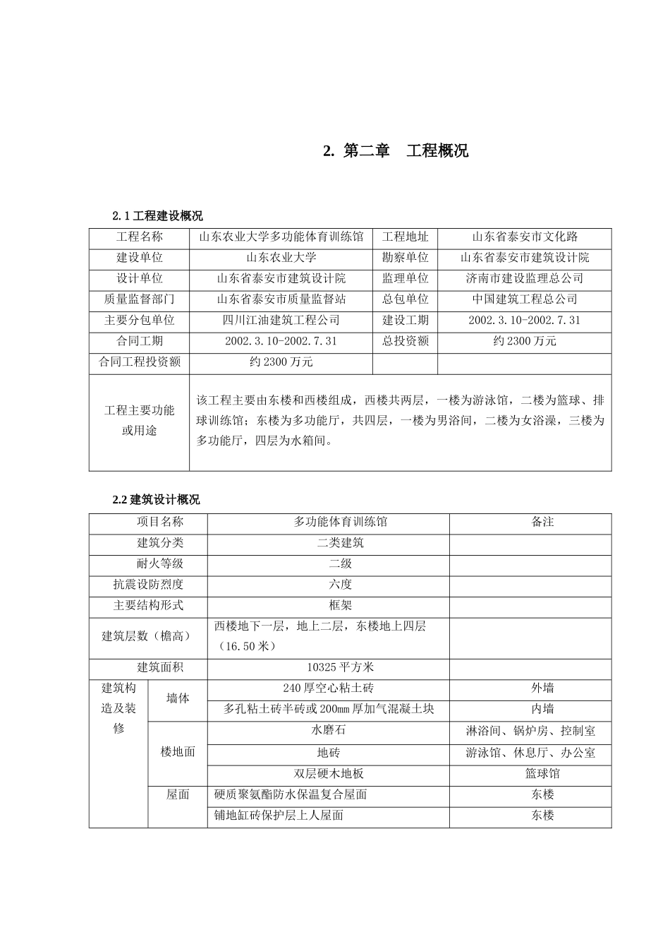
1.第一章编制依据1.1编制依据1.1.1山东农业大学多功能体育训练馆工程合同(合同号:)1.1.2泰安市建筑设计院第2001-81号设计文件—《山东农业大学多功能体育训练馆》施工图1.1.3国家有关标准规范规程1)工程测量规范GBJ50026—932)土方与爆破工程施工及验收规范GBJ201—833)地基与基础工程施工及验收规范GBJ202—834)地下防水工程施工及验收规范GBJ208—835)地下防水工程技术规范GBJ108—876)砼结构工程施工及验收规范GB50204—927)砌体工程施工及验收规范GB50203—988)锚杆喷射砼支护技术规程GBJ80-859)屋面工程技术规范GB50207—9410)建筑地面工程施工及验收规范GB50209—9511)建筑防腐蚀工程施工及验收规范GB50212—9112)砼质量控制标准GB50164—9213)砼强度检验评定标准GBJ107—8714)建筑工程施工现场用电安全规范GB50194—9315)建筑安装工程质量检验评定统一标准GBJ300—8816)建筑工程质量检验评定标准GBJ301—8817)建筑防腐工程质量检验评定标准GB50224—9518)轻钢结构设计与施工规范JGJ7—9119)微膨胀混凝土防水技术应用规范DBJ14—BM2—9420)门式刚架轻型房屋结构技术规程CECS102—981.1.4行业及地方有关标准规范、规程1)建筑地基处理技术规范JGJ79—912)建筑装饰工程施工及验收规范JGJ73—913)钢筋焊接验收规程JGJ18—964)钢筋焊接接头试验方法JGJ27—865)回弹法检测砼抗压强度技术规程JGJ/T23—926)建筑施工安全检查评分办法JGJ59—997)建筑施工高处作业安全技术规程JGJ33—868)施工现场临时用电安全技术规程JGJ80—919)建筑机械使用安全技术规程JGJ46—8810)砼中掺用粉煤灰技术规程DBJ01—10—9311)高级建筑装饰工程质量检验评定标准DBJ01—27—9612)建筑用界面处理剂应用技术规程DBJ01—40—9813)建筑内外墙涂料应用技术规程DBJ/T01-42-991.1.5主要法规及政府、企业文件(1)中华人民共和国建筑法(2)建筑工程质量管理条例(3)我国现行的安全生产﹑文明施工﹑环保及消防等有关规定(4)建筑工程技术资料管理条例(5)工程项目管理手册(企业文件)(6)工程质量保证手册(企业文件)(7)山东省建筑工程技术资料管理规定1.1.6其它有关手册及参考文件资料(1)山东农业大学多功能体育训练馆工程勘察报告2.第二章工程概况2.1工程建设概况工程名称山东农业大学多功能体育训练馆工程地址山东省泰安市文化路建设单位山东农业大学勘察单位山东省泰安市建筑设计院设计单位山东省泰安市建筑设计院监理单位济南市建设监理总公司质量监督部门山东省泰安市质量监督站总包单位中国建筑工程总公司主要分包单位四川江油建筑工程公司建设工期2002.3.10-2002.7.31合同工期2002.3.10-2002.7.31总投资额约2300万元合同工程投资额约2300万元工程主要功能或用途该工程主要由东楼和西楼组成,西楼共两层,一楼为游泳馆,二楼为篮球、排球训练馆;东楼为多功能厅,共四层,一楼为男浴间,二楼为女浴澡,三楼为多功能厅,四层为水箱间。2.2建筑设计概况项目名称多功能体育训练馆备注建筑分类二类建筑耐火等级二级抗震设防烈度六度主要结构形式框架建筑层数(檐高)西楼地下一层,地上二层,东楼地上四层(16.50米)建筑面积10325平方米建筑构造及装修墙体240厚空心粘土砖外墙多孔粘土砖半砖或200mm厚加气混凝土块内墙楼地面水磨石淋浴间、锅炉房、控制室地砖游泳馆、休息厅、办公室双层硬木地板篮球馆屋面硬质聚氨酯防水保温复合屋面东楼铺地缸砖保护层上人屋面东楼金属夹芯板屋面西楼天窗夹胶安全玻璃门木夹板门内门白色铝合金门,入口处用不锈钢感应门外门窗白色铝合金窗顶棚水泥砂浆内墙面高级白色内墙涂料高级墙面砖外墙面高级外墙涂料白色高级外墙弹性涂浅红色高级外墙弹性、涂料,局部高级外墙面砖2.3结构设计概况地下水性质:潜水类型、补给来源以土层水为主。地下水位:-3.5至-4.6米,水位变化高度1.0至1.5米。地下水质:对砼中钢筋无腐蚀。土质情况:杂填土①层,漂石土②层,风化卵石③层。地基类别:②层漂石层,③层风卵石层。地基承载力:②层ƒk=280kpa,③层ƒk=250kpa。基础形式:西楼(训练馆)采用柱下梁式基础,东部多功能厅采用独立基础...

1、当您付费下载文档后,您只拥有了使用权限,并不意味着购买了版权,文档只能用于自身使用,不得用于其他商业用途(如 [转卖]进行直接盈利或[编辑后售卖]进行间接盈利)。
2、本站所有内容均由合作方或网友上传,本站不对文档的完整性、权威性及其观点立场正确性做任何保证或承诺!文档内容仅供研究参考,付费前请自行鉴别。
3、如文档内容存在违规,或者侵犯商业秘密、侵犯著作权等,请点击“违规举报”。

碎片内容

山东农业大学体育馆施工组织设计方案2

您可能关注的文档

确认删除?
VIP
微信客服
  • 扫码咨询
会员Q群
  • 会员专属群点击这里加入QQ群
客服邮箱
回到顶部