电脑桌面
添加小米粒文库到电脑桌面
安装后可以在桌面快捷访问

地下矿山标准化最详细的原始基础表格VIP免费

地下矿山标准化最详细的原始基础表格_第1页
1/122
地下矿山标准化最详细的原始基础表格_第2页
2/122
地下矿山标准化最详细的原始基础表格_第3页
3/122
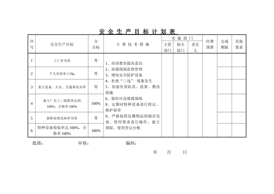
记录人:时间地点主持人参加人员评审项目符合性情况法律法规要求的符合性符合法律法规要求企业的风险安全生产目标适应矿山的风险特点企业的安全生产概况适应矿山的安全生产要求相关方的需求能满足相关方的要求员工的意愿能满足工意愿所需资源所需资源能满足目标的实现持续改进的可能性与必要性符合评审建议:本年度安全生产目标,符合国家法律法规和企业及员工的要求,同意实施。评审结论:本年度安全生产目标切实可行,同意实施评审负责人签字:年月日安全生产目标计划表序号安全生产目标分目标主要技术措施实施部门经费预算完成期限其他要求主管部门相关部门责任人1工亡率为零零1、培训教育提高意识2、加强现场监督管理3、增加安全防护设备4、杜绝“三违”现象发生5、加强有效防范、监督、整改措施6、做好应急救援演练8、定期对特种设备进行检定、维护保养9、严格按照危爆物品的储存发放、使用要求进行操作,建立领取、使用登记台帐2千人员伤率≤3‰零3重大设备、火灾、交通事故为零零4新入厂员工三级教育达到100%,合格率100%100%5新职业病发病率为零零6特种设备检验率达100%,合格率100%100%批准:审核:编制:年月日安全生产目标分解表MB—02总目标1、工亡率为零;2、千人负伤率≤3‰;3、重大设备事故为零,重大火灾事故为零,重大交通事故为零;4、全员安全教育培训率达到100%,特殊工种持证上岗率达到100%;5、新的职业病发生率为零;6、特种设备检验率达到100%,合格率达到100%;7、无重大环保事故;8、不发生产成品和原料的丢失事故;9、不发生爆炸物品丢失事故。序号分目标职能部门安环科生产技术科保卫科企业管理部人事科1工亡率为零●○▲2千人负伤率≤3‰●○▲3重大设备事故为零○●○▲4重大火灾事故为零○○●▲5重大交通事故为零○○●▲6全员安全教育培训率达到100%●○▲●7特殊工种持证上岗率达到100%●○○▲○8新的职业病发生率为零●○9特种设备检验率达到100%○●▲10特种设备合格率达到100%○●▲11无重大环保事故●○▲12不发生产成品的丢失事故○●▲13不发生产原料的丢失事故○●▲14不发生爆炸物品丢失事故○○●▲●主管部门○相关部门▲考核部门企业管理部由分管经理进行考核批准:审核:编制:年月日安全目标管理方案表安全生产目标:工亡率为零,千人负伤率为3‰,重大事故率为零,重大火灾事故为零,重大交通事故为零,不发生危险品丢失事故,特种设备检验率100%,全员安全教育培训率达100%,无重大环保事故,新职业病发病率为零。目标:1、不发生炮烟中毒事故。2、不发生斜井跑车和人员乘车事故。3、不发生片帮冒顶事故。4、不发生触电事故。5、不发生火工材料丢失事故。6、不发生采空区塌陷事故。7、不发生新增职业病项目主管部门安环科项目负责人项目相关部门采区项目财务预算主要技术方案及技术措施:实施安全确认制度,采空区监测制度,炮烟检测制度,完善通风系统,配置相应的应急救护设施,认真落实矿山各项规章制度。项目实施计划项目内容进度计划1、安全教育培训工作。2、更换安全标志。3、应急救护演练。4、增置应急救援设备、设施。拟定审核批准法律法规意识调查表所在单位所在岗位对法律法规中规定的权利与义务熟悉□较熟悉□不熟悉□的掌握程度通过对法律法规的获取,认为遵守重要性如何重要□不重要□一般□日常工作中获取法律法规渠道法律法规汇编□局域网□邮箱□安全教育□安全知识竞赛□日常工作中获取法律法规渠道是否畅通畅通□有时畅通□不畅通□每次获取法律法规后,是否有所提升是□否□一般□参加这种法律法规识别情况跟踪调查次数一次□两次□三次□日常工作中获取法律法规能否满足需求能□一般□不能□制表:审核:批准:年月日职工法律法规意识提升计划职工法律法规意识现状描述:编号培训内容培训人员培训老师培训时间培训方式培训地点12345职工法律法规意识提升跟踪调查表参加调查职工单位:参加调查人员:调查时间:法律、法规和其他要求清单序号名称适用条款颁布部门发布日期实施日期1中华人民共和国宪法全国人大82-12-0482-12-042中华人民共和国劳动法全国人大1994-07-051995-05-013中华人民共和国工会法全国人大92-...

1、当您付费下载文档后,您只拥有了使用权限,并不意味着购买了版权,文档只能用于自身使用,不得用于其他商业用途(如 [转卖]进行直接盈利或[编辑后售卖]进行间接盈利)。
2、本站所有内容均由合作方或网友上传,本站不对文档的完整性、权威性及其观点立场正确性做任何保证或承诺!文档内容仅供研究参考,付费前请自行鉴别。
3、如文档内容存在违规,或者侵犯商业秘密、侵犯著作权等,请点击“违规举报”。

碎片内容

地下矿山标准化最详细的原始基础表格

墨香书阁+ 关注
实名认证
内容提供者

热爱教学事业,对互联网知识分享很感兴趣

确认删除?
VIP
微信客服
  • 扫码咨询
会员Q群
  • 会员专属群点击这里加入QQ群
客服邮箱
回到顶部