电脑桌面
添加小米粒文库到电脑桌面
安装后可以在桌面快捷访问

华为杭州二期生产基地建设项目-杭州国家高新技术产业开发区VIP免费

华为杭州二期生产基地建设项目-杭州国家高新技术产业开发区_第1页
1/15
华为杭州二期生产基地建设项目-杭州国家高新技术产业开发区_第2页
2/15
华为杭州二期生产基地建设项目-杭州国家高新技术产业开发区_第3页
3/15
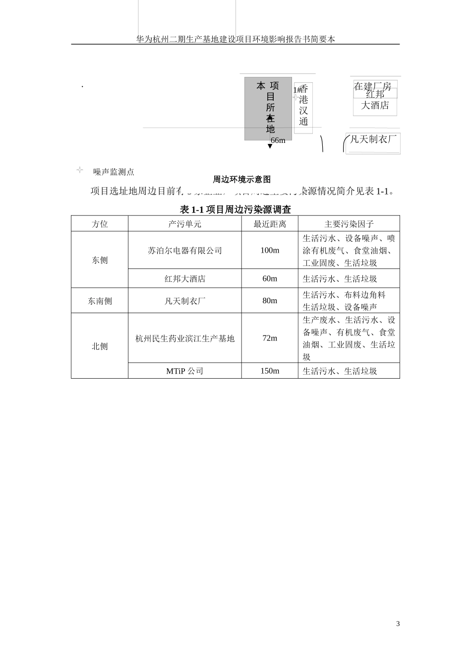
华为杭州二期生产基地建设项目环境影响报告书简要本华为杭州二期生产基地建设项目环境影响报告书(简要本)浙江环龙环境保护公司ZHEJIANGHUANLONGENVIRONMENTALPROTECTIONCO.国环评证乙字第2022号二○○八年六月1华为杭州二期生产基地建设项目环境影响报告书简要本第一章总论1.1项目由来深圳市华为投资控股有限公司选址于杭州市滨江区高新科技园,处于华东地区的交通枢纽,沪杭、浙赣、杭甬铁路在此交汇,沪杭甬、杭金衢高速公路,萧山国际机场、京杭大运河和钱塘江等交通设施使杭州可直接辐射至国内外大城市。全区常住人口13万人,企业3400多家,其中高新企业1800多家,世界500强企业以已有8家落户区内。杭州国家高新区享有国家高新区的优惠政策;又具备一级政府的各项职能及特殊政策,并有40多条优惠措施及多类扶持政策。本项目总征地面积250694m2,建设用地面积230074m2,容积率1.04,建筑密度30%,绿地率20%。基地北临滨安路,南临滨康路,东接江晖路,西临江虹路。本项目主要建设内容为软件生产车间6幢(地上5层),生产配套服务的软件生产中心车间、会议中心(入口建筑,地上4层)以及员工食堂(地上2层)。生产车间主要从事软件生产,主要设备为计算机。根据《中华人民共和国环境影响评价法》、国务院第253号令《建设项目环境保护管理条例》和省、市环保局有关文件精神和规定,建设单位深圳市华为投资控股有限公司委托杭州市环龙环境保护公司对该项目进行环境影响评价。我们在接受委托后,经征求环保管理部门的意见,在现场踏勘与分析的基础上,编写了该项目的环境影响评价报告书。1.2项目地理位置本项目位于杭州高新技术产业开发区内,北临滨安路,南临滨康路,东接江晖路,西临江虹路。1.3周围环境概况建设项目周边环境概况见下图。滨安路江虹路3#4#江晖路本项目所在地N其他企业开发地块农田农居77m苏泊尔电器有限公司东流路杭州民生药业滨江生产基地MTiP公司空地建设工地2华为杭州二期生产基地建设项目环境影响报告书简要本·项目选址地周边目前有5家企业,项目周边主要污染源情况简介见表1-1。表1-1项目周边污染源调查方位产污单元最近距离主要污染因子东侧苏泊尔电器有限公司100m生活污水、设备噪声、喷涂有机废气、食堂油烟、工业固废、生活垃圾红邦大酒店60m生活污水、生活垃圾东南侧凡天制衣厂80m生活污水、布料边角料生活垃圾、设备噪声北侧杭州民生药业滨江生产基地72m生产废水、生活污水、设备噪声、有机废气、食堂油烟、工业固废、生活垃圾MTiP公司150m生活污水、生活垃圾江虹路噪声监测点周边环境示意图1#江晖路本项目所在地本项目所在地农田66m在建厂房红邦大酒店凡天制衣厂香港汉通3华为杭州二期生产基地建设项目环境影响报告书简要本第二章建设项目基本情况2.1项目概况项目总征地面积250694m2,建设用地面积230074m2,容积率1.04,建筑密度≤30%,绿地率≥20%。建设内容分为软件生产厂房、会议中心、软件生产中心车间、员工食堂及其他辅助用房。项目主要经济技术指标见表2-1。表2-1建设项目经济指标序号项目经济指标1建设总用地面积230074m22总建筑面积311058m2其中地上建筑面积238288m2地下建筑面积72770m23容积率1.044建筑密度30%5绿地率20%6地上机动车停车位35辆7地下机动车停车位1500辆8自行车停车位1200辆2.2功能布局项目各建筑物主要功能布局见表2-2。表2-2项目各建筑物主要功能布置表建筑楼层内部功能8字形软件生产厂房六栋地下室地下车库、设备用房1F-5F软件生产(主要为程序设计,实际为电脑办公,下同)入口建筑地下室地下车库、设备用房、资料室会议中心1F报告厅、图书馆、接待处2F计算机培训、教室、咖啡厅3~4F计算机培训、教室软件生产中心车间1F经理办公室、流动后勤人员办公室、接待室2F-4F软件生产接待值班室1F接待、门卫值班员工食堂地下层设备间、厨房、储藏室、员工更衣室、卸货区1F-2F餐厅本项目主要设备布置位置见表2-3:表2-3项目主要设备布置表4华为杭州二期生产基地建设项目环境影响报告书简要本功能设备名称位置供水水泵房各主要建筑地下室供电1#变配电所,内设高压配电室(两路10kV电源),10kV/0.4kV变压器室(2台容量为2500kVA和2...

1、当您付费下载文档后,您只拥有了使用权限,并不意味着购买了版权,文档只能用于自身使用,不得用于其他商业用途(如 [转卖]进行直接盈利或[编辑后售卖]进行间接盈利)。
2、本站所有内容均由合作方或网友上传,本站不对文档的完整性、权威性及其观点立场正确性做任何保证或承诺!文档内容仅供研究参考,付费前请自行鉴别。
3、如文档内容存在违规,或者侵犯商业秘密、侵犯著作权等,请点击“违规举报”。

碎片内容

华为杭州二期生产基地建设项目-杭州国家高新技术产业开发区

精品中小学文档+ 关注
实名认证
内容提供者

精品资料,值得下载

相关文档

确认删除?
VIP
微信客服
  • 扫码咨询
会员Q群
  • 会员专属群点击这里加入QQ群
客服邮箱
回到顶部