电脑桌面
添加小米粒文库到电脑桌面
安装后可以在桌面快捷访问

安全文明施工评分表VIP免费

安全文明施工评分表_第1页
1/29
安全文明施工评分表_第2页
2/29
安全文明施工评分表_第3页
3/29
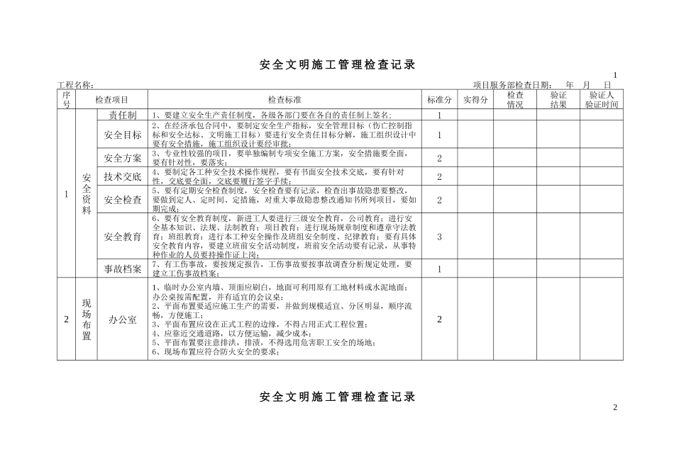
安全文明施工管理检查记录1工程名称:项目服务部检查日期:年月日序号检查项目检查标准标准分实得分检查情况验证结果验证人验证时间1安全资料责任制1、要建立安全生产责任制度,各级各部门要在各自的责任制上签名;1安全目标2、在经济承包合同中,要制定安全生产指标,安全管理目标(伤亡控制指标和安全达标、文明施工目标)要进行安全责任目标分解,施工组织设计中要有安全措施,施工组织设计要经审批;1安全方案3、专业性较强的项目,要单独编制专项安全施工方案,安全措施要全面,要有针对性,要落实;2技术交底4、要制定各工种安全技术操作规程,要有书面安全技术交底,要有针对性,交底要全面,交底要履行签字手续;2安全检查5、要有定期安全检查制度,安全检查要有记录,检查出事故隐患要整改,要做到定人、定时间、定措施,对重大事故隐患整改通知书所列项目,要如期完成;2安全教育6、要有安全教育制度,新进工人要进行三级安全教育,公司教育;进行安全基本知识、法规、法制教育;项目教育;进行现场规章制度和遵章守法教育;班组教育:进行本工种安全操作及班组安全制度、纪律教育;要有具体安全教育内容,要建立班前安全活动制度,班前安全活动要有记录,从事特种作业的人员要持操作证上岗;3事故档案7、有工伤事故,要按规定报告,工伤事故要按事故调查分析规定处理,要建立工伤事故档案;12现场布置办公室1、临时办公室内墙、顶面应刷白,地面可利用原有工地材料或水泥地面;办公桌按需配置,并有适宜的会议桌;2、平面布置要适应施工生产的需要,并做到规模适宜、分区明显,顺序流畅,方便施工;3、平面布置应设在正式工程的边缘,不得占用正式工程位置;4、应靠近交通道路,以方便运输,减少成本;5、平面布置要注意排洪,排渍,不得选用危害职工安全的场地;6、现场布置应符合防火安全的要求;2安全文明施工管理检查记录2工程名称:项目服务部检查日期:年月日序号检查项目检查标准标准分实得分检查情况验证结果验证人验证时间2现场布置办公室7、办公室主要墙面应悬挂《公司简介和规章制度》,门旁设安全帽、图纸挂钩;有相关管理制度;28、办公室应整齐:文件应入文件夹,图纸归在图纸架上,材料样板不得随意放置;9、办公室卫生一天打扫一次,办公区室外卫生每周至少清扫一次,并采用洒水清扫,减少扬尘;建立相关记录;10、电脑、传真机、打印机等办公设备不使用时必须用布遮盖挡尘,并定期除尘;宿舍职工宿舍门窗齐全、牢固、无破损,室内无乱接电线、无禁用电器。宿舍内应安置标准床铺,每间标准房间就寝人员不得超过八人;专人管理落实责任;2食堂1、食堂内环境整洁,有"三防"措施,室内无苍蝇、无蟑螂、无鼠迹;2、食堂室内外卫生要分片包干,落实责任到人,明确任务;3、要坚持做到:墙壁、屋顶经常清扫无黑垢、油污、蛛网;门窗干净明亮;纱窗完好,无灰尘油垢,电扇、炊具、售食窗口要清洁明亮;4、厨房操作间卫生要求责任到人,做到每餐操作完毕要及时擦亮灶台、用具、加工设备,清扫地面,保持沟道畅通,无杂物、无积水,并设有防鼠设施;5、食堂要坚持每周大扫除一次,做到地面、瓷砖、用具见本色;2卫生间、浴池要设置符合卫生标准的卫生间、浴池:卫生间、浴池要有专人进行管理和保洁,保持设施完好,保持清洁,无异味、无蝇蛆,无乱涂乱画、乱扔乱倒现象,有防蝇和照明设备。要每天至少打扫一次,做到干净、整洁,无异味,要定期消毒;23员工着装1、工人必须穿公司统一工作服,着装须干净整齐、庄重大方;2、员工在作业时间内不得穿拖鞋,不得赤脚;3、进入施工现场要正确戴好安全帽、要佩带工牌;4安全文明施工管理检查记录3工程名称:项目服务部检查日期:年月日序号检查项目检查标准标准分实得分检查情况验证结果验证人验证时间4标识牌1、施工现场必须设有“五牌一图”,即工程概况牌、管理人员名单及联系电话牌、消防保卫(防火责任)牌、安全生产牌、文明施工牌、施工现场总平面图。标牌规格统一、位置合理、字迹端正、线条清晰、表示明确,并固定在现场内主要进出口处,严禁将“五牌一图”挂在外脚手架上;42、施工现场应合理悬挂安全生产宣传...

1、当您付费下载文档后,您只拥有了使用权限,并不意味着购买了版权,文档只能用于自身使用,不得用于其他商业用途(如 [转卖]进行直接盈利或[编辑后售卖]进行间接盈利)。
2、本站所有内容均由合作方或网友上传,本站不对文档的完整性、权威性及其观点立场正确性做任何保证或承诺!文档内容仅供研究参考,付费前请自行鉴别。
3、如文档内容存在违规,或者侵犯商业秘密、侵犯著作权等,请点击“违规举报”。

碎片内容

安全文明施工评分表

您可能关注的文档

确认删除?
VIP
微信客服
  • 扫码咨询
会员Q群
  • 会员专属群点击这里加入QQ群
客服邮箱
回到顶部