电脑桌面
添加小米粒文库到电脑桌面
安装后可以在桌面快捷访问

地下变电室工程施工组织设计方案范本(72页)VIP专享VIP免费

地下变电室工程施工组织设计方案范本(72页)_第1页
1/46
地下变电室工程施工组织设计方案范本(72页)_第2页
2/46
地下变电室工程施工组织设计方案范本(72页)_第3页
3/46
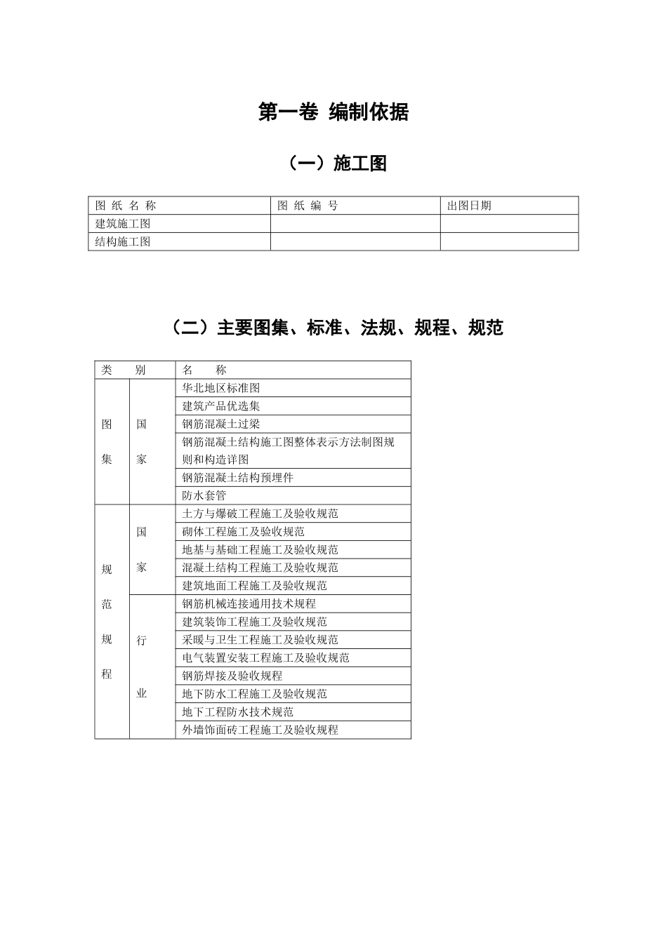
地下变电室编制日期:年月日编制单位:目录第一卷编制依据(一)施工图图纸名称图纸编号出图日期建筑施工图结构施工图(二)主要图集、标准、法规、规程、规范类别名称图集国家华北地区标准图建筑产品优选集钢筋混凝土过梁钢筋混凝土结构施工图整体表示方法制图规则和构造详图钢筋混凝土结构预埋件防水套管规范规程国家土方与爆破工程施工及验收规范砌体工程施工及验收规范地基与基础工程施工及验收规范混凝土结构工程施工及验收规范建筑地面工程施工及验收规范行业钢筋机械连接通用技术规程建筑装饰工程施工及验收规范采暖与卫生工程施工及验收规范电气装置安装工程施工及验收规范钢筋焊接及验收规程地下防水工程施工及验收规范地下工程防水技术规范外墙饰面砖工程施工及验收规程第二卷工程概况(一)工程简介序号项目内容工程名称工程业主设计单位建筑面积工程地点结构形式地下三层为现浇钢筋混凝土结构,地上一层为框架结构基础形式板式基础,板厚建筑用途首层油机消音室、进风消音道地下一层设备机房、管道间、油机消音室、进风消音道地下二层油机房、低压室、高压室、油箱室、油机消音室地下三层电缆间(二)场地及水电情况现场三通一平已具备,交通状况良好,提供施工用地,建筑物占地,施工场地狭小,尤其新建工程紧临原有建筑,给施工带来一定难度。水电由甲方指定地点引入。(三)建筑设计特点序项目内容建筑规模面积()首层负一层负二层负三层总建筑面积层数:地下三层地上一层层高()首层:负一层、负二层负三层檐高屋面油机消音室屋面:厚粗砂铺卧××水泥砖留宽砖缝,用砂填满扫净;外墙面贴面砖防水结构外墙采用抗渗混凝土、做卷材防水,在卷材防水上再刷聚胺脂防水涂料,外侧厚聚苯板防水保护墙(四)结构设计特点基础类型板式基础结构形式地下三层为现浇钢筋混凝土;地上一层为框架结构混凝土强度等级基础垫层:钢筋类别热轧Ⅰ级、Ⅱ级钢筋接头类别机械连接第三卷施工部署(一)工程目标1、质量目标:单位工程达到优良等级。2、安全目标:确保无重伤、无死亡事故。3、工期目标:科学组织施工,合理安排工序穿插,确保合同工期实现。4、现场管理目标:北京市文明安全工地。5、管理体系:管理机制采用项目法施工管理。质量体系经认证并符合—:标准的质量体系。第四卷主要分部分项工程施工方案(一)施工测量、施工测量的准备工作:(1)了解工程的总体布局、定位及标高情况。(2)对图纸进行校核。(3)确定放线精度。(4)测量设备、仪器确保在有效期内。2、建筑定位放线:(1)建筑定位依据:根据施工图纸,定位依据为市政规划红线及西侧二层现状楼。根据本工程特点,首先布设十字主轴线,在根据主轴线布设各单独建筑的平面控制网。1)平面控制网的精度要求:根据建筑的结构和使用特点,布设主轴线精度为二级,其中:测角中误差为±",边长相对误差为。布设单独平面控制网精度为三级,其中:测角中误差为±边长相对误差为。布设主轴线时用激光经纬仪,保证足够的精度。)距离丈量方法:距离丈量采用级钢尺,丈量时必须使用弹簧秤,并进行往返测量。并考虑尺长、温度、倾斜、拉力等各项改正数。具体公式为:(考虑采用标准拉力,则拉力改正数不计)式中:丈量时钢尺读数鉴定时标准温度实际距离钢尺线膨胀系数实钢尺实际长度测量时实际温度明钢尺名义长度两端高差)角度测设方法:如图所示:根据已知的起始方向,测设角度α:用正倒镜法测出∠后,用经纬仪精确测设出∠α,α与α的差为β,过点作,并量取距离:(2)建筑物高程控制网测设:工程±绝对标高为米,高程引入采用设计及甲方提供的国家水准点,在建筑场区内布设个控制点。控制网的测量采用附和测法。闭合差的要求::为附和线路长度。(3)测设轴线控制桩:根据已布好的建筑物平面控制网,测设轴线控制桩,测设时以两端控制桩为准,测定该边的控制桩,并校核各桩间距,精度同平面控制网。3、基础开挖、放线:由于大部分建筑平面控制桩及轴线控制桩距基础外边线较远。在基础开挖时,不易被破坏,故在开挖基础时不需引桩。基础开挖撒线宽度不应超过。其中北侧的两座进风清音道由于距离场地...

1、当您付费下载文档后,您只拥有了使用权限,并不意味着购买了版权,文档只能用于自身使用,不得用于其他商业用途(如 [转卖]进行直接盈利或[编辑后售卖]进行间接盈利)。
2、本站所有内容均由合作方或网友上传,本站不对文档的完整性、权威性及其观点立场正确性做任何保证或承诺!文档内容仅供研究参考,付费前请自行鉴别。
3、如文档内容存在违规,或者侵犯商业秘密、侵犯著作权等,请点击“违规举报”。

碎片内容

地下变电室工程施工组织设计方案范本(72页)

确认删除?
VIP
微信客服
  • 扫码咨询
会员Q群
  • 会员专属群点击这里加入QQ群
客服邮箱
回到顶部