电脑桌面
添加小米粒文库到电脑桌面
安装后可以在桌面快捷访问

建筑材料标准之进场材料验收标准VIP免费

建筑材料标准之进场材料验收标准_第1页
1/108
建筑材料标准之进场材料验收标准_第2页
2/108
建筑材料标准之进场材料验收标准_第3页
3/108
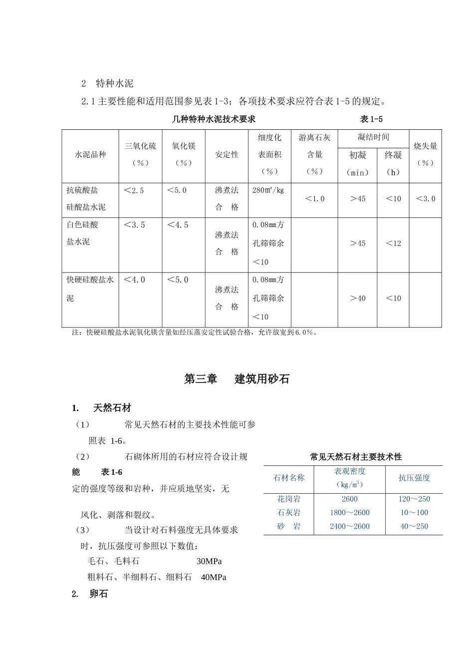
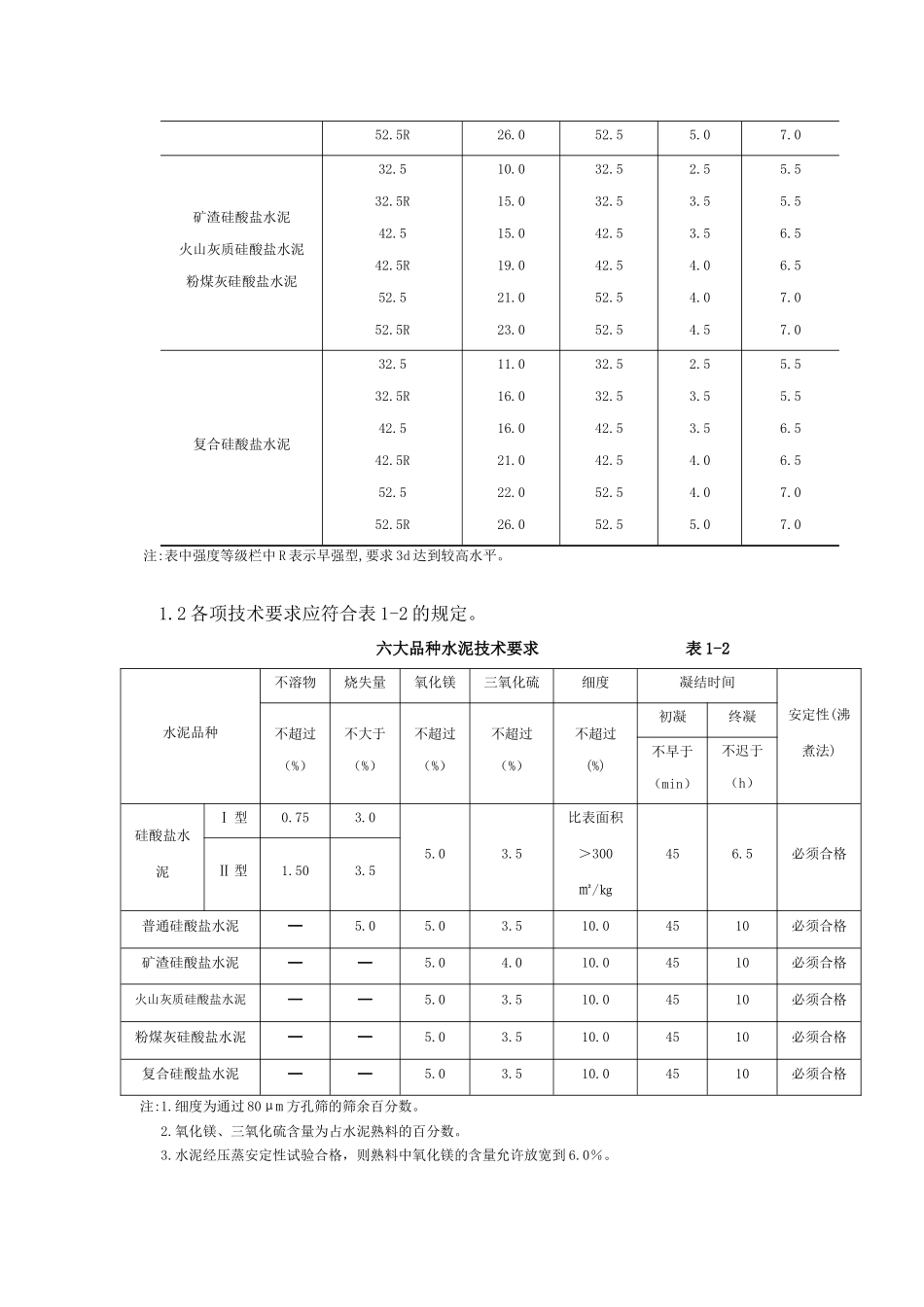
第二部分进场材料验收标准第一章总则材料进场时,要进行材料质量和数量的验收,主要如下:1验收材料出厂合格证、材质单、化验报告和其它有关证明单或化验单;2对材料进行外观检查;3对材料进行数量验收。第二章水泥水泥进场验收:水泥进场时应对其品种、级别、包装或散装仓号、出厂日期等进行检查,检查水泥出厂合格证,并应对其强度、安定性及其他必要的性能指标进行复验,其质量必须符合现行国家标准《硅酸盐水泥、普通硅酸盐水泥》GB175等的规定。1常用水泥1.1各龄期强度不得低于表1-1的规定数值。六大品种水泥不同强度等级各龄期强度值表1-1品种强度等级抗压强度(Mpa)抗折强度(MPa)3d28d3d28d硅酸盐水泥42.542.5R52.552.5R62.562.5R17.022.023.027.028.032.042.542.552.552.562.562.53.54.04.05.05.05.56.56.57.07.08.08.0普通硅酸盐水泥32.532.5R42.542.5R52.511.016.016.021.022.032.532.542.542.552.52.53.53.54.04.05.55.56.56.57.052.5R26.052.55.07.0矿渣硅酸盐水泥火山灰质硅酸盐水泥粉煤灰硅酸盐水泥32.532.5R42.542.5R52.552.5R10.015.015.019.021.023.032.532.542.542.552.552.52.53.53.54.04.04.55.55.56.56.57.07.0复合硅酸盐水泥32.532.5R42.542.5R52.552.5R11.016.016.021.022.026.032.532.542.542.552.552.52.53.53.54.04.05.05.55.56.56.57.07.0注:表中强度等级栏中R表示早强型,要求3d达到较高水平。1.2各项技术要求应符合表1-2的规定。六大品种水泥技术要求表1-2水泥品种不溶物烧失量氧化镁三氧化硫细度凝结时间安定性(沸煮法)不超过(%)不大于(%)不超过(%)不超过(%)不超过(%)初凝终凝不早于(min)不迟于(h)硅酸盐水泥Ⅰ型0.753.05.03.5比表面积>300㎡/㎏456.5必须合格Ⅱ型1.503.5普通硅酸盐水泥-5.05.03.510.04510必须合格矿渣硅酸盐水泥--5.04.010.04510必须合格火山灰质硅酸盐水泥--5.03.510.04510必须合格粉煤灰硅酸盐水泥--5.03.510.04510必须合格复合硅酸盐水泥--5.03.510.04510必须合格注:1.细度为通过80μm方孔筛的筛余百分数。2.氧化镁、三氧化硫含量为占水泥熟料的百分数。3.水泥经压蒸安定性试验合格,则熟料中氧化镁的含量允许放宽到6.0%。2特种水泥2.1主要性能和适用范围参见表1-3;各项技术要求应符合表1-5的规定。几种特种水泥技术要求表1-5水泥品种三氧化硫(%)氧化镁(%)安定性细度化表面积(%)游离石灰含量(%)凝结时间烧失量(%)初凝(min)终凝(h)抗硫酸盐硅酸盐水泥<2.5<5.0沸煮法合格280㎡/㎏<1.0>45<10<3.0白色硅酸盐水泥<3.5<4.5沸煮法合格0.08㎜方孔筛筛余<10>45<12快硬硅酸盐水泥<4.0<5.0沸煮法合格0.08㎜方孔筛筛余<10>40<10注:快硬硅酸盐水泥氧化镁含量如经压蒸安定性试验合格,允许放宽到6.0%。第三章建筑用砂石1.天然石材(1)常见天然石材的主要技术性能可参照表1-6。(2)石砌体所用的石材应符合设计规常见天然石材主要技术性能表1-6定的强度等级和岩种,并应质地坚实,无风化、剥落和裂纹。(3)当设计对石料强度无具体要求时,抗压强度可参照以下数值:毛石、毛料石30MPa粗料石、半细料石、细料石40MPa2.卵石石材名称表观密度(㎏/m3)抗压强度花岗岩石灰岩砂岩26001800~26002400~2600120~25010~10040~250卵石规格应基本一致,并应无脱层、蜂窝,外形应呈扁平状。呈圆球状、针状、薄片状及表面特别光滑者不得使用。3.毛石毛石砌体所用的毛石,包括乱毛石和平毛石,其外形应呈块状,中部厚度不宜小于15㎝(砌挡土墙的毛石,中部厚度不小于20㎝)。注:乱毛石系指形状不规则的石块;平毛石系指形状不规则,但有两个平面大致平行的石块。4.料石(1)料石表面的加工,应符合表1-7的要求。(2)各种砌筑用料石的宽度、厚度均不宜小于20㎝;长度不宜大于厚度的4倍。料石规格尺寸的加工允许偏差符合表1-8要求。种类宽、厚度(㎜)长度(㎜)细料石、半细料石粗料石毛料石±3±5±10±5±7±154混凝土用石子1)混凝土用石子的技术要求见表1-9。续表项目指标料石表面加工质量要求表1-7种类外露面及相接周边的表面凹入深度不大于(㎜)叠砌面和接砌面的表面凹入深度不...

1、当您付费下载文档后,您只拥有了使用权限,并不意味着购买了版权,文档只能用于自身使用,不得用于其他商业用途(如 [转卖]进行直接盈利或[编辑后售卖]进行间接盈利)。
2、本站所有内容均由合作方或网友上传,本站不对文档的完整性、权威性及其观点立场正确性做任何保证或承诺!文档内容仅供研究参考,付费前请自行鉴别。
3、如文档内容存在违规,或者侵犯商业秘密、侵犯著作权等,请点击“违规举报”。

碎片内容

建筑材料标准之进场材料验收标准

确认删除?
VIP
微信客服
  • 扫码咨询
会员Q群
  • 会员专属群点击这里加入QQ群
客服邮箱
回到顶部