电脑桌面
添加小米粒文库到电脑桌面
安装后可以在桌面快捷访问

建筑安全内业表格VIP免费

建筑安全内业表格_第1页
1/75
建筑安全内业表格_第2页
2/75
建筑安全内业表格_第3页
3/75
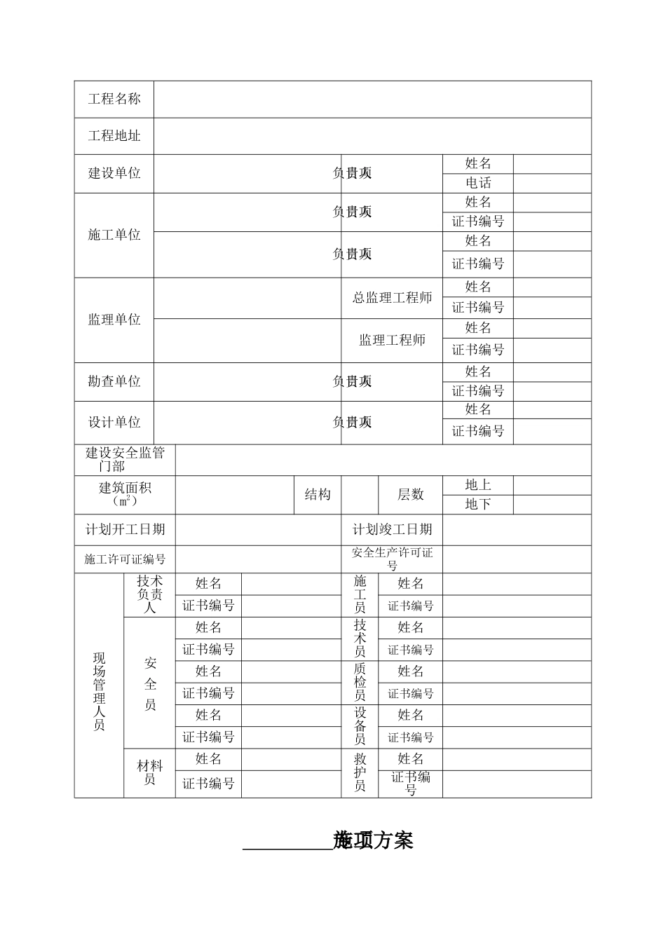
建设工程安全监督备案登记表建设单位(公章):填报日期:编号:建设单位填写工程项目主要情况工程名称建筑面积结构、层数工程总造价施工单位资质等级监理单位资质等级开工时间计划竣工时间项目负责人安全考核合格证书编号专职安全员监理工程师市(县)建设行政主管部门填写审查内容审查情况企业安全生产许可证(出示原件,存复印件)安全防护、文明施工措施费用存款凭证(出示投标书、中标通知书核算)意外伤害保险(出示原件保险合同,存复印件)专项安全施工组织设计(方案)工程项目安全管理人员及特种作业人员持证上岗情况(出示投标书和上岗证原件进行核实,原件封存,现场留封存证明和复印件待查)起重设备登记、安拆备案和检测情况(出示登记备案证、检测报告)工人入场前三级安全教育情况(出示工人三级安全教育汇总表)现场安全生产责任制和安全操作规程安全防护、临时设施、围挡、施工用电、消防等设施现场平面布置、“三通一平”情况其它需要备案材料审查结论:市(县)建设行政主管部门(公章)年月日注:本表由建设单位填写,建设单位、施工单位、建设行政主管部门各存一份。地上、地下管线及建(构)筑物资料移交单编号:工程名称建设单位施工单位移交日期移交内容:移交人:建设单位(章)接受人:施工单位(章)监理单位(章):总监理工程师(签字):年月日注:由建设单位填写,建设单位、监理单位、施工单位各存一份。工程概况编号:工程名称工程地址建设单位项目负责人姓名电话施工单位项目负责人姓名证书编号项目负责人姓名证书编号监理单位总监理工程师姓名证书编号监理工程师姓名证书编号勘查单位项目负责人姓名证书编号设计单位项目负责人姓名证书编号建设安全监管部门建筑面积(m2)结构层数地上地下计划开工日期计划竣工日期施工许可证编号安全生产许可证号现场管理人员技术负责人姓名施工员姓名证书编号证书编号安全员姓名技术员姓名证书编号证书编号姓名质检员姓名证书编号证书编号姓名设备员姓名证书编号证书编号材料员姓名救护员姓名证书编号证书编号专项施工方案编号:工程名称:工程地址:建设单位:监理单位:施工单位:编制人:项目技术负责人:施工单位项目负责人:建设单位项目负责人:监理工程师:施工企业技术负责人:总监理工程师:年月日专项施工方案会签表编号:工程名称危险性较大分部分项工程专家论证表编号:工程名称建设单位项目负责人监理单位总监理工程师编制人:(签字)年月日生产计划部门:(签字)年月日技术部门:(签字)年月日安全部门:(签字)年月日材料设备部门:(签字)年月日勘察单位项目技术负责人设计单位项目技术负责人总承包单位项目负责人项目技术负责人项目专职安全员分包单位项目负责人项目技术负责人项目专职安全员危险性较大分项工程名称专项方案编制人专家一览表姓名性别年龄工作单位职务职称专业专家论证意见:年月日专家签名专家(签字):组长(签字):施工单位(公章)单位技术负责人(签字):单位分管安全负责人(签字):年月日注:本表由施工单位填写,建设、监理、勘察、设计、总包、分包等单位各存一份安全技术交底汇总表编号:工程名称施工单位序号安全技术交底名称交底人交底日期备注填表人年月日注:本表由施工单位填写,监理单位、施工单位各存一份分部(分项)工程安全技术交底记录编号:单位工程名称交底时间年月日分部分项工程名称形象进度交底部位工种交底内容:交底人(技术员):(签名)接受交底人签名注:项目部、班组各一份;交底、接受交底人必须本人签字;本表可做为分工种安全技术交底用表(也可采用影像资像资料)。可加附页。项目部定期安全检查记录(通知单)编号:工程名称检查时间年月日检查人员存在问题及隐患:整改措施:整改责任人(签字):技术员(签字):年月日复查意见:项目负责人(签字):年月日项目部安全会议(活动)记录编号:时间年月日时主持人及职务编号:项目部安全教育记录教育时间:年月日编号:参加人员地点记录人会议(活动)内容:教育内容项目部教育:是新工人被分配到项目以后进行的安全教育。教育内容:(1)安全生产技术操作一般规定;(2)...

1、当您付费下载文档后,您只拥有了使用权限,并不意味着购买了版权,文档只能用于自身使用,不得用于其他商业用途(如 [转卖]进行直接盈利或[编辑后售卖]进行间接盈利)。
2、本站所有内容均由合作方或网友上传,本站不对文档的完整性、权威性及其观点立场正确性做任何保证或承诺!文档内容仅供研究参考,付费前请自行鉴别。
3、如文档内容存在违规,或者侵犯商业秘密、侵犯著作权等,请点击“违规举报”。

碎片内容

建筑安全内业表格

您可能关注的文档

确认删除?
VIP
微信客服
  • 扫码咨询
会员Q群
  • 会员专属群点击这里加入QQ群
客服邮箱
回到顶部