电脑桌面
添加小米粒文库到电脑桌面
安装后可以在桌面快捷访问

市政道路排水工程监理细则VIP免费

市政道路排水工程监理细则_第1页
1/7
市政道路排水工程监理细则_第2页
2/7
市政道路排水工程监理细则_第3页
3/7
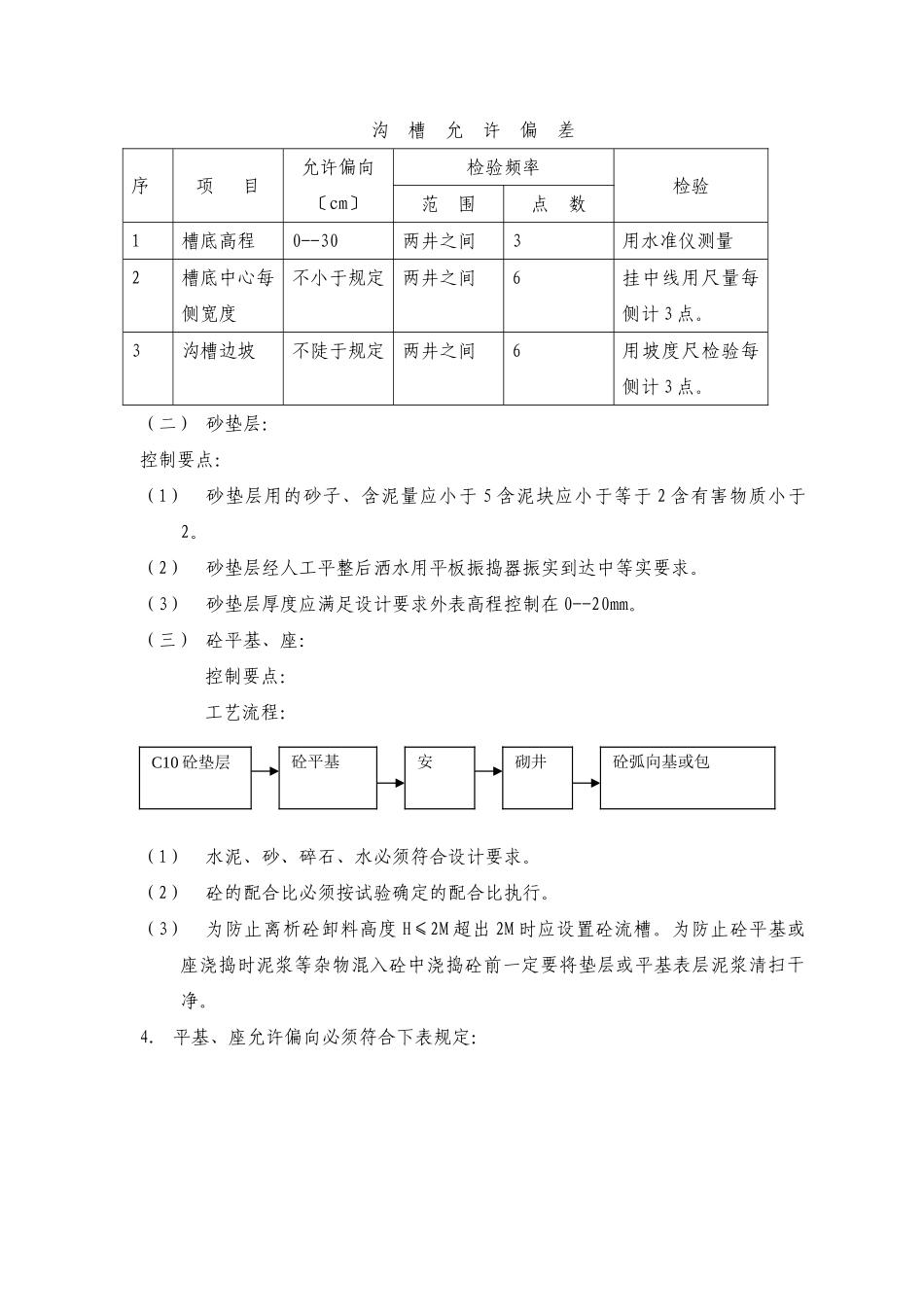
1.适用范围:本细那么适用于漳州开发区卓歧路〔延伸段〕政道路工程的排水道的施工及验收的监视理。2.职责:工程监理部负责主持专业工程监理细那么的制定专监理工程师编制总监理工程师审核;工程监理部负责施行给排水、土建专业监理工程师详细执行并对其负有相应的责任监理员负责相应有关工序的旁站。3.内容:3.1准备阶段:3.1.1熟悉合同、设计图纸和有关技术资料对施工进展技术交底。3.1.2审核施工的施工组织设计?施工组织设计〔方案〕报审表?。3.1.3审查施工各类材料的进场数量、质量审核?建筑〔安装〕材料报审表?。3.1.4检查施工的劳力、设备进场情况填写?进场设备报验单?。3.1.5复查施工的测量放线复核施工填写的?施工测量放线报验单?。3.1.6签发?分项工程开工?。3.2施工阶段:3.2.1工艺流程:(一)基槽开挖:控制要点:(1)严禁扰动槽底土壤利用机械施工时应预留15cm--20cm的原状土用人工修整假设发生超挖严禁用土回填。(2)槽底不得受水浸泡。(3)沟槽允许偏向应符合下表的规定:沟开挖砂垫层平基、座道安装检查井砌筑回填夯实沟槽允许偏差序项目允许偏向〔cm〕检验频率检验范围点数1槽底高程0--30两井之间3用水准仪测量2槽底中心每侧宽度不小于规定两井之间6挂中线用尺量每侧计3点。3沟槽边坡不陡于规定两井之间6用坡度尺检验每侧计3点。(二)砂垫层:控制要点:(1)砂垫层用的砂子、含泥量应小于5含泥块应小于等于2含有害物质小于2。(2)砂垫层经人工平整后洒水用平板振捣器振实到达中等实要求。(3)砂垫层厚度应满足设计要求外表高程控制在0--20mm。(三)砼平基、座:控制要点:工艺流程:(1)水泥、砂、碎石、水必须符合设计要求。(2)砼的配合比必须按试验确定的配合比执行。(3)为防止离析砼卸料高度H≤2M超出2M时应设置砼流槽。为防止砼平基或座浇捣时泥浆等杂物混入砼中浇捣砼前一定要将垫层或平基表层泥浆清扫干净。4.平基、座允许偏向必须符合下表规定:C10砼垫层砼平基安砌井砼弧向基或包平基、座允许偏向序项目允许偏向检验频率检验范围点数1混凝土抗压强度必须符合附录三规定100m1组必须符合附录三规定2垫层中心线每边宽度不小于设计10m2挂中线用尺量每边计1点高程0--15mm10m1用水准仪测量3平基中线每边宽度+10mm--010m2挂中线用尺量每边计1点高程0--15mm10m1用水准仪测量厚度不小于设计10m1用尺量钢筋长度+5、-15间距±20mm10m5用尺量4座肩宽+10mm-5mm10m2挂边线用尺量每边1点肩高±20mm10m1用水准仪测量每边计1点5蜂窝面积1两井之间〔每侧面〕1用尺量蜂窝面积附录三:见?工程建立质量检验评定大全?P731页混凝土强度验收的评定。(四)道安装〔抹带接口〕质量控制要点:1.重型钢筋混凝土必须经检验合格并附有出厂合格证方可使用。2.道必须垫稳底坡度不得倒流水缝宽应均匀内不得有泥土、砖石、砂浆、木块等杂物。3.道安装允许偏向应符合下表规定:安允许误差序工程允许偏向〔mm〕检验频率检验范围点数1中线位移15两井之间2挂中线用尺量2内底高程D≤1000mm±10两井之间2用程度仪测量D>1000mm±15两井之间2用程度仪测量倒虹吸±30每道直4用程度仪测量3相邻内底错口D≤1000mm3两井之间3用尺量D>1000mm5两井之间3用尺量注:1.D<700mm时其相邻内底错口在施工中自检不计点。2.表中D为径。〔五〕抹带接口:质量控制:1.承插口或企口多种接口应平直环形间隙应均匀灰口应整齐、实、饱满不得有裂缝、空鼓等现象。2.抹带接口应外表平整、实不得有连续和裂缝、空鼓等现象。3.抹带接口允许偏向应符合下表规定:抹带接口允许偏差序工程允许偏向〔mm〕检验频率检验范围点数1宽度+50两井之间2用尺量2厚度+50两井之间2用尺量〔六〕检查井:质量控制要点:1.检查井使用的砖的强度、砂浆标必须符合设计要求。2.井壁必须互相垂直不得有通缝必须保证灰浆饱满灰缝平整抹面压光不得有空鼓、裂缝等现象。3.井内流槽应平顺踏步应安装结实位置准确不得有建筑垃圾等杂物。4.井框、井盖必须完好无损安装平稳位置正确。5.检查井允许偏向应符合下表规定:序项目允许偏向〔mm〕检查频率检验范围点数1井身尺寸长、宽±20每座2用尺量、长宽各1点直径±20...

1、当您付费下载文档后,您只拥有了使用权限,并不意味着购买了版权,文档只能用于自身使用,不得用于其他商业用途(如 [转卖]进行直接盈利或[编辑后售卖]进行间接盈利)。
2、本站所有内容均由合作方或网友上传,本站不对文档的完整性、权威性及其观点立场正确性做任何保证或承诺!文档内容仅供研究参考,付费前请自行鉴别。
3、如文档内容存在违规,或者侵犯商业秘密、侵犯著作权等,请点击“违规举报”。

碎片内容

市政道路排水工程监理细则

您可能关注的文档

墨香书阁+ 关注
实名认证
内容提供者

热爱教学事业,对互联网知识分享很感兴趣

确认删除?
VIP
微信客服
  • 扫码咨询
会员Q群
  • 会员专属群点击这里加入QQ群
客服邮箱
回到顶部