电脑桌面
添加小米粒文库到电脑桌面
安装后可以在桌面快捷访问

建筑工程监理规划cvbVIP专享VIP免费

建筑工程监理规划cvb_第1页
1/9
建筑工程监理规划cvb_第2页
2/9
建筑工程监理规划cvb_第3页
3/9
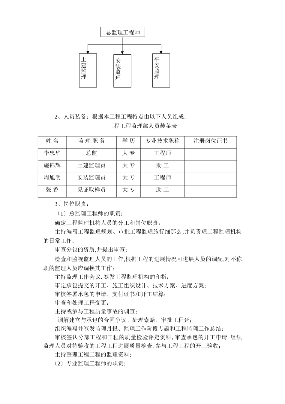
监理规划一、工程概况:1、工程名称:翠园新村118幢工程2、工程地点:金坛南环一路南侧、东环二路西侧3、建立:金坛创业房地产开发4、设计:无锡轻大建筑设计研究院5、勘察:金坛金石岩土工程6、施工:江苏城东建立工程7、监理:江苏东方建立工程理咨询翠园新村118幢工程主要构造类型为剪力墙总建筑面积为9449.56平方米地下建筑面积为1721平方米地上建筑面积为7728.56平方米占地面积为612.14平方米建筑层数为11+1层建筑高度为42.3米地上耐火等级为二级地下耐火等级为一级构造设计平安等级二级屋面防水等级为Ⅱ级抗震设防烈度为7度抗震设防类别为丙类建筑类别为商住高层建筑分类为二类高层使用年限50年。根底为桩根底根底垫层砼等级100厚C15素混凝土;三层以下是C30;三层以上是C25钢筋采用HPB235、HRB335及HRB400钢筋。框架填充墙及内隔墙±二、工程工程监理范围翠园新村118幢工程施工阶段的监理。三、监理工作目的1、工目的:在合同工内完成2、质量目的:合格3、目的:不超过建立总额4、平安目的:无伤亡事故。四、监理工作根据1、建立工程的相关法律、法规;2、经有关部门批准本工程的工程;3、与本工程有关的、、设计和技术资料;4、建立工程委托监理合同;5、与本工程相关的合同。五、工程监理组织机构、岗位职责、人员装备及进退场方案1、工程监理组织机构:本工程工程监理部组织机构采用直线制。如以下图:2、人员装备:根据本工程工程特点由以下人员组成:工程工程监理部人员装备表3、岗位职责:〔1〕总监理工程师的职责:确定工程监理机构人员的分工和岗位职责;主持编写工程监理规划、审批工程监理施行细那么,并负责理工程监理机构的日常工作;审查分包的资质,并提出审查;检查和监视监理人员的工作,根据工程的进展情况可进展人员的调配,对不称职的监理人员应调换其工作;主持监理工作会议,签发工程监理机构的和指;审定承包提交的开工、施工组织设计、技术方案、进度方案;审核签署承包的申请、支付证书和开工结算;审查和处理工程变更;主持或参与工程质量事故的调查;调解建立与承包的合同争议、处理索赔、审批工程延;组织编写并签发监理月报、监理工作阶段专题和工程监理工作总结;审核签认分部工程和工程的质量检验评定资料,审查承包的开工申请,组织监理人员对待验收的工程工程进展质量检查,参与工程工程的开工验收;主持整理工程工程的监理资料;〔2〕专业监理工程师的职责:总监理工程师土建监理安装监理平安监理姓名监理职务学历专业技术职称注册岗位证书李忠华总监大专工程师施锦辉土建监理员大专助工周旭明安装监理员大专工程师张香见证取样员大专助工负责编制本专业的监理施行细那么。负责本专业监理工作的详细施行。组织、指导、检查和监视本专业监理员的工作当人员需要调整时向总监理工程师提出建议;审查承包提交的涉及本专业的方案、方案、申请、变更并向总监理工程师提出;负责本专业分项工程验收及隐蔽工程的验收;定向总监理工程师提交本专业监理工作施行情况对重大问题及时向总监理工程师汇报和;根据本专业监理工作施行情况做好监理日记;负责本专业监理资料的搜集、汇总及整理参与编写监理月报;核查进场材料、设备、构配件的原始凭证、检测等质量证明及其质量情况根据实际情况认为有必要时对进场材料、设备、构配件进展平行检验合格时予以签认;负责本专业的工程计量工作审核工程计量的数据和原始凭证。〔3〕监理员的职责:在专业监理工程师的指导下开展现场监理工作;检查承包投入工程工程的人力、材料、主要设备及其使用、运行情况并做好检查记录;复核或从施工现场直接获取工程计量的有关数据并签署原始凭证;按设计图及有关对承包的工艺过程或施工工序进展检查和记录对加工制作及工序施工质量检查结果进展记录;担任旁站工作发现问题及时指出并向专业监理工程师;做好监理日记和有关的监理记录。六、监理工作内容、和措施1.监理工作内容进展施工阶段的进度、质量、控制合同、平安、信息理组织协调工作。2.监理工作〔1〕施工过程中进展巡视和检查对关键部位进展旁站监视;〔2〕轴线、标高进展测量复核;〔3〕对主要材料及混凝土、砂浆进展抽样...

1、当您付费下载文档后,您只拥有了使用权限,并不意味着购买了版权,文档只能用于自身使用,不得用于其他商业用途(如 [转卖]进行直接盈利或[编辑后售卖]进行间接盈利)。
2、本站所有内容均由合作方或网友上传,本站不对文档的完整性、权威性及其观点立场正确性做任何保证或承诺!文档内容仅供研究参考,付费前请自行鉴别。
3、如文档内容存在违规,或者侵犯商业秘密、侵犯著作权等,请点击“违规举报”。

碎片内容

建筑工程监理规划cvb

确认删除?
VIP
微信客服
  • 扫码咨询
会员Q群
  • 会员专属群点击这里加入QQ群
客服邮箱
回到顶部