电脑桌面
添加小米粒文库到电脑桌面
安装后可以在桌面快捷访问

建筑工程施工质量通病与防治措施VIP免费

建筑工程施工质量通病与防治措施_第1页
1/41
建筑工程施工质量通病与防治措施_第2页
2/41
建筑工程施工质量通病与防治措施_第3页
3/41
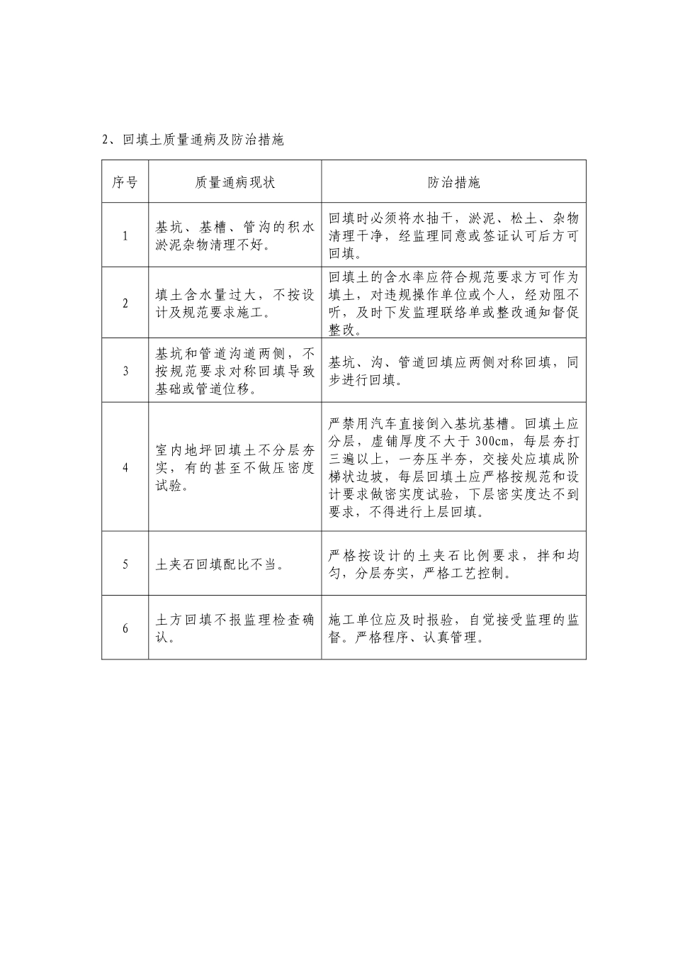
建设工程施工质量通病防治措施第一章、土建工程1、桩基工程质量通病及防治措施序号质量通病现状防治措施一机桩1桩顶位移、上升浮起(在沉桩过程中相邻的桩产生横向位移或桩身上浮)。施工前清除地下障碍物,打桩时注意打桩顺序,桩顶标高宜以负公差控制,同时避免打桩周围开挖基坑。2桩身倾斜。场地应整平,在施打中要确保桩机稳定,严格验收桩材,确保桩尖与桩轴线的偏差在允许范围内,严格控制首节桩的垂直度,沉桩过程中应保持桩帽、桩锤和桩三者应在同一轴线上。3桩头击碎(打桩时,桩顶出现砼掉角、碎、裂或硬打时桩顶钢筋局部或全部外露)。沉桩前应对桩进行检查验收,确保合格的桩用于工程,检查桩垫、锤垫是否平整,沉桩时应保持桩的垂直,避免偏心击打,沉桩前检查法兰是否空鼓,桩身是否漏浆和蜂窝麻面,镦头是否突出法兰面。桩帽应用纸垫,厚度100mm以上。4桩身断裂(沉桩时,桩身突然倾斜错位,贯入度突然增大,同时当桩锤跳起后,桩身随之出现回弹)。沉桩前,清除地下障碍物,对运至现场的桩进行检查,(包括对质保书的检查),沉桩过程第一节桩发现不垂直,应及时纠正,或拔出重新沉桩,接桩要保持上下节桩在同一轴线上。沉桩前检查桩身模板合缝是否漏浆,(按标准要求),发现异常及时通报有关部门分析。5桩身跳动,桩锤回弹。检查原因,穿过或避开障碍物,控制落锤高度。6桩间连接焊缝外观质量差,有气孔,焊缝不饱满、咬边。每道焊口的焊缝按二级外观标准确认,经检查合格后方可继续沉桩。7定位线放错。对图纸和变更检查桩位的定位放线,并复查是否正确,而且有明显标识。8焊接质量内部缺陷,外部咬边。每层焊接进行溶渣打磨,最后一道电流不能过大,控制咬边。9桩材弯曲端部不平。沉桩前检查每节PHC管桩的直线度,管口平直度。二人工挖孔桩1涌沙、涌泥(地下水位高,土层中夹有粉细砂或淤泥泥质土层)人工降低地下水位,尽可能降到设计桩底标高以下沉设钢套管以阻挡流沙,流泥2沉渣过厚(清孔后地下水渗入时带泥沙、孔口周围积土未清理、清孔后因未及时浇注使孔底岩石风化所致)人工降低地下水位,尽可能降到设计桩底标高以下及时清理孔口余泥长时间不浇注,浇注前清理孔底风化残积物3桩身混泥土缺陷严格按照施工规范操作,混泥土浇注前计算好混泥土需求量,做好供应计划,确保连续浇注的供应4护壁渗水、强度未达到设计强度对于出水量较大的孔可用木楔打入,周围再用防水材料封闭,或在集中漏水部分嵌入泄水管,装上阀门,在施工桩孔时打开阀门让水流出,严格按照设计做配合比试验5桩孔歪斜每节护壁装模浇注混泥土前均吊线校正垂直度,成孔后及时浇注2、回填土质量通病及防治措施序号质量通病现状防治措施1基坑、基槽、管沟的积水淤泥杂物清理不好。回填时必须将水抽干,淤泥、松土、杂物清理干净,经监理同意或签证认可后方可回填。2填土含水量过大,不按设计及规范要求施工。回填土的含水率应符合规范要求方可作为填土,对违规操作单位或个人,经劝阻不听,及时下发监理联络单或整改通知督促整改。3基坑和管道沟道两侧,不按规范要求对称回填导致基础或管道位移。基坑、沟、管道回填应两侧对称回填,同步进行回填。4室内地坪回填土不分层夯实,有的甚至不做压密度试验。严禁用汽车直接倒入基坑基槽。回填土应分层,虚铺厚度不大于300cm,每层夯打三遍以上,一夯压半夯,交接处应填成阶梯状边坡,每层回填土应严格按规范和设计要求做密实度试验,下层密实度达不到要求,不得进行上层回填。5土夹石回填配比不当。严格按设计的土夹石比例要求,拌和均匀,分层夯实,严格工艺控制。6土方回填不报监理检查确认。施工单位应及时报验,自觉接受监理的监督。严格程序、认真管理。3、混凝土质量通病及防治措施序号质量通病现状防治措施1砼表面蜂窝麻面、孔洞、露筋。必须加强震捣,使砼体密实成型,框架、梁、柱节点等钢筋密集处,采取用小直径或片型震动器等必要施工措施。2烂根、烂脖子。底模外用砂浆密封,吊模下加压脚板,控制砼的浇筑速度。3胀模支模时必须保证足够的刚度,上满u形卡子、紧固螺栓。4砼墙面接茬错台。上下墙接茬处,模板不能拆光,至少留一块。第二...

1、当您付费下载文档后,您只拥有了使用权限,并不意味着购买了版权,文档只能用于自身使用,不得用于其他商业用途(如 [转卖]进行直接盈利或[编辑后售卖]进行间接盈利)。
2、本站所有内容均由合作方或网友上传,本站不对文档的完整性、权威性及其观点立场正确性做任何保证或承诺!文档内容仅供研究参考,付费前请自行鉴别。
3、如文档内容存在违规,或者侵犯商业秘密、侵犯著作权等,请点击“违规举报”。

碎片内容

建筑工程施工质量通病与防治措施

墨香书阁+ 关注
实名认证
内容提供者

热爱教学事业,对互联网知识分享很感兴趣

确认删除?
VIP
微信客服
  • 扫码咨询
会员Q群
  • 会员专属群点击这里加入QQ群
客服邮箱
回到顶部