电脑桌面
添加小米粒文库到电脑桌面
安装后可以在桌面快捷访问

工程洽商记录(燃气)VIP免费

工程洽商记录(燃气)_第1页
1/12
工程洽商记录(燃气)_第2页
2/12
工程洽商记录(燃气)_第3页
3/12
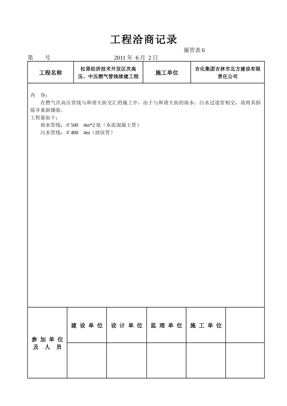
工程洽商记录施管表6第号2011年9月1日工程名称松原经济技术开发区次高压、中压燃气管线续建工程施工单位吉化集团吉林市北方建设有限责任公司内容:在燃气管线施工中,由于穿过园区2号路原混凝土面层及郭尔罗斯大路、西二街等道路,故需顶管。工程量如下:1)长白路:207m小河:67m+33m=100m园区3号路:14m四季胖哥:18m天意公司:14m石油管道公司:13m啤酒厂对过:10m园区3号路:11m汽车4S店—吉粮康郡:210m西二街—镜湖南路:58m卓成油品轮胎道口:57m原203国道与广宇商砼交接:88m镜湖南路—松原大路:945m天启气站:93m消防队:51m亚太管线公司:36m郭尔罗斯路:67m合计:183+100+14+18+14+13+10+11+57+88+945+93+51+36+67=1992m2)在汽车4S店—吉粮康郡段施工时,需用挖掘机挖基坑,用时3小时×300元/小时=900元。参加单位及人员建设单位设计单位监理单位施工单位工程洽商记录施管表6第号2011年5月22日工程名称松原经济技术开发区次高压、中压燃气管线续建工程施工单位吉化集团吉林市北方建设有限责任公司内容:在燃气次高压管线气站(370m处)与和谐大街交汇的施工中,需增加两个¢700砖砌井控制阀门。工程量如下:挖方量:10m×5m×2m=100m3井:内径1.5m,高1.8m。参加单位及人员建设单位设计单位监理单位施工单位工程洽商记录施管表6第号2011年6月2日工程名称松原经济技术开发区次高压、中压燃气管线续建工程施工单位吉化集团吉林市北方建设有限责任公司内容:在燃气次高压管线与和谐大街交汇的施工中,由于与和谐大街的雨水、污水过道管相交,故将其拆除并重新铺装。工程量如下:雨水管线:¢5004m*2处(水泥混凝土管)污水管线:¢4004m(波纹管)参加单位及人员建设单位设计单位监理单位施工单位工程量计算表序号项目计算式单位数量1挖方量(1.5+3.5)*1.5/2*4.0*3m3452拆除混凝土量0.1*0.63*4*2m30.5043拆除并铺砌混凝土管¢500m84拆除并铺砌波纹管¢400m45回填土m345工程洽商记录施管表6第号2011年6月20日工程名称松原经济技术开发区次高压、中压燃气管线续建工程施工单位吉化集团吉林市北方建设有限责任公司内容:在燃气次高压管线与郭尔罗斯大路交汇的施工中,需增加PE200管线94m,三通(¢200等径)一个,弯头90°一个。并用水沉砂进行回填。附:工程量计算表参加单位及人员建设单位设计单位监理单位施工单位工程洽商记录施管表6第号2011年7月2日工程名称松原经济技术开发区次高压、中压燃气管线续建工程施工单位吉化集团吉林市北方建设有限责任公司内容:在燃气次高压管线与中压的施工到天启气站时,由于与设计不符,现工程量如下。(附图)1、阀门井:1)砖砌:2.4m×2.4m×2.5m2)盖板:2.4m×2.4m×0.3m,内加¢14钢筋2、管线终点均竖起2m,并进调压间时进行钢塑转换,并加弯头,¢200→¢159一个3、管线在转弯处需回弯头,D273管线在分岔处加三通一个。参加单位及人员建设单位设计单位监理单位施工单位工程量计算表序号项目计算式单位数量1挖方量(1.0+2.0)×2.5/2×(66×3+24×3+11×2+14.5+12+12+10)m312772D273钢管66+24+11+2+12+12+2m1293PE管66×2+24+11+2+38.5+10+2m219.54弯头个155回填土m31277工程洽商记录施管表6第号2011年9月9日工程名称松原经济技术开发区次高压、中压燃气管线续建工程施工单位吉化集团吉林市北方建设有限责任公司内容:在燃气次高压管线与中压的施工中,在培训中心处,新增设PE160管线,96米。参加单位及人员建设单位设计单位监理单位施工单位工程洽商记录施管表6第号2011年9月10日工程名称松原经济技术开发区次高压、中压燃气管线续建工程施工单位吉化集团吉林市北方建设有限责任公司内容:在燃气次高压管线与中压的施工中,部分路段机械无法进行施工,故需人工进行挖土方。工程量如下:位置长度(m)和谐街—大地气站1160大地气站—西二街项管处460西二街口—奥迪4S店1018天启气站—海山机械厂828天启气站院内338合计:3804m参加单位及人员建设单位设计单位监理单位施工单位工程洽商记录施管表6第号2011年9月28日工程名称松原经济技术开发区次高压、中压燃气管线续建工程施工单位吉化集团吉林市北方建设有限责任公司内容:...

1、当您付费下载文档后,您只拥有了使用权限,并不意味着购买了版权,文档只能用于自身使用,不得用于其他商业用途(如 [转卖]进行直接盈利或[编辑后售卖]进行间接盈利)。
2、本站所有内容均由合作方或网友上传,本站不对文档的完整性、权威性及其观点立场正确性做任何保证或承诺!文档内容仅供研究参考,付费前请自行鉴别。
3、如文档内容存在违规,或者侵犯商业秘密、侵犯著作权等,请点击“违规举报”。

碎片内容

工程洽商记录(燃气)

您可能关注的文档

确认删除?
VIP
微信客服
  • 扫码咨询
会员Q群
  • 会员专属群点击这里加入QQ群
客服邮箱
回到顶部