电脑桌面
添加小米粒文库到电脑桌面
安装后可以在桌面快捷访问

合楼临时用电施工组织设(12页)VIP免费

合楼临时用电施工组织设(12页)_第1页
1/10
合楼临时用电施工组织设(12页)_第2页
2/10
合楼临时用电施工组织设(12页)_第3页
3/10
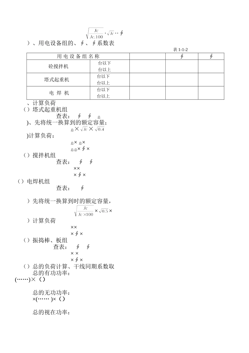
临时用电施工组织设计一、施工条件、本工程为延边人民城市信用社新建综合楼,砖混结构,层数为层、建筑面积为3942M2、甲方以提供出全套施工图纸,手续齐全,已具备开工条件。、根据工程施工现场实际需要,已确定施工设备容量及台数;执行以下用电量统计数量。施工现场用电量统计表表1-1-1序号设备名称规格型号安装功率()数量合计功率()备注塔式起重机须换算到混凝土撹拌机元锯振捣棒、板电焊机需要换算到室内外照明总计一、计的内容和步骤(一)现场勘探、延边人民城市信用社综合楼所处位置;敦化市敖东南大街信用社办公楼后院,新建综合楼是一座独立建筑,在楼基础北侧有地下采暖管线,以做好防护、不影响施工,地上无外电线路及建筑物等、其它妨碍施工的障碍物。在场外过道西侧有一条高压架空线路,现有一台变压器正在运行,甲方已向供电部门报批容量允许使用;由供电部门将电源接于施工现场西侧中部总配电计量箱内,分配电箱、塔吊开关箱、照明总开关箱设在—塔吊北侧;开关箱设在距设备5M处,施工现场所用导线采用五芯电缆地埋敷设。、根据《施工现场临时用电技术规范》规定,本供电系统采用(三相五线制)系统供电(二)负荷计算、计算公式:)、塔吊电动机组规定统一换算到暂时载荷率时的额定功率()其设备容量为:··)、电焊机组规定统一换算到时的额定功率()、其设备容量为:···∮)、用电设备组的、∮、∮系数表表1-1-2用电设备组名称∮∮砼搅拌机台以下台以上塔式起重机台以下台以上电焊机台以下台以上、计算负荷()塔式起重机组查表:∮∮总)、先将统一换算到的额定容量;总××)计算负荷:总×总×总总×∮×()撹拌机组查表:∮∮×××∮×()电焊机组查表:∮)先将统一换算到时的额定容量,××)计算负荷×××∮×()振捣棒、板组查表:∮∮×××∮×()总的负荷计算、干线同期系数取总的有功功率:(……)×()总的无功功率:×(……)×()总的视在功率:总的电流计算:23.95A、电源电缆选择根据计算总的视在功率,查有关资料选择电缆型号为××的凯装电缆为宜。、线路导线截面及分配电箱、开关箱内电气设备选择根据平面图和系统图先由设备至开关箱计算,在由开关箱至分配电箱计算,选择导线及开关设备、分配电箱至开关箱、开关箱至设备的导线。采用中型橡胶注套电缆、穿管敷设;这部分距离短,不考虑电压降,只按导线安全载流量选择导线截面。()塔吊开关箱至塔吊设备箱的导线截面及箱内电气设备选择)计算电流查表:∮∮37.8A)选择导线型号及截面为××中型橡胶注套电缆、沿塔吊架体用瓷瓶敷设,开关箱内的开关为、额定工作电流为60A,漏电保护器为,额定工作电流为60A,漏电动作电流不大,漏电动作时间不大于。()关箱至撹拌机的导线截面及开关箱内电器设备选)计算电流查表:∮.5A)选择导线型号及截面为××中型橡胶注套电缆穿管地埋暗敷设,开关箱内的开关为,额定工作电流为30A、漏电保护器为额定工作电流为15A、漏电动作电流不大于,漏电动作时间不大于)总箱开关为、额定工作电流为60A、漏电保护器为、额定工作电流为50A、漏电动作电流不大于、漏电动作时间不大于.)、分箱总开关为、其脱扣器整定电流值为50A、各回路开关、其脱扣器整定电流值为30A()总箱至塔吊分箱导线截面及配电箱内电器设备选择)导线的安全载流量选择导线截面31.65A需要系数取∮×70.6A查表:××中型橡胶注套电缆的安全载流量为96A、满足使用要求。)总箱开关为、额定工作电流为100A、漏电保护器为,额定工作电流为80A、漏电动作电流不大于,漏电动作时间不大于。)分箱总开关为、其脱扣器整定电流值为80A、各回路开关为、其脱口器整定电流值分别为:60A、50A、40A、30A、即可。(三)制临时用电施工图、临时用电系统、图1-1-1动力、图照明总配电系统图-50A××电焊机分箱ΟΟΟΟΟ-40A××备用回路××ΟΟΟΟΟΟΟΟΟΟ-80A××塔吊分箱ΟΟΟΟΟ图——总动力箱动力总配电系统图-20A47L-25A×4A塔吊分箱ΟΟΟΟΟ×ΟΟ-60A×4A现场其它照明箱图——照明总箱ΟΟΟΟΟ照明总配电系统图、临时用电系统、图——动力分箱配电系统图。-60A-60A××塔吊Ο...

1、当您付费下载文档后,您只拥有了使用权限,并不意味着购买了版权,文档只能用于自身使用,不得用于其他商业用途(如 [转卖]进行直接盈利或[编辑后售卖]进行间接盈利)。
2、本站所有内容均由合作方或网友上传,本站不对文档的完整性、权威性及其观点立场正确性做任何保证或承诺!文档内容仅供研究参考,付费前请自行鉴别。
3、如文档内容存在违规,或者侵犯商业秘密、侵犯著作权等,请点击“违规举报”。

碎片内容

合楼临时用电施工组织设(12页)

墨香书阁+ 关注
实名认证
内容提供者

热爱教学事业,对互联网知识分享很感兴趣

确认删除?
VIP
微信客服
  • 扫码咨询
会员Q群
  • 会员专属群点击这里加入QQ群
客服邮箱
回到顶部