电脑桌面
添加小米粒文库到电脑桌面
安装后可以在桌面快捷访问

地下聚氨酯防水涂料冷作业施工工艺标准VIP免费

地下聚氨酯防水涂料冷作业施工工艺标准_第1页
1/7
地下聚氨酯防水涂料冷作业施工工艺标准_第2页
2/7
地下聚氨酯防水涂料冷作业施工工艺标准_第3页
3/7
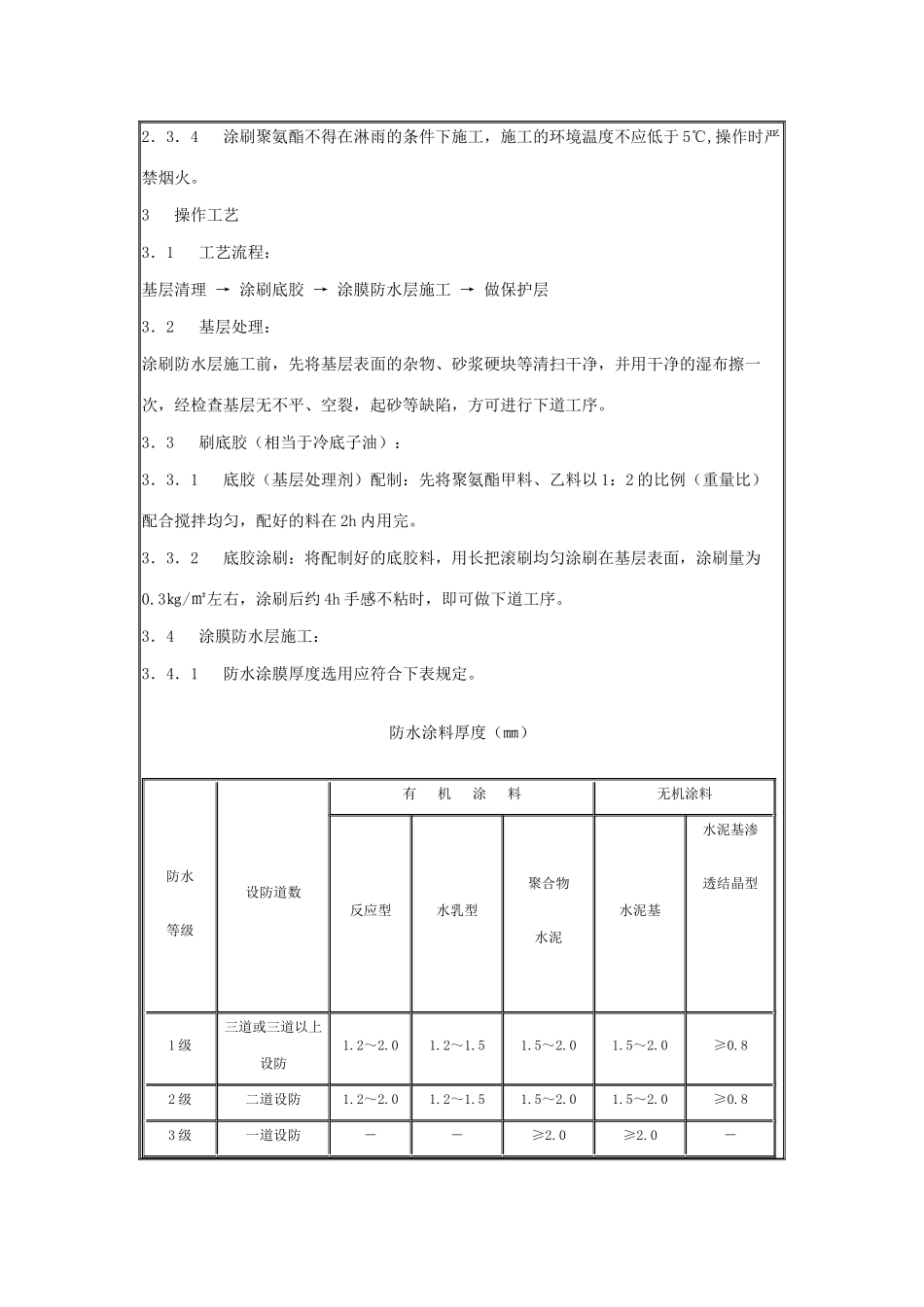
地下聚氨酯防水涂料冷作业施工工艺标准1范围本工艺标准适用于工业与民用建筑物、构筑物地下防水工程采用聚氨酯防水涂料冷作业涂膜防水工程。2施工准备2.1材料及要求2.1.1聚氨酯防水涂料,属于有机反应型防水涂料,应具有出厂合格证及厂家产品的认证文件,并应进场后抽样送检复验,其技术性能必须满足有关标准的要求。2.1.2二甲苯或醋酸乙酯:用于稀释和清洗工具。2.1.3水泥、325号普通硅酸盐水泥,用于配制水泥砂浆抹保护层。2.1.4中砂:圆粒中砂,粒径2~3㎜,含泥量不大于3%;用于配制水泥砂浆抹防护层。2.2主要机具:2.2.1电动机具:电动搅拌器。2.2.2手用工具:搅拌桶、小铁桶、小平铲、塑料或橡胶刮板、滚动刷、毛刷、弹簧秤、消防器材等。2.3作业条件:2.3.1地下防水层聚氨酯防水涂料冷作业施工,在地下水位较高的条件下涂刷防水层前,应先降低地下水位,做好排水处理,使地下水位降至防水层操作标高以下300㎜,并保持到防水层施工完。2.3.2涂刷防水层的基层应按设计抹好找平层,要求抹平、压光,坚实平整,不起砂,含水率低于9%,阴阳角处应抹成圆弧角。2.3.3涂刷防水层前应将涂刷面上的尘土、杂物,残留的灰浆硬块,有突出的部分处理、清扫干净。2.3.4涂刷聚氨酯不得在淋雨的条件下施工,施工的环境温度不应低于5℃,操作时严禁烟火。3操作工艺3.1工艺流程:基层清理→涂刷底胶→涂膜防水层施工→做保护层3.2基层处理:涂刷防水层施工前,先将基层表面的杂物、砂浆硬块等清扫干净,并用干净的湿布擦一次,经检查基层无不平、空裂,起砂等缺陷,方可进行下道工序。3.3刷底胶(相当于冷底子油):3.3.1底胶(基层处理剂)配制:先将聚氨酯甲料、乙料以1:2的比例(重量比)配合搅拌均匀,配好的料在2h内用完。3.3.2底胶涂刷:将配制好的底胶料,用长把滚刷均匀涂刷在基层表面,涂刷量为0.3㎏/㎡左右,涂刷后约4h手感不粘时,即可做下道工序。3.4涂膜防水层施工:3.4.1防水涂膜厚度选用应符合下表规定。防水涂料厚度(㎜)防水等级设防道数有机涂料无机涂料反应型水乳型聚合物水泥水泥基水泥基渗透结晶型1级三道或三道以上设防1.2~2.01.2~1.51.5~2.01.5~2.0≥0.82级二道设防1.2~2.01.2~1.51.5~2.01.5~2.0≥0.83级一道设防--≥2.0≥2.0-复合设防--≥1.5≥1.5-3.4.2涂料防水层的施工应符合下列规定:1涂料涂刷前应先在基面上涂一层与涂料相容的基层处理剂;2涂膜应多遍完成,涂刷应待前遍涂层干燥成膜后进行;3每遍涂刷时应交替改变涂层的涂刷方向,同层涂膜的先后搭茬宽度宜为30~50㎜;4涂料防水层的施工缝(甩槎)应注意保护,搭接缝宽度应大于100㎜,接涂前应将其甩茬表面处理干净;5涂刷程序应先做转角处、穿墙管道、变形缝等部位的涂料加强层,后进行大面积涂刷;6涂料防水层中铺贴的胎体增强材料,同层相邻的搭接宽度应大于100㎜,上下层接缝应错开1/3幅宽。4.4.3涂料防水层的施工应符合下列规定:1涂料涂刷前应先在基面上涂一层与涂料相容的基层处理剂;2涂膜应多遍完成,涂刷应待前遍涂层干燥成膜后进行;3每遍涂刷时应交替改变涂层的涂刷方向,同层涂膜的先后搭茬宽度宜为30~50㎜;4涂料防水层的施工缝(甩槎)应注意保护,搭接缝宽度应大于100㎜,接涂前应将其甩茬表面处理干净;5涂刷程序应先做转角处、穿墙管道、变形缝等部位的涂料加强层,后进行大面积涂刷;6涂料防水层中铺贴的胎体增强材料,同层相邻的搭接宽度应大于100㎜,上下层接缝应错开1/3幅宽。3.4.4涂膜防水层施工1材料配制:聚氨酯按甲料、乙料以1:2的比例(重量比)配合,用电动搅拌器强制搅拌3~5min,至充分拌合均匀即可使用。配好的混合料应2h内用完,不可时间过长。2附加涂膜层:穿过墙、顶、地的管根部,地漏、排水口、阴阳角,变形缝并薄弱部位,应在涂膜层大面积施工前,先做好上述部位的增强涂层(附加层)。附加涂层做法:是在涂膜附加层中铺设玻璃纤维布,涂膜操作时用板刷刮涂料驱除气泡,将玻璃纤维布紧密地粘贴在基层上,阴阳角部位一般为条形,管根为块形,三面角,应裁成块形布铺设,可多次涂刷膜。3涂刷第一道涂膜:在前一道涂膜...

1、当您付费下载文档后,您只拥有了使用权限,并不意味着购买了版权,文档只能用于自身使用,不得用于其他商业用途(如 [转卖]进行直接盈利或[编辑后售卖]进行间接盈利)。
2、本站所有内容均由合作方或网友上传,本站不对文档的完整性、权威性及其观点立场正确性做任何保证或承诺!文档内容仅供研究参考,付费前请自行鉴别。
3、如文档内容存在违规,或者侵犯商业秘密、侵犯著作权等,请点击“违规举报”。

碎片内容

地下聚氨酯防水涂料冷作业施工工艺标准

您可能关注的文档

确认删除?
VIP
微信客服
  • 扫码咨询
会员Q群
  • 会员专属群点击这里加入QQ群
客服邮箱
回到顶部