电脑桌面
添加小米粒文库到电脑桌面
安装后可以在桌面快捷访问

建筑工程质量通病防治方法VIP免费

建筑工程质量通病防治方法_第1页
1/75
建筑工程质量通病防治方法_第2页
2/75
建筑工程质量通病防治方法_第3页
3/75
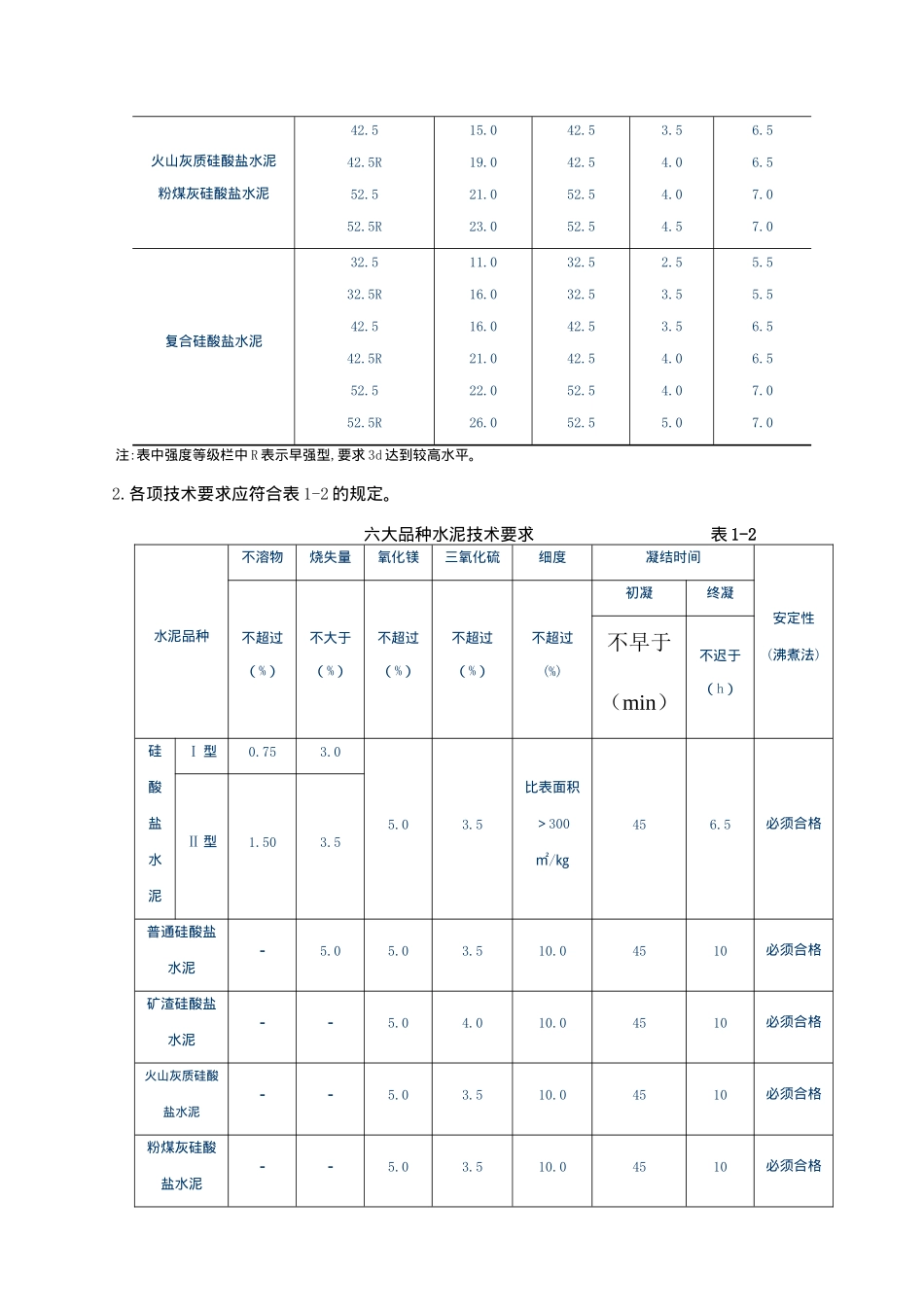
建筑工程质量通病防治(第三版)第三版前言本书从第一版组织编著到第三版修订出版历时二十载,付出了一代人、一百多位专家的心血。他们中间一些人已经离我们而去,王伯龙同志抱病坚持完成了编写任务,伍芬林同志在身患绝症之际参加了第三版的修订,逝世前一个月还对修订稿作了最后一次补充。我对他们的英年早逝深感悲痛和惋惜,读者将会和我一起纪念他们为本书作出的贡献。我相信,他们的名字将和这本书一起长久流传下去。本书是我国最早全面分析工程质量通病的工具书,从1984年出版至今已重印20次,累计印数达57万册,成为我国建筑图书中持续发行期最长、发行量最大、发行覆盖面最广的少数几种图书之一。究其原因:一是建筑工程质量通病防治是一个长期的、涉及面广的而又迫切需要解决的课题,只要工程建设一天不停顿,防治质量通病就一天也不能松懈;只要建筑工程继续在发展,防治质量通病这个课题就需要不断更新内容;二是编写本书有着明确的宗旨,不是为个人树碑立传,而是急读者之所需,怀着为提高我国建筑工程质量水平服务的心愿,以严肃认真、精益求精的态度,为读者编好书,要让读者感到本书确实可读、可学、可用;三是融合了一般图书的优点和辞书的特点,采用了一种新颖的编排形式,从书名、章节设受到条目编排,都进行了独特的构思,取得了实用、简明、便查的效果;四是汇集了一批有真才实学的、志同道合的写作伙伴,特别是在经历十年浩劫,缺乏参考资料和现成模式的情况下,凭着丰富的实践经验,以对读者负责的诚意,尽其所知,倾心传授。本书第三版在第二版的基础上又作了较大改动,有些章节全部重新改写并增补了新的内容,个别章节作了删节,新编了施工测量、爆破、深基坑、浅基础、地下连续墙、特种混凝土、建筑幕墙、古建筑和室外工程等9章,全书由原40章调整为50章,质量通病条目由第二版的1040项增加到1633项,并按照第二版出版后新发布的有关国家标准和行业标准对全书作了修订,使本书以崭新的面貌呈现在读者面前。建筑工程质量通病防治,重在预防,一旦产生质量通病,甚至酿成事故,即使尚可补救,但已造成损失,留下缺憾,事后治理,实属无奈,亡羊补牢,终究不是上策。参与编写本书的诸同仁,对此深有同感。为此编者恳切希望广大读者不仅在工程发生质量通病之后,阅读本书,查找原因,寻求治理方法;更应在工程实践中认真研读,事先采取周密的预防措施,做到未雨绸缪,防患于未然,确保工程质量万无一失。借此第三版出版之际,谨向本书新老读者和出版、发行人员表示诚挚的问候和衷心的感谢。1常用建筑材料质量指标1.1水泥1.1.1常用水泥1.1.各龄期强度不得低于表1-1的规定数值。六大品种水泥不同强度等级各龄期强度值表1-1品种强度等级抗压强度(Mpa)抗折强度(MPa)3d28d3d28d硅酸盐水泥42.542.5R52.552.5R62.562.5R17.022.023.027.028.032.042.542.552.552.562.562.53.54.04.05.05.05.56.56.57.07.08.08.0普通硅酸盐水泥32.532.5R42.542.5R52.552.5R11.016.016.021.022.026.032.532.542.542.552.552.52.53.53.54.04.05.05.55.56.56.57.07.0矿渣硅酸盐水泥32.532.5R10.015.032.532.52.53.55.55.5火山灰质硅酸盐水泥粉煤灰硅酸盐水泥42.542.5R52.552.5R15.019.021.023.042.542.552.552.53.54.04.04.56.56.57.07.0复合硅酸盐水泥32.532.5R42.542.5R52.552.5R11.016.016.021.022.026.032.532.542.542.552.552.52.53.53.54.04.05.05.55.56.56.57.07.0注:表中强度等级栏中R表示早强型,要求3d达到较高水平。2.各项技术要求应符合表1-2的规定。六大品种水泥技术要求表1-2水泥品种不溶物烧失量氧化镁三氧化硫细度凝结时间安定性(沸煮法)不超过(%)不大于(%)不超过(%)不超过(%)不超过(%)初凝终凝不早于(min)不迟于(h)硅酸盐水泥Ⅰ型0.753.05.03.5比表面积>300㎡/㎏456.5必须合格Ⅱ型1.503.5普通硅酸盐水泥-5.05.03.510.04510必须合格矿渣硅酸盐水泥--5.04.010.04510必须合格火山灰质硅酸盐水泥--5.03.510.04510必须合格粉煤灰硅酸盐水泥--5.03.510.04510必须合格复合硅酸盐水泥--5.03.510.04510必须合格注:1.细度为通过80μm方孔筛的筛余百分数。2....

1、当您付费下载文档后,您只拥有了使用权限,并不意味着购买了版权,文档只能用于自身使用,不得用于其他商业用途(如 [转卖]进行直接盈利或[编辑后售卖]进行间接盈利)。
2、本站所有内容均由合作方或网友上传,本站不对文档的完整性、权威性及其观点立场正确性做任何保证或承诺!文档内容仅供研究参考,付费前请自行鉴别。
3、如文档内容存在违规,或者侵犯商业秘密、侵犯著作权等,请点击“违规举报”。

碎片内容

建筑工程质量通病防治方法

确认删除?
VIP
微信客服
  • 扫码咨询
会员Q群
  • 会员专属群点击这里加入QQ群
客服邮箱
回到顶部