电脑桌面
添加小米粒文库到电脑桌面
安装后可以在桌面快捷访问

塑料制品的结构设计规范VIP免费

塑料制品的结构设计规范_第1页
1/50
塑料制品的结构设计规范_第2页
2/50
塑料制品的结构设计规范_第3页
3/50
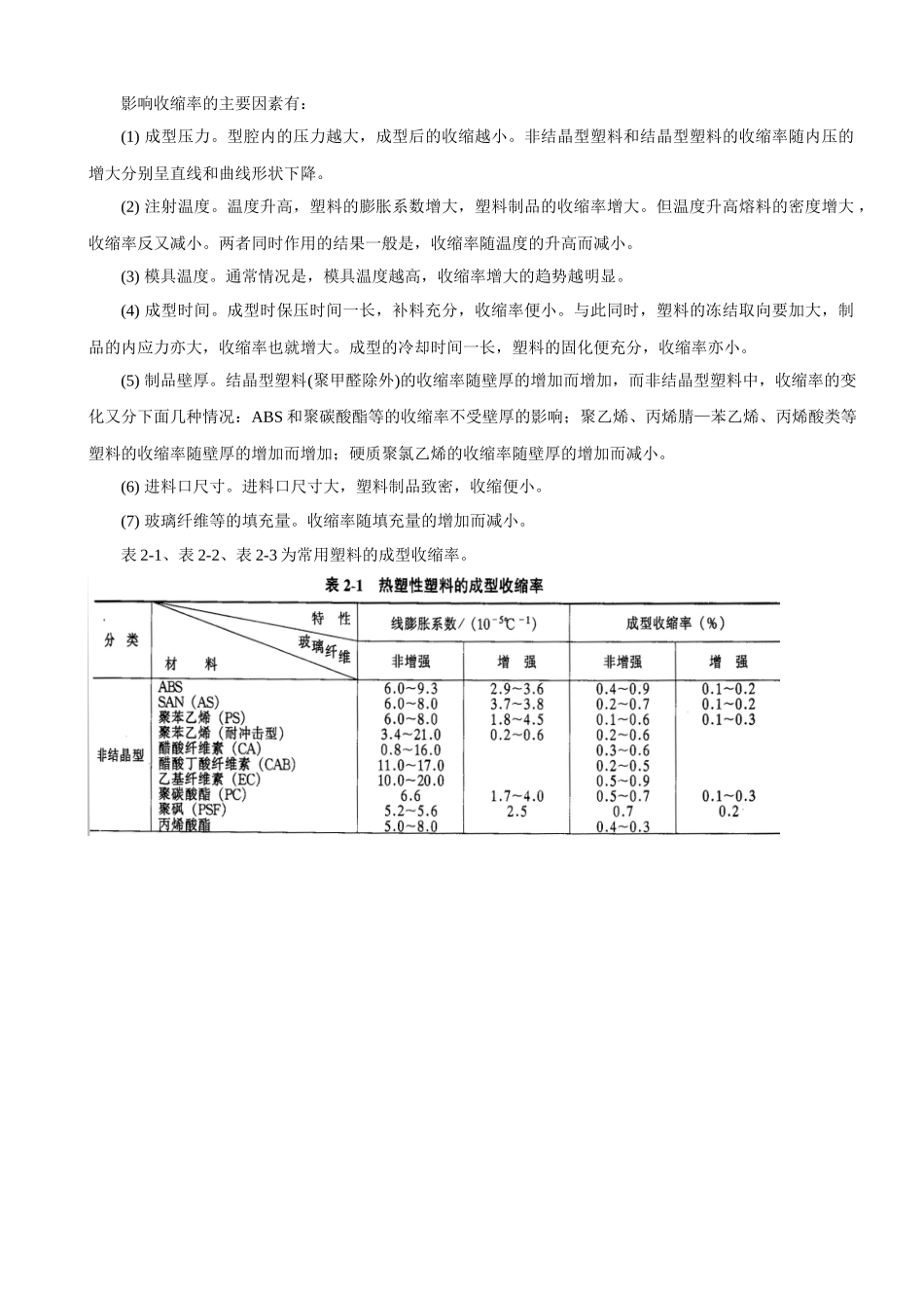
双林汽车部件股份有限公司企业技术规范塑料制品的结构设计规范2008-10-20发布2008-10-XX实施双林汽车部件股份有限公司发布塑料制品的结构设计又称塑料制品的功能特性设计或塑料制品的工艺性。§1塑料制品设计的一般程序和原则1.1塑料制品设计的一般程序1、详细了解塑料制品的功能、环境条件和载荷条件2、选定塑料品种3、制定初步设计方案,绘制制品草图(形状、尺寸、壁厚、加强筋、孔的位置等)4、样品制造、进行模拟试验或实际使用条件的试验5、制品设计、绘制正规制品图纸6、编制文件,包括塑料制品设计说明书和技术条件等。1.2塑料制品设计的一般原则1、在选料方面需考虑:(1)塑料的物理机械性能,如强度、刚性、韧性、弹性、吸水性以及对应力的敏感性等;(2)塑料的成型工艺性,如流动性、结晶速率,对成型温度、压力的敏感性等;(3)塑料制品在成型后的收缩情况,及各向收缩率的差异。2、在制品形状方面:能满足使用要求,有利于充模、排气、补缩,同时能适应高效冷却硬化(热塑性塑料制品)或快速受热固化(热固性塑料制品)等。3、在模具方面:应考虑它的总体结构,特别是抽芯与脱出制品的复杂程度。同时应充分考虑模具零件的形状及其制造工艺,以便使制品具有较好的经济性。4、在成本方面:要考虑注射制品的利润率、年产量、原料价格、使用寿命和更换期限,尽可能降低成本。§2塑料制品的收缩塑料制品在成型过程中存在尺寸变小的收缩现象,收缩的大小用收缩率表示。S=L0−LL0×100%式中S——收缩率;L0——室温时的模具尺寸;L——室温时的塑料制品尺寸。影响收缩率的主要因素有:(1)成型压力。型腔内的压力越大,成型后的收缩越小。非结晶型塑料和结晶型塑料的收缩率随内压的增大分别呈直线和曲线形状下降。(2)注射温度。温度升高,塑料的膨胀系数增大,塑料制品的收缩率增大。但温度升高熔料的密度增大,收缩率反又减小。两者同时作用的结果一般是,收缩率随温度的升高而减小。(3)模具温度。通常情况是,模具温度越高,收缩率增大的趋势越明显。(4)成型时间。成型时保压时间一长,补料充分,收缩率便小。与此同时,塑料的冻结取向要加大,制品的内应力亦大,收缩率也就增大。成型的冷却时间一长,塑料的固化便充分,收缩率亦小。(5)制品壁厚。结晶型塑料(聚甲醛除外)的收缩率随壁厚的增加而增加,而非结晶型塑料中,收缩率的变化又分下面几种情况:ABS和聚碳酸酯等的收缩率不受壁厚的影响;聚乙烯、丙烯腈—苯乙烯、丙烯酸类等塑料的收缩率随壁厚的增加而增加;硬质聚氯乙烯的收缩率随壁厚的增加而减小。(6)进料口尺寸。进料口尺寸大,塑料制品致密,收缩便小。(7)玻璃纤维等的填充量。收缩率随填充量的增加而减小。表2-1、表2-2、表2-3为常用塑料的成型收缩率。§3脱模斜度脱模斜度:为便于脱模,塑料制品壁在出模方向上应具有倾斜角度α,其值以度数表示(参见表2-4)。3.1脱模斜度确定要点(1)制品精度要求越高,脱模斜度应越小。(2)尺寸大的制品,应采用较小的脱模斜度。(3)制品形状复杂不易脱模的,应选用较大的斜度。(4)制品收缩率大,斜度也应加大。(5)增强塑料宜选大斜度,含有自润滑剂的塑料可用小斜度。(6)制品壁厚大,斜度也应大。(7)斜度的方向。内孔以小端为准,满足图样尺寸要求,斜度向扩大方向取得;外形则以大端为准,满足图样要求,斜度向偏小方向取得。一般情况下脱模斜度。可不受制品公差带的限制,高精度塑料制品的脱模斜度则应当在公差带内。脱模斜度α值可按表2-4选取。由表中可以看出,塑料硬脆、刚性大的,脱模斜度要求大。具备以下条件的型芯,可采用较小的脱模斜度:(1)顶出时制品刚度足够。(2)制品与模具钢材表面的摩擦系数较低。(3)型芯表面的粗糙度值小,抛光方向又与制品的脱模方向—致。(4)制品收缩量小,滑动摩擦力小。3.2制品脱模斜度设计1、箱体与盖类制品(图2-1)当H≤50mm时,S/H=1/30~1/50当50<H≤100mm时,S/H≤1/602、格子板形制品(图2-2)当格子的间距P≤4mm时,脱模斜度α=1/10P。格子C尺寸越大,脱模斜度越大。当格子高度H超过8mm,脱模斜度不能取太大值时,可采用图(b)的形式,使一部分进入动模一侧,从而使脱模斜度满足要...

1、当您付费下载文档后,您只拥有了使用权限,并不意味着购买了版权,文档只能用于自身使用,不得用于其他商业用途(如 [转卖]进行直接盈利或[编辑后售卖]进行间接盈利)。
2、本站所有内容均由合作方或网友上传,本站不对文档的完整性、权威性及其观点立场正确性做任何保证或承诺!文档内容仅供研究参考,付费前请自行鉴别。
3、如文档内容存在违规,或者侵犯商业秘密、侵犯著作权等,请点击“违规举报”。

碎片内容

塑料制品的结构设计规范

确认删除?
VIP
微信客服
  • 扫码咨询
会员Q群
  • 会员专属群点击这里加入QQ群
客服邮箱
回到顶部